WIKA

Termometre

Séria 75

  • Plynové
  • Teplota 50°C až 700°C
  • Ø100 mm
  • Pripojenie G, NPT
75 - 1.png

M75 - Termometer plynový

Vybraná varianta

75 - 1.png

Termometer plynový

Položka:

Vybraná varianta

Špecifikácia

Liquid Attenuated Nie
Materiál kontaktnej časti Nerezová oceľ 316Ti
Materiál skla Laminované bezpečnostné sklo
Materiál tela Nezerová ocel 1,4301
Plug diameter 13 mm
Prevádzková teplota max. 600 °C
Prevádzková teplota min. 150 °C
Priemer 100 mm
Teplota okolia do 60 °C
Teplota okolia od 0 °C
Tlaková odolnosť max 25 bar
Trieda krytia IP66

K stiahnutiu

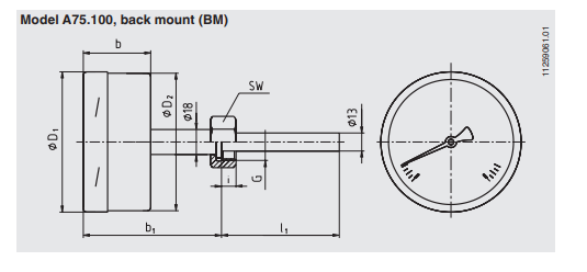
Rozmery a pripojenie

Príslušenstvo

Produktové správy

Senzory WIKA pre vodíkovú technológiu

Komplexný sortiment snímačov tlaku a teploty, manometrov a ďalších komponentov pre vodíkové aplikácie od spoločnosti WIKA

Produktové správy

Výrobca plavákových spínačov

Tecnoplastic je talianska výrobná spoločnosť založená v roku 1994, ktorá ponúka plavákové spínače a filtre na pitnú vodu. Výroba prebieha v závode neďaleko Benátok.

OEM Automatic Open Days 2025
Události

OEM AUTOMATIC OPEN DAYS 2025

Akcia ponúka príležitosť na stretnutie s našimi inovatívnymi produktmi aj expertmi na aplikácie. Uvidíte dynamické prezentácie najnovších výrobkov, ktoré dokážu digitálne transformovať Vašu prevádzku, zaistiť bezpečnosť strojných zariadení a ďalšie rôzne systémy pre automatizáciu strojov a riešení. Návštevu si môžete spríjemniť skvelým jedlom a pitím, ktoré bude k dispozícii formou rautu.

Anderson Negele Prietokomer FMQ
Produktové správy

PRIETOKOMER FMQ ZO SKLADU V EURÓPE

Riešite nefunkčný magnetický prietokomer? Súčasný dodávateľ vám ponúka dlhú dodaciu lehotu?

Pneumatické ventilové terminály Aventics Seria XV compact
Produktové správy

AVENTICS™ Séria XV Compact

Zvyšte flexibilitu automatizácie a výkon pneumatických systémov

Produktové správy

Manipulačné systémy AFAG

AFAG je dodávateľom manipulačných systémov pre automatizáciu výroby, ktorý ponúka komponenty ako podávače a uchopovače. Ich modulárne systémy umožňujú jednoduchú montáž a rozšírenie riešení na mieru, čím zjednodušujú konštrukciu a montáž a skracujú čas uvedenia do prevádzky.

Kontakt

Nataliya Mykyta

+421 332 400 160
Zákaznícky servis
Kontaktujte nás:
+421 332 400 160
Potrebujete pomoc?
Logo

Nastavenia cookies oemautomatic.sk

Súbory cookies nám pomáhajú zlepšovať vašu skúsenosť s nami a preto, aby sme mohli narábať s prihlasovacími údajmi, ponúkať personalizovaný obsah a pre základnú funkčnosť tejto webovej stránky používame niektoré súbory cookies.

Nikdy nebudeme predávať žiadne informácie o vás.

Môžete akceptovať všetky súbory cookies alebo prispôsobiť svoje preferencie pre súbory cookies, môžete tiež kedykoľvek zmeniť svoje preferencie týkajúce sa súborov cookies návštevou našej kontaktnej stránky.


Nevyhnutné súbory cookies

Tieto súbory cookies sú nevyhnutné pre fungovanie webovej stránky a nemožno ich v našich systémoch vypnúť. Zvyčajne sa používajú iba v reakcií na akcie, ktoré ste vykonali v súvislosti so žiadosťou o službu, napríklad pri nastavovaní osobných preferencií, prihlásení alebo pri vyplnení formulára.

Súbory cookies pre analýzu a meranie

Tieto súbory nám umožňujú počítať počet návštev a zdroje návštevnosti, aby sme mohli merať a zlepšovať výkonnosť našej webovej stránky. Pomáhajú nám zistiť, ktoré stránky sú viac či menej populárne a ako sa návštevníci po stránke pohybujú. Informácie, ktoré tieto cookies zhromažďujú sú agregované, a teda úplne anonymné. Ak tieto cookies nepovolíte, nevieme, kedy ste navštívili našu webovú stránku.

Marketingové súbory cookies

Tieto súbory cookies môžu pridať naši partneri. Môžu ich použiť na vytvorenie vášho profilu na základe vašich záujmov, aby vám mohli zobrazovať relevantnejšie informácie. Neuchovávajú žiadne osobné informácie – iba informácie o vašom prehliadači a zariadení. Ak tieto cookies neprijmete, budete mať všeobecnejšie a menej prispôsobené užívateľské prostredie.