SENSATA CRYDOM

Crydom - 3-fázové relé bez chladiča, 25 a 50 A st

Série DR

Trojfázové polovodičové relé pre spínanie prúdov 25 a 50 A s montážou na samostatný chladič. SCR výstup (antiparalelne zapojené tyristory) pre náročné priemyselné aplikácie.
Voliteľne k dispozicií s krytom pre IP20. Voľbu chladiča vykonať podľa charakteristík závislosti prúdu od teploty okolia.
Séria 53TP má integrovanú ochranu proti prepätiu (TVS) a RC člen pre potlačenie rýchlych prechodových dejov na výstupe. K indikácii stavu vstupu je k dispozícii LED.
Relé je vyrobené bezepoxidovou technológiou.

 

Technické parametre

Vstup

Riadiace napätie

4- 32 Vss

180 – 280 Vst

Napätie odpadu

1 V

10 V

Max. riadiaci prúd

35 mA

9 mA

Čas zapnutia pri spínaní "v nule"

8,33/10 ms (60/50 Hz)

28 ms

Max. čas vypnutia

8,33/10 ms (60/50 Hz)

30 ms

 

Výstup

3x 25 A

3x 50 A

Spínané napätie

48 – 530 Vst

48 – 530 Vs

Max. špičkové napätie

1100 Vst

1100 Vst

Max. zaťaženie pri 40 ºC

25 A

50 A

Max. proud v kategorii AC53

5 A

10 A

Min. prúd

100 mArms

100 mArms

Úbytok napätia pri Imax

1,35 V

1,35 V

Spínací prvok

Tyristor

 

Ďalšie parametre

Prevádzková teplota

-40 ºC až + 80 ºC
(pozor na charakteristiku prúd / teplota)

Izolačné napätie vstup/výstup

4000 Vrms

Váha

360 g

Zhoda

IEC 62314
IEC60947-4-3 (AC 51)
IEC60947-4-2 (AC 53a)
CE podľa LVD 72/23/EEC
UL/cUL podľa UL 508
CSA podľa C22.2.no. 14-95
TUV (EN 60950)

 

 

Rozmery

342672_536.jpg

 

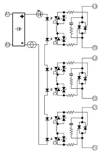
Pripojenie

342676_536.jpg

 

Charakteristiky

53TP 25A

53TP 50A

342674_536.jpg

342675_536.jpg

 

Objednávacie informácie

Objednávacie číslo

Popis

Menovitý prúd

Vstupné napätie

Výstupné napätie

C53TP25C

Spínanie v nule, s krytom IP20

25 A

180 - 280 Vst

48 - 530 Vst

D53TP25C

Spínanie v nule, s krytom IP20

25 A

4 - 32 Vss

48 - 530 Vst

D53TP25D

Spínanie v nule, bez krytu IP00

25 A

4 - 32 Vss

48 - 530 Vst

C53TP50C

Spínanie v nule, s krytom IP20

50 A

180 - 280 Vst

48 - 530 Vst

D53TP50C

Spínanie v nule, s krytom IP20

50 A

4 - 32 Vss

48 - 530 Vst

D53TP50D

Spínanie v nule, bez krytu IP00

50 A

4 - 32 Vss

48 - 530 Vst


Varianty s okamžitým spínaním, bez RC členov a s iným ovládacím napätím na vyžiadanie.

 

Prečítajte si viac
  • Spínaný prúd 3x 25 alebo 50 A st
  • Ochrana pred prepätím (TVS)
  • S RC členom
  • LED indikácia stavu
342671_536.jpg

D53TP50C - St At.relé 3x50 A 4-32 VDC zero

DR53TP Series IP00.JPG

D53TP50D - St At.relé 3x50 A 4-32 VDC zero

Vybraná varianta

Vybraná varianta

Špecifikácia

Čas odozvy 20 ms
Doba uvoľnenia 30 ms
Hmotnosť 370 g
Izolačné napätie vstup / výstup 4000 V
Napätie záťaže AC
Ovládací napätie 180-260 VAC
Peak current 85
Počet fáz 3
Prevádzková teplota max. 80 °C
Prevádzková teplota min. -40 °C
Šírka 104 mm
Spotreba max. 20 mA
Teplota skladovania do 125 °C
Teplota skladovania od -40 °C
Trieda krytia IP20
Vypínacie napätie 10 V
Výstupné napätie 48-530 VAC
Zaťažovací prúd DC max. 25 A
Zhoda s normami CE, EMC, TÜV, UL

Rozmery a pripojenie

Popis produktu

Trojfázové polovodičové relé pre spínanie prúdov 25 a 50 A s montážou na samostatný chladič. SCR výstup (antiparalelne zapojené tyristory) pre náročné priemyselné aplikácie.
Voliteľne k dispozicií s krytom pre IP20. Voľbu chladiča vykonať podľa charakteristík závislosti prúdu od teploty okolia.
Séria 53TP má integrovanú ochranu proti prepätiu (TVS) a RC člen pre potlačenie rýchlych prechodových dejov na výstupe. K indikácii stavu vstupu je k dispozícii LED.
Relé je vyrobené bezepoxidovou technológiou.

 

Technické parametre

Vstup

Riadiace napätie

4- 32 Vss

180 – 280 Vst

Napätie odpadu

1 V

10 V

Max. riadiaci prúd

35 mA

9 mA

Čas zapnutia pri spínaní "v nule"

8,33/10 ms (60/50 Hz)

28 ms

Max. čas vypnutia

8,33/10 ms (60/50 Hz)

30 ms

 

Výstup

3x 25 A

3x 50 A

Spínané napätie

48 – 530 Vst

48 – 530 Vs

Max. špičkové napätie

1100 Vst

1100 Vst

Max. zaťaženie pri 40 ºC

25 A

50 A

Max. proud v kategorii AC53

5 A

10 A

Min. prúd

100 mArms

100 mArms

Úbytok napätia pri Imax

1,35 V

1,35 V

Spínací prvok

Tyristor

 

Ďalšie parametre

Prevádzková teplota

-40 ºC až + 80 ºC
(pozor na charakteristiku prúd / teplota)

Izolačné napätie vstup/výstup

4000 Vrms

Váha

360 g

Zhoda

IEC 62314
IEC60947-4-3 (AC 51)
IEC60947-4-2 (AC 53a)
CE podľa LVD 72/23/EEC
UL/cUL podľa UL 508
CSA podľa C22.2.no. 14-95
TUV (EN 60950)

 

 

Rozmery

342672_536.jpg

 

Pripojenie

342676_536.jpg

 

Charakteristiky

53TP 25A

53TP 50A

342674_536.jpg

342675_536.jpg

 

Objednávacie informácie

Objednávacie číslo

Popis

Menovitý prúd

Vstupné napätie

Výstupné napätie

C53TP25C

Spínanie v nule, s krytom IP20

25 A

180 - 280 Vst

48 - 530 Vst

D53TP25C

Spínanie v nule, s krytom IP20

25 A

4 - 32 Vss

48 - 530 Vst

D53TP25D

Spínanie v nule, bez krytu IP00

25 A

4 - 32 Vss

48 - 530 Vst

C53TP50C

Spínanie v nule, s krytom IP20

50 A

180 - 280 Vst

48 - 530 Vst

D53TP50C

Spínanie v nule, s krytom IP20

50 A

4 - 32 Vss

48 - 530 Vst

D53TP50D

Spínanie v nule, bez krytu IP00

50 A

4 - 32 Vss

48 - 530 Vst


Varianty s okamžitým spínaním, bez RC členov a s iným ovládacím napätím na vyžiadanie.

 

Príslušenstvo

Objednávacie číslo Ovládací napätie Peak current Trieda krytia Zaťažovací prúd DC max.
180-260 VAC
85
IP20
25 A
4-32 VDC
85
IP20
25 A
4-32 VDC
85
IP00
25 A
180-260 VAC
150
IP20
50 A
4-32 VDC
150
IP20
50 A
4-32 VDC
150
IP00
50 A

Vybraná varianta

Vyberte variant v zozname

Kontakt

Nataliya Mykyta

+421 332 400 160
Zákaznícky servis
Kontaktujte nás:
+421 332 400 160
Potrebujete pomoc?
Logo

Nastavenia cookies oemautomatic.sk

Súbory cookies nám pomáhajú zlepšovať vašu skúsenosť s nami a preto, aby sme mohli narábať s prihlasovacími údajmi, ponúkať personalizovaný obsah a pre základnú funkčnosť tejto webovej stránky používame niektoré súbory cookies.

Nikdy nebudeme predávať žiadne informácie o vás.

Môžete akceptovať všetky súbory cookies alebo prispôsobiť svoje preferencie pre súbory cookies, môžete tiež kedykoľvek zmeniť svoje preferencie týkajúce sa súborov cookies návštevou našej kontaktnej stránky.


Nevyhnutné súbory cookies

Tieto súbory cookies sú nevyhnutné pre fungovanie webovej stránky a nemožno ich v našich systémoch vypnúť. Zvyčajne sa používajú iba v reakcií na akcie, ktoré ste vykonali v súvislosti so žiadosťou o službu, napríklad pri nastavovaní osobných preferencií, prihlásení alebo pri vyplnení formulára.

Súbory cookies pre analýzu a meranie

Tieto súbory nám umožňujú počítať počet návštev a zdroje návštevnosti, aby sme mohli merať a zlepšovať výkonnosť našej webovej stránky. Pomáhajú nám zistiť, ktoré stránky sú viac či menej populárne a ako sa návštevníci po stránke pohybujú. Informácie, ktoré tieto cookies zhromažďujú sú agregované, a teda úplne anonymné. Ak tieto cookies nepovolíte, nevieme, kedy ste navštívili našu webovú stránku.

Marketingové súbory cookies

Tieto súbory cookies môžu pridať naši partneri. Môžu ich použiť na vytvorenie vášho profilu na základe vašich záujmov, aby vám mohli zobrazovať relevantnejšie informácie. Neuchovávajú žiadne osobné informácie – iba informácie o vašom prehliadači a zariadení. Ak tieto cookies neprijmete, budete mať všeobecnejšie a menej prispôsobené užívateľské prostredie.