STEGO

Elektronický termo-hygrostat ETF012 s externým čidlom

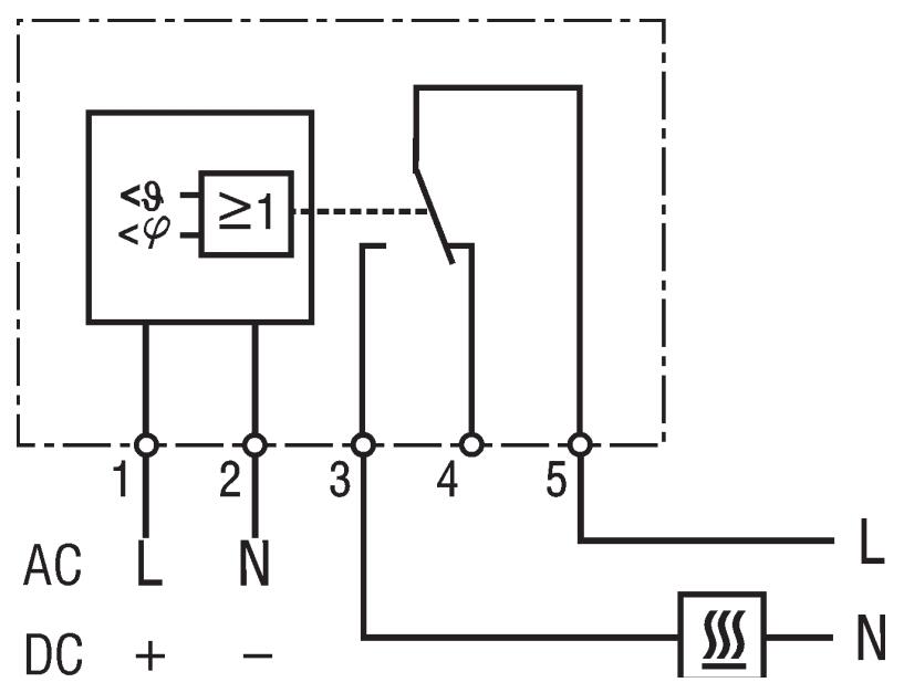
Tento elektronický regulátor sníma relatívnu vlhkosť vzduchu a teplotu. Akonáhle je dosiahnutá niektorá z vopred nastavených hodnôt, spúšťa pomocou reléového kontaktu kúrenie alebo ventilátor. Zamedzuje tak kondenzácii vlhkosti v skriniach a vzniku korózie. LED dióda v otočnom regulátore signalizuje funkciu pripojeného zariadenia. Vzhľadom k svojmu širokému rozsahu napätia môže byť termo-hygrostat využitý kdekoľvek na svete.

Pre presné meranie môže byť externý senzor umiestnený kdekoľvek voľne v skrini.

Prečítajte si viac
  • Nastaviteľná teplota a relatívna vlhkosť
  • Široký rozsah napájania
  • Vysoká spínacia schopnosť
  • S externým senzorom
ETF012_w_sensor.jpg

01231.9-01 - Termo-hygrostat EFT012 s ext.sensorom, kábel 2 m,<br />+32 až +140 °F / 50-90 % 1 CO 100-240 V AC

Vybraná varianta

Vybraná varianta

Špecifikácia

Dĺžka kábla 1000 mm
Druh montáže Pripnúť, DIN lišta
EMC EN 55014-1-2, EN 61000-3-2, EN 61000-3-3
Farba Svetlošedá
Hĺbka 43 mm
Hmotnosť 0,2 kg
Hysteresis Humidity 4% RH @ +25°C, 50% RH
Hysteresis Temperature 2K @ +25°C, 50% RH
Materiál tela Plast
Napetie min 20 V dc
Napätie max. 60 V dc
Náraz max. 30 A
Odolnosť kontaktov <10 mΩ
Ovládanie rozsahu teplot do 60 °C
Ovládanie rozsahu teplot od 0 °C
Ovládanie rozsahu vlhkosti do 90 % RF
Ovládanie rozsahu vlhkosti od 50 % RF
Pracovná teplota -40°C ... +60°C
Prevádzková vlhkosť < 90% RH
Šírka 60 mm
Teplota skladovania -40°C ... +60°C
Trieda horľavosti UL94-V0
Trieda krytia IP20
Typ kontaktu Prepinaci
Vlhkosť skladovania <90% RH
Výška 77 mm
Zhoda s normami CE, cULus, EAC, RoHS, UL, UL E164102, VDE

Popis produktu

Tento elektronický regulátor sníma relatívnu vlhkosť vzduchu a teplotu. Akonáhle je dosiahnutá niektorá z vopred nastavených hodnôt, spúšťa pomocou reléového kontaktu kúrenie alebo ventilátor. Zamedzuje tak kondenzácii vlhkosti v skriniach a vzniku korózie. LED dióda v otočnom regulátore signalizuje funkciu pripojeného zariadenia. Vzhľadom k svojmu širokému rozsahu napätia môže byť termo-hygrostat využitý kdekoľvek na svete.

Pre presné meranie môže byť externý senzor umiestnený kdekoľvek voľne v skrini.

Príslušenstvo

Produktové správy

AIRSTREAM

Spoločnosť LÜTZE predstavuje jedinečný systém chladenia rozvádzačov, ktorý šetrí miesto v rozvádzači, znižuje teplotu komponentov a tým predlžuje ich životnosť.

OEM Automatic Open Days 2025
Události

OEM AUTOMATIC OPEN DAYS 2025

Akcia ponúka príležitosť na stretnutie s našimi inovatívnymi produktmi aj expertmi na aplikácie. Uvidíte dynamické prezentácie najnovších výrobkov, ktoré dokážu digitálne transformovať Vašu prevádzku, zaistiť bezpečnosť strojných zariadení a ďalšie rôzne systémy pre automatizáciu strojov a riešení. Návštevu si môžete spríjemniť skvelým jedlom a pitím, ktoré bude k dispozícii formou rautu.

Seifert Systems Priemyselne chladenia
Produktové správy

SEIFERT SYSTEMS PRIEKOPNÍK V OBLASTI PRIEMYSELNÉHO CHLADENIA

Už viac ako polstoročia je na čele vývoja inovatívnych riešení chladenia, ktoré vyhovujú rôznorodým potrebám priemyslu po celom svete.

Produktové správy

SEIFERT SYSTEMS KOMPLEXNÉ RIEŠENIA PRE KAŽDÚ PRIEMYSELNÚ POTREBU

Spoločnosť Seifert Systems ponúka rôznorodý sortiment modelových produktov, aby uspokojila rôzne chladiace potreby rôznych priemyselných odvetví.

blazecut Haciasy systemy seria T
Produktové správy

PROTIPOŽIANY SYSTÉM SÉRIE S NAJNOVŠÍMI TECHNOLÓGIAMI

BlazeCut je výrobca a špecialista na protipožiarnu ochranu systémov, ktorý dodáva najnovšie technológie.

Produktové správy

SIEŤOVÉ ANALYZÁTORY DIRIS A-100 a A-200

Sieťové analyzátory Diris A-100 a A-200 - nástroje na monitorovanie a kontrolu kvality elektrickej energie

Objednávacie číslo Dĺžka kábla Napetie min Napätie max. Ovládanie rozsahu teplot do Ovládanie rozsahu teplot do Ovládanie rozsahu teplot od Ovládanie rozsahu teplot od
1000 mm
20 V dc
60 V dc
60 °C
0 °C
2000 mm
20 V dc
60 V dc
60 °C
0 °C
1000 mm
90 V ac
265 V ac
60 °C
0 °C
2000 mm
90 V ac
265 V ac
60 °C
0 °C
1000 mm
90 V ac
265 V ac
140 °F
32 °F
2000 mm
90 V ac
265 V ac
140 °F
32 °F

Vybraná varianta

Vyberte variant v zozname

Kontakt

Nataliya Mykyta

+421 332 400 160
Zákaznícky servis
Kontaktujte nás:
+421 332 400 160
Potrebujete pomoc?
Logo

Nastavenia cookies oemautomatic.sk

Súbory cookies nám pomáhajú zlepšovať vašu skúsenosť s nami a preto, aby sme mohli narábať s prihlasovacími údajmi, ponúkať personalizovaný obsah a pre základnú funkčnosť tejto webovej stránky používame niektoré súbory cookies.

Nikdy nebudeme predávať žiadne informácie o vás.

Môžete akceptovať všetky súbory cookies alebo prispôsobiť svoje preferencie pre súbory cookies, môžete tiež kedykoľvek zmeniť svoje preferencie týkajúce sa súborov cookies návštevou našej kontaktnej stránky.


Nevyhnutné súbory cookies

Tieto súbory cookies sú nevyhnutné pre fungovanie webovej stránky a nemožno ich v našich systémoch vypnúť. Zvyčajne sa používajú iba v reakcií na akcie, ktoré ste vykonali v súvislosti so žiadosťou o službu, napríklad pri nastavovaní osobných preferencií, prihlásení alebo pri vyplnení formulára.

Súbory cookies pre analýzu a meranie

Tieto súbory nám umožňujú počítať počet návštev a zdroje návštevnosti, aby sme mohli merať a zlepšovať výkonnosť našej webovej stránky. Pomáhajú nám zistiť, ktoré stránky sú viac či menej populárne a ako sa návštevníci po stránke pohybujú. Informácie, ktoré tieto cookies zhromažďujú sú agregované, a teda úplne anonymné. Ak tieto cookies nepovolíte, nevieme, kedy ste navštívili našu webovú stránku.

Marketingové súbory cookies

Tieto súbory cookies môžu pridať naši partneri. Môžu ich použiť na vytvorenie vášho profilu na základe vašich záujmov, aby vám mohli zobrazovať relevantnejšie informácie. Neuchovávajú žiadne osobné informácie – iba informácie o vašom prehliadači a zariadení. Ak tieto cookies neprijmete, budete mať všeobecnejšie a menej prispôsobené užívateľské prostredie.