STEGO

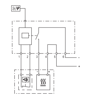
Elektronický hygrostat DCF 010

  • Vysoký spínaný výkon DC
  • Nastavitelná vlhkost
  • Minimální hystereze
  • Optická LED indikace funkce
  • Přesné měření externím senzorem

Vybraná varianta

Vybraná varianta

Špecifikácia

Druh montáže Pripnúť, DIN lišta
Farba Šedá
Hĺbka 44 mm
Hmotnosť 1,2 kg
Hysteresis Humidity 4% RH @ +25°C, 50% RH
Materiál tela Plast
Napetie min 20 V dc
Napätie max. 56 V dc
Ovládanie rozsahu vlhkosti do 90 % RF
Ovládanie rozsahu vlhkosti od 40 % RF
Pracovná teplota -30°C … +40°C
Prevádzková vlhkosť < 90% RH
Šírka 53 mm
Teplota skladovania -40°C ... +80°C
Trieda krytia IP20
Typ kontaktu 1 x N/O (MOSFET) and 1 x N/C (MOSFET)
Vlhkosť skladovania <90% RH
Výška 93 mm
Zhoda s normami CE, cULus, EAC, RoHS, UL, UL E164102, VDE

Príslušenstvo

Produktové správy

AIRSTREAM

Spoločnosť LÜTZE predstavuje jedinečný systém chladenia rozvádzačov, ktorý šetrí miesto v rozvádzači, znižuje teplotu komponentov a tým predlžuje ich životnosť.

OEM Automatic Open Days 2025
Události

OEM AUTOMATIC OPEN DAYS 2025

Akcia ponúka príležitosť na stretnutie s našimi inovatívnymi produktmi aj expertmi na aplikácie. Uvidíte dynamické prezentácie najnovších výrobkov, ktoré dokážu digitálne transformovať Vašu prevádzku, zaistiť bezpečnosť strojných zariadení a ďalšie rôzne systémy pre automatizáciu strojov a riešení. Návštevu si môžete spríjemniť skvelým jedlom a pitím, ktoré bude k dispozícii formou rautu.

Seifert Systems Priemyselne chladenia
Produktové správy

SEIFERT SYSTEMS PRIEKOPNÍK V OBLASTI PRIEMYSELNÉHO CHLADENIA

Už viac ako polstoročia je na čele vývoja inovatívnych riešení chladenia, ktoré vyhovujú rôznorodým potrebám priemyslu po celom svete.

Produktové správy

SEIFERT SYSTEMS KOMPLEXNÉ RIEŠENIA PRE KAŽDÚ PRIEMYSELNÚ POTREBU

Spoločnosť Seifert Systems ponúka rôznorodý sortiment modelových produktov, aby uspokojila rôzne chladiace potreby rôznych priemyselných odvetví.

blazecut Haciasy systemy seria T
Produktové správy

PROTIPOŽIANY SYSTÉM SÉRIE S NAJNOVŠÍMI TECHNOLÓGIAMI

BlazeCut je výrobca a špecialista na protipožiarnu ochranu systémov, ktorý dodáva najnovšie technológie.

Produktové správy

SIEŤOVÉ ANALYZÁTORY DIRIS A-100 a A-200

Sieťové analyzátory Diris A-100 a A-200 - nástroje na monitorovanie a kontrolu kvality elektrickej energie

Objednávacie číslo Pracovná teplota
-30°C … +40°C
-30°C … +50°C
-30°C … +60°C

Vybraná varianta

Vyberte variant v zozname

Kontakt

Nataliya Mykyta

+421 332 400 160
Zákaznícky servis
Kontaktujte nás:
+421 332 400 160
Potrebujete pomoc?
Logo

Nastavenia cookies oemautomatic.sk

Súbory cookies nám pomáhajú zlepšovať vašu skúsenosť s nami a preto, aby sme mohli narábať s prihlasovacími údajmi, ponúkať personalizovaný obsah a pre základnú funkčnosť tejto webovej stránky používame niektoré súbory cookies.

Nikdy nebudeme predávať žiadne informácie o vás.

Môžete akceptovať všetky súbory cookies alebo prispôsobiť svoje preferencie pre súbory cookies, môžete tiež kedykoľvek zmeniť svoje preferencie týkajúce sa súborov cookies návštevou našej kontaktnej stránky.


Nevyhnutné súbory cookies

Tieto súbory cookies sú nevyhnutné pre fungovanie webovej stránky a nemožno ich v našich systémoch vypnúť. Zvyčajne sa používajú iba v reakcií na akcie, ktoré ste vykonali v súvislosti so žiadosťou o službu, napríklad pri nastavovaní osobných preferencií, prihlásení alebo pri vyplnení formulára.

Súbory cookies pre analýzu a meranie

Tieto súbory nám umožňujú počítať počet návštev a zdroje návštevnosti, aby sme mohli merať a zlepšovať výkonnosť našej webovej stránky. Pomáhajú nám zistiť, ktoré stránky sú viac či menej populárne a ako sa návštevníci po stránke pohybujú. Informácie, ktoré tieto cookies zhromažďujú sú agregované, a teda úplne anonymné. Ak tieto cookies nepovolíte, nevieme, kedy ste navštívili našu webovú stránku.

Marketingové súbory cookies

Tieto súbory cookies môžu pridať naši partneri. Môžu ich použiť na vytvorenie vášho profilu na základe vašich záujmov, aby vám mohli zobrazovať relevantnejšie informácie. Neuchovávajú žiadne osobné informácie – iba informácie o vašom prehliadači a zariadení. Ak tieto cookies neprijmete, budete mať všeobecnejšie a menej prispôsobené užívateľské prostredie.