STEGO
LED 025 možno použiť do všetkých typov rozvádzačov alebo inštalačných skríň, zvlášť pre zariadenia, kde je málo miesta. Svetlo má dlhú životnosť a prináša úspory v prevádzke a údržbe.
LED 025 je k dispozícii v troch rôznych montážnych konfiguráciách:
Magnetická montáž - montuje sa rýchlo pomocou magnetických úchytov,
Skrutková montáž - tradičná montáž pomocou skrutiek,
Klip-montáž - nasadzuje sa do priskrutkovaného držiaku
V prípade potreby možno zapojiť do reťazca až 10 svietidiel (verzia DC 12 V až 5 svetiel), ktoré môžu byť rýchlo prepojené pomocou káblov s konektormi zaistenými zámkami.
LED025 má rovnakú svietivosť ako 75W žiarovka, ale spotreba je iba 5W.
| Dĺžka | 351 mm | 
|---|---|
| Druh montáže | Skrutková montáž | 
| Farba | Transparentná | 
| Hmotnosť | 0,2 kg | 
| Materiál tela | Plast | 
| Menovité napätie | 24-48 V DC | 
| Napetie min | 20 V dc | 
| Napätie max. | 60 V dc | 
| Pracovná teplota | -30°C ... +60°C | 
| Prevádzková vlhkosť | < 90% RH | 
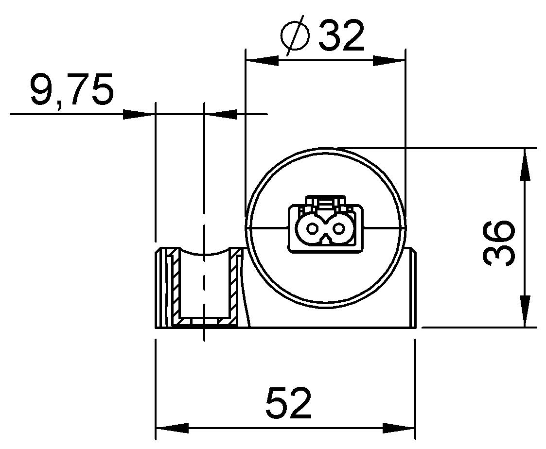
| Šírka | 52 mm | 
| Spotreba | 5 W | 
|---|---|
| Teplota skladovania | -40°C ... +85°C | 
| Trieda krytia | IP20 | 
| Trieda ochrany | II (dvojitá izolácia) | 
| Typ spínanie | Prepínač | 
| Vlhkosť skladovania | <90% RH | 
| Výška | 34 mm | 
| Zdroj svetla | LED | 
| Zhoda s normami | CE, cULus, EAC, RoHS, UL, UL E234324, VDE | 
LED 025 možno použiť do všetkých typov rozvádzačov alebo inštalačných skríň, zvlášť pre zariadenia, kde je málo miesta. Svetlo má dlhú životnosť a prináša úspory v prevádzke a údržbe.
LED 025 je k dispozícii v troch rôznych montážnych konfiguráciách:
Magnetická montáž - montuje sa rýchlo pomocou magnetických úchytov,
Skrutková montáž - tradičná montáž pomocou skrutiek,
Klip-montáž - nasadzuje sa do priskrutkovaného držiaku
V prípade potreby možno zapojiť do reťazca až 10 svietidiel (verzia DC 12 V až 5 svetiel), ktoré môžu byť rýchlo prepojené pomocou káblov s konektormi zaistenými zámkami.
LED025 má rovnakú svietivosť ako 75W žiarovka, ale spotreba je iba 5W.
              Spoločnosť LÜTZE predstavuje jedinečný systém chladenia rozvádzačov, ktorý šetrí miesto v rozvádzači, znižuje teplotu komponentov a tým predlžuje ich životnosť.
              Akcia ponúka príležitosť na stretnutie s našimi inovatívnymi produktmi aj expertmi na aplikácie. Uvidíte dynamické prezentácie najnovších výrobkov, ktoré dokážu digitálne transformovať Vašu prevádzku, zaistiť bezpečnosť strojných zariadení a ďalšie rôzne systémy pre automatizáciu strojov a riešení. Návštevu si môžete spríjemniť skvelým jedlom a pitím, ktoré bude k dispozícii formou rautu.
              Už viac ako polstoročia je na čele vývoja inovatívnych riešení chladenia, ktoré vyhovujú rôznorodým potrebám priemyslu po celom svete.
              Spoločnosť Seifert Systems ponúka rôznorodý sortiment modelových produktov, aby uspokojila rôzne chladiace potreby rôznych priemyselných odvetví.
              BlazeCut je výrobca a špecialista na protipožiarnu ochranu systémov, ktorý dodáva najnovšie technológie.
              Sieťové analyzátory Diris A-100 a A-200 - nástroje na monitorovanie a kontrolu kvality elektrickej energie
| 
                   | 
                
                   | 
                
                   | 
                
                   | 
                
                   | 
              ||
|---|---|---|---|---|---|---|
| 
                     | 
                  
                     | 
                  
                     | 
                  
                     | 
                  
                     | 
                ||
| 
                     | 
                  
                     | 
                  
                     | 
                  
                     | 
                  
                     | 
                ||
| 
                     | 
                  
                     | 
                  
                     | 
                  
                     | 
                  
                     | 
                ||
| 
                     | 
                  
                     | 
                  
                     | 
                  
                     | 
                  
                     | 
                ||
| 
                     | 
                  
                     | 
                  
                     | 
                  
                     | 
                  
                     | 
                ||
| 
                     | 
                  
                     | 
                  
                     | 
                  
                     | 
                  
                     | 
                
| Objednávacie číslo | Druh montáže | Menovité napätie | Napetie min | Napätie max. | Šírka | Typ spínanie | Výška | Zhoda s normami | |||
|---|---|---|---|---|---|---|---|---|---|---|---|
| 
   
      
        Svetl.rada LED025 100-230 V AC
      
      
       
  
        Položka:
         
    
          
            02540.0-01
          
          Skopírované
         
       | 
  
        
           
            Skrutková montáž 
            
            
           
         | 
        
           
            100-240 V AC 
            
            
           
         | 
        
           
            90 V ac 
            
            
           
         | 
        
           
            265 V ac 
            
            
           
         | 
        
           
            52 mm
            
            
           
         | 
        
           
            Prepínač 
            
            
           
         | 
        
           
            34 mm
            
            
           
         | 
        
           
            CE, cULus, EAC, RoHS, UL, UL E234324, VDE 
            
            
           
         | 
     |   ||
| 
   
      
        Svet.rada LED025 100-230 V AC na magnet
      
      
       
  
        Položka:
         
    
          
            02540.0-00
          
          Skopírované
         
       | 
  
        
           
            Magnetická montáž 
            
            
           
         | 
        
           
            100-240 V AC 
            
            
           
         | 
        
           
            90 V ac 
            
            
           
         | 
        
           
            265 V ac 
            
            
           
         | 
        
           
            32 mm
            
            
           
         | 
        
           
            Prepínač 
            
            
           
         | 
        
           
            34 mm
            
            
           
         | 
        
           
            CE, cULus, EAC, RoHS, UL, UL E234324, VDE 
            
            
           
         | 
     |   ||
| 
   
      
        Svet.rada LED025 100-230 V AC
      
      
       
  
        Položka:
         
    
          
            02540.0-03
          
          Skopírované
         
       | 
  
        
           
            Pripnúť 
            
            
           
         | 
        
           
            100-240 V AC 
            
            
           
         | 
        
           
            90 V ac 
            
            
           
         | 
        
           
            265 V ac 
            
            
           
         | 
        
           
            40 mm
            
            
           
         | 
        
           
            Prepínač 
            
            
           
         | 
        
           
            42 mm
            
            
           
         | 
        
           
            CE, cULus, EAC, RoHS, UL, UL E234324, VDE 
            
            
           
         | 
     |   ||
| 
   
      
        Svet.rada LED025 24-48 V DC skrutka/PIR
      
      
       
  
        Položka:
         
    
          
            02541.1-01
          
          Skopírované
         
       | 
  
        
           
            Skrutková montáž 
            
            
           
         | 
        
           
            24-48 V DC 
            
            
           
         | 
        
           
            20 V dc 
            
            
           
         | 
        
           
            60 V dc 
            
            
           
         | 
        
           
            52 mm
            
            
           
         | 
        
           
            IR senzor 
            
            
           
         | 
        
           
            41 mm
            
            
           
         | 
        
           
            CE, cULus, EAC, RoHS, UL, UL E234324, VDE 
            
            
           
         | 
     |   ||
| 
   
      
        Svet.rada LED025 100-230 V AC na magnet/PIR
      
      
       
  
        Položka:
         
    
          
            02541.0-00
          
          Skopírované
         
       | 
  
        
           
            Magnetická montáž 
            
            
           
         | 
        
           
            100-240 V AC 
            
            
           
         | 
        
           
            90 V ac 
            
            
           
         | 
        
           
            265 V ac 
            
            
           
         | 
        
           
            32 mm
            
            
           
         | 
        
           
            IR senzor 
            
            
           
         | 
        
           
            39 mm
            
            
           
         | 
        
           
            CE, cULus, EAC, RoHS, UL, UL E234324, VDE 
            
            
           
         | 
     |   ||
| 
   
      
        Svet.rada LED025 100-230 V AC skrutka/PIR
      
      
       
  
        Položka:
         
    
          
            02541.0-01
          
          Skopírované
         
       | 
  
        
           
            Skrutková montáž 
            
            
           
         | 
        
           
            100-240 V AC 
            
            
           
         | 
        
           
            90 V ac 
            
            
           
         | 
        
           
            265 V ac 
            
            
           
         | 
        
           
            52 mm
            
            
           
         | 
        
           
            IR senzor 
            
            
           
         | 
        
           
            41 mm
            
            
           
         | 
        
           
            CE, cULus, EAC, RoHS, UL, UL E234324, VDE 
            
            
           
         | 
     |   ||
| 
   
      
        Svet.rada LED025 24-48 V DCC na magnet/PIR
      
      
       
  
        Položka:
         
    
          
            02541.1-00
          
          Skopírované
         
       | 
  
        
           
            Magnetická montáž 
            
            
           
         | 
        
           
            24-48 V DC 
            
            
           
         | 
        
           
            20 V dc 
            
            
           
         | 
        
           
            60 V dc 
            
            
           
         | 
        
           
            32 mm
            
            
           
         | 
        
           
            IR senzor 
            
            
           
         | 
        
           
            39 mm
            
            
           
         | 
        
           
            CE, cULus, EAC, RoHS, UL, UL E234324, VDE 
            
            
           
         | 
     |   ||
| 
   
      
        Svet.rada LED025 24-48 V DC na magnet
      
      
       
  
        Položka:
         
    
          
            02540.1-00
          
          Skopírované
         
       | 
  
        
           
            Magnetická montáž 
            
            
           
         | 
        
           
            24-48 V DC 
            
            
           
         | 
        
           
            20 V dc 
            
            
           
         | 
        
           
            60 V dc 
            
            
           
         | 
        
           
            32 mm
            
            
           
         | 
        
           
            Prepínač 
            
            
           
         | 
        
           
            34 mm
            
            
           
         | 
        
           
            CE, cULus, EAC, RoHS, UL, UL E234324, VDE 
            
            
           
         | 
     |   ||
| 
   
      
        Svetl.rada LED025 24-48 V DC
      
      
       
  
        Položka:
         
    
          
            02540.1-01
          
          Skopírované
         
       | 
  
        
           
            Skrutková montáž 
            
            
           
         | 
        
           
            24-48 V DC 
            
            
           
         | 
        
           
            20 V dc 
            
            
           
         | 
        
           
            60 V dc 
            
            
           
         | 
        
           
            52 mm
            
            
           
         | 
        
           
            Prepínač 
            
            
           
         | 
        
           
            34 mm
            
            
           
         | 
        
           
            CE, cULus, EAC, RoHS, UL, UL E234324, VDE 
            
            
           
         | 
     |   ||
| 
   
      
        Svet.rada LED025 24-48 V DC
      
      
       
  
        Položka:
         
    
          
            02540.1-03
          
          Skopírované
         
       | 
  
        
           
            Pripnúť 
            
            
           
         | 
        
           
            24-48 V DC 
            
            
           
         | 
        
           
            20 V dc 
            
            
           
         | 
        
           
            60 V dc 
            
            
           
         | 
        
           
            40 mm
            
            
           
         | 
        
           
            Prepínač 
            
            
           
         | 
        
           
            42 mm
            
            
           
         | 
        
           
            CE, cULus, EAC, RoHS, UL, UL E234324, VDE 
            
            
           
         | 
     |   ||
| 
   
      
        Svet.rada LED025 24-48 V DC clip/PIR
      
      
       
  
        Položka:
         
    
          
            02541.1-03
          
          Skopírované
         
       | 
  
        
           
            Pripnúť 
            
            
           
         | 
        
           
            24-48 V DC 
            
            
           
         | 
        
           
            20 V dc 
            
            
           
         | 
        
           
            60 V dc 
            
            
           
         | 
        
           
            40 mm
            
            
           
         | 
        
           
            IR senzor 
            
            
           
         | 
        
           
            47,3 mm
            
            
           
         | 
        
           
            CE, cULus, EAC, RoHS, UL, UL E234324, VDE 
            
            
           
         | 
     |   ||
| 
   
      
        Svet.rada LED025 100-230 V AC clip/PIR
      
      
       
  
        Položka:
         
    
          
            02541.0-03
          
          Skopírované
         
       | 
  
        
           
            Pripnúť 
            
            
           
         | 
        
           
            100-240 V AC 
            
            
           
         | 
        
           
            90 V ac 
            
            
           
         | 
        
           
            265 V ac 
            
            
           
         | 
        
           
            40 mm
            
            
           
         | 
        
           
            IR senzor 
            
            
           
         | 
        
           
            47,3 mm
            
            
           
         | 
        
           
            CE, cULus, EAC, RoHS, UL, UL E234324, VDE 
            
            
           
         | 
     |   ||
| 
   
      
        Svet.rada LED025 12 V DC na magnet
      
      
       
  
        Položka:
         
    
          
            02540.2-00
          
          Skopírované
         
       | 
  
        
           
            Magnetická montáž 
            
            
           
         | 
        
           
            12 V DC 
            
            
           
         | 
        
           
            10 V dc 
            
            
           
         | 
        
           
            16 V dc 
            
            
           
         | 
        
           
            32 mm
            
            
           
         | 
        
           
            Prepínač 
            
            
           
         | 
        
           
            34 mm
            
            
           
         | 
        
           
            CE, cULus, EAC, RoHS, UL, UL E234324 
            
            
           
         | 
     |   
Vyberte variant v zozname
            
        Nataliya Mykyta