IXTHUS
| Linearita | ±0,07 % (50-375 mm), ±0,05 % (400-3 000 mm) | 
|---|---|
| Napájacie napätie max | 60 V | 
| Odolnosť proti vibráciám | IEC 68-21968 40 G | 
| Odolnosť proti vibráciám | IEC 68-2-6:1982 10 G | 
| Odpor | ≤10 mA | 
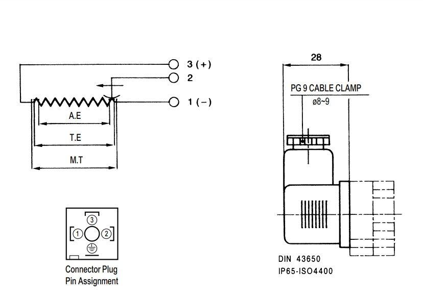
| Opakovateľnosť | ±0,01 mm | 
| Pracovná rýchlosť max | 10 m/s | 
| Pracovná sila | ≤2 N (KTC), ≤10 N (KTC-P) | 
| Prevádzková teplota max. | 100 °C | 
| Prevádzková teplota min. | -30 °C | 
| Rozlišenie | ∞ | 
| Spotreba max | 10 W | 
| Spotreba min | 3 W | 
| Teplota skladovania do | 120 °C | 
| Teplota skladovania od | -50 °C | 
| Trieda krytia | IP65, IP60 | 
| Vodič | ≤1 mA | 
| Zdvih max | 1250 mm | 
| Zdvih min | 50 mm | 
Lineárne senzory radu KTC sú určené pre priame meranie až do vzdialenosti 1250 mm. Senzory KTC majú absolútne rozlíšenie, opakovateľnosť ± 0,01 mm a linearitu max. ± 0,05%. Rad KTC má nerezový hriadeľ a robustné telo, ktoré zaisťuje vysokú odolnosť a dlhú životnosť. Vylepšená technológia (Double Trimming Technoque) zaisťuje vysokú spoľahlivosť a presnosť.
 
              Komplexný sortiment snímačov tlaku a teploty, manometrov a ďalších komponentov pre vodíkové aplikácie od spoločnosti WIKA
 
              Tecnoplastic je talianska výrobná spoločnosť založená v roku 1994, ktorá ponúka plavákové spínače a filtre na pitnú vodu. Výroba prebieha v závode neďaleko Benátok.
 
              Akcia ponúka príležitosť na stretnutie s našimi inovatívnymi produktmi aj expertmi na aplikácie. Uvidíte dynamické prezentácie najnovších výrobkov, ktoré dokážu digitálne transformovať Vašu prevádzku, zaistiť bezpečnosť strojných zariadení a ďalšie rôzne systémy pre automatizáciu strojov a riešení. Návštevu si môžete spríjemniť skvelým jedlom a pitím, ktoré bude k dispozícii formou rautu.
 
              Riešite nefunkčný magnetický prietokomer? Súčasný dodávateľ vám ponúka dlhú dodaciu lehotu?
 
              Zvyšte flexibilitu automatizácie a výkon pneumatických systémov
 
              Bezpečnostné oplotenie strojov a robotov je kľúčové pre ochranu zamestnancov v automatizovaných prevádzkach a musí spĺňať prísne normy. Spoločnosť Protec ponúka modulárny systém oplotenia, ktorý je v súlade s európskymi predpismi, ľahko sa inštaluje a pomáha znižovať riziko úrazov pri zabezpečení efektívnej prevádzky.
 
            
        Nataliya Mykyta