TECSIS
| Hmotnosť | 200 g |
|---|---|
| Napájacie napätie DC max. | 30 V DC |
| Napájacie napätie DC min. | 15 V DC |
| Reakčná doba | 1 ms |
| Rozsah teplotnej kompenzácie do | 50 °C |
| Rozsah teplotnej kompenzácie od | 0 °C |
| Teplota okolia do | 50 °C |
| Teplota okolia od | -20 °C |
| Trieda krytia | IP65 |
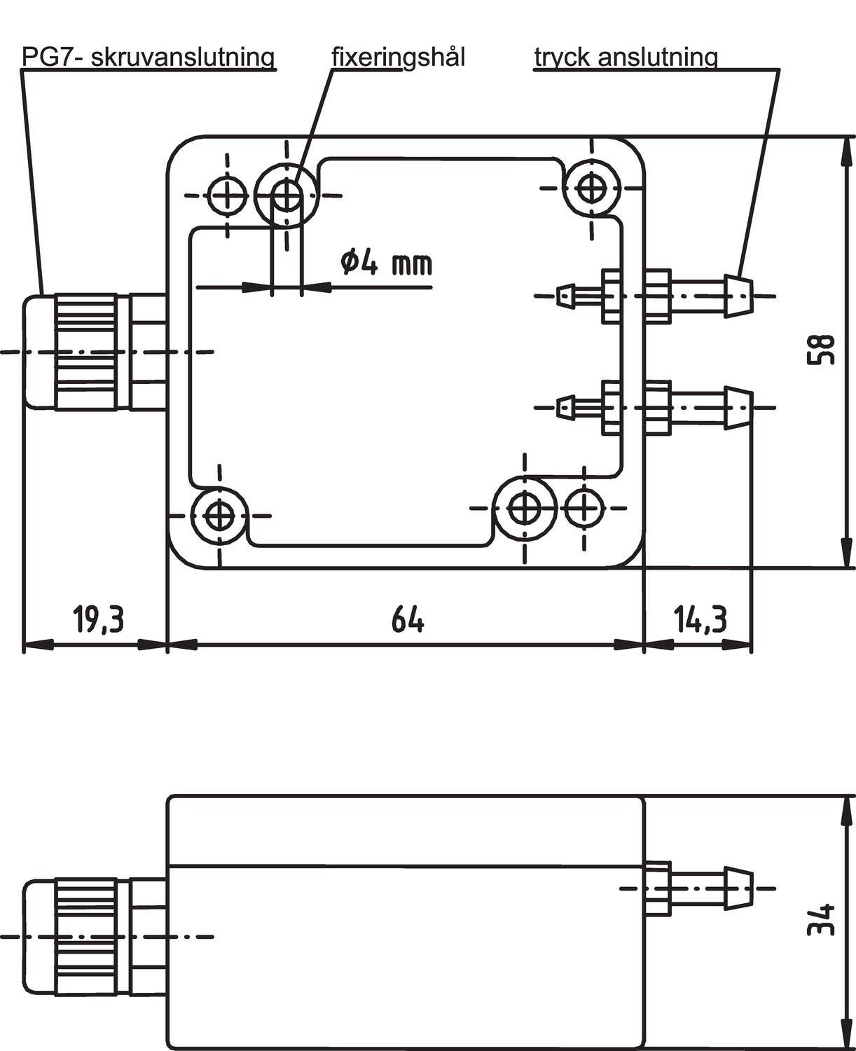
Model P3317 je určený pre meranie podtlaku a nadtlaku, ale vždy ako diferenciálna hodnota. Typickými aplikáciami sú vetracie, vykurovacie systémy a monitoring filtrov. Robustný, hliníkový kryt zaručuje mechanickú odolnosť a EMC požiadavky. Verzia s displejom má jednoduché nastavenie nulového bodu na prednom paneli. Táto verzia má plastové prevedenie (ABS).
Komplexný sortiment snímačov tlaku a teploty, manometrov a ďalších komponentov pre vodíkové aplikácie od spoločnosti WIKA
Tecnoplastic je talianska výrobná spoločnosť založená v roku 1994, ktorá ponúka plavákové spínače a filtre na pitnú vodu. Výroba prebieha v závode neďaleko Benátok.
Akcia ponúka príležitosť na stretnutie s našimi inovatívnymi produktmi aj expertmi na aplikácie. Uvidíte dynamické prezentácie najnovších výrobkov, ktoré dokážu digitálne transformovať Vašu prevádzku, zaistiť bezpečnosť strojných zariadení a ďalšie rôzne systémy pre automatizáciu strojov a riešení. Návštevu si môžete spríjemniť skvelým jedlom a pitím, ktoré bude k dispozícii formou rautu.
Riešite nefunkčný magnetický prietokomer? Súčasný dodávateľ vám ponúka dlhú dodaciu lehotu?
Zvyšte flexibilitu automatizácie a výkon pneumatických systémov
AFAG je dodávateľom manipulačných systémov pre automatizáciu výroby, ktorý ponúka komponenty ako podávače a uchopovače. Ich modulárne systémy umožňujú jednoduchú montáž a rozšírenie riešení na mieru, čím zjednodušujú konštrukciu a montáž a skracujú čas uvedenia do prevádzky.
|
|
|
|
|
|
||
|---|---|---|---|---|---|---|
|
|
|
|
|
|
||
|
|
|
|
|
|
||
|
|
|
|
|
|
||
|
|
|
|
|
|
||
|
|
|
|
|
|
||
|
|
|
|
|
|
| Objednávacie číslo | Tlakový rozsah | |||
|---|---|---|---|---|
|
Snímac tlakovej diferencie 0..1 mbar,, 4-20 mA
Položka:
P3317M053001
Skopírované
|
|
| ||
|
Snímac tlakovej diferencie 0..2,5 mbar, 4-20 mA
Položka:
P3317M055001
Skopírované
|
|
| ||
|
Snímac tlakovej diferencie 0..5 mbar, 4-20 mA
Položka:
P3317M915001
Skopírované
|
|
| ||
|
Snímac tlakovej diferencie 0..10 mbar, 4-20 mA
Položka:
P3317M058001
Skopírované
|
|
| ||
|
Snímac tlakovej diferencie 0..25 mbar, 4-20 mA
Položka:
P3317M060001
Skopírované
|
25 bar
|
| ||
|
Snímac tlakovej diferencie 0..100 mbar, 4-20 mA
Položka:
P3317M063001
Skopírované
|
100 bar
|
| ||
|
Snímac tlakovej diferencie 0..250 mbar, 4-20 mA
Položka:
P3317M065001
Skopírované
|
|
| ||
|
Snímac tlakovej diferencie 0..1000 mbar, 4-20 mA
Položka:
P3317M095001
Skopírované
|
|
| ||
|
Snímač tlakovej diferencie 0..50 mbar, 4-20 mA
Položka:
P3317M744001
Skopírované
|
|
| ||
|
Snímac tlakovej diferencie 0..500 mbar, 4-20 mA
Položka:
P3317M187001
Skopírované
|
|
| ||
|
Snímac tlakovej diferencie 0..1 mbar, 0-10 V
Položka:
P3317M053101
Skopírované
|
|
| ||
|
Snímac tlakovej diferencie 0..2,5 mbar, 0-10 V
Položka:
P3317M055101
Skopírované
|
|
| ||
|
Snímac tlakovej diferencie 0..5 mbar, 0-10 V
Položka:
P3317M915101
Skopírované
|
|
| ||
|
Snímac tlakovej diferencie 0..10 mbar, 0-10 V
Položka:
P3317M058101
Skopírované
|
|
| ||
|
Snímac tlakovej diferencie 0..25 mbar, 0-10 V
Položka:
P3317M060101
Skopírované
|
25 bar
|
| ||
|
Snímac tlakovej diferencie 0..50 mbar, 0-10 V
Položka:
P3317M744101
Skopírované
|
|
| ||
|
Snímac tlakovej diferencie 0..100 mbar, 0-10 V
Položka:
P3317M063101
Skopírované
|
100 bar
|
| ||
|
Snímac tlakovej diferencie 0..250 mbar, 0-10 V
Položka:
P3317M065101
Skopírované
|
|
| ||
|
Snímac tlakovej diferencie 0..500 mbar, 0-10 V
Položka:
P3317M187101
Skopírované
|
|
| ||
|
Snímac tlakovej diferencie 0..1000 mbar, 0-10 V
Položka:
P3317M095101
Skopírované
|
|
| ||
|
Snímac tlakovej diferencie 0..1 mbar, 4-20 mA, display
Položka:
P3317M053401
Skopírované
|
|
| ||
|
Snímac tlakovej diferencie 0..2,5 mbar, 4-20 mA, display
Položka:
P3317M055401
Skopírované
|
|
| ||
|
Snímac tlakovej diferencie 0..5 mbar, 4-20 mA, display
Položka:
P3317M915401
Skopírované
|
|
| ||
|
Snímac tlakovej diferencie 0..10 mbar, 4-20 mA, display
Položka:
P3317M058401
Skopírované
|
|
| ||
|
Snímac tlakovej diferencie 0..25 mbar, 4-20 mA, display
Položka:
P3317M060401
Skopírované
|
25 bar
|
| ||
|
Snímac tlakovej diferencie 0..50 mbar, 4-20 mA, display
Položka:
P3317M744401
Skopírované
|
|
| ||
|
Snímac tlakovej diferencie 0..100 mbar, 4-20 mA, display
Položka:
P3317M063401
Skopírované
|
100 bar
|
| ||
|
Snímac tlakovej diferencie ..250 mbar, 4-20 mA, display
Položka:
P3317M065401
Skopírované
|
250 bar
|
| ||
|
Snímac tlakovej diferencie 0..500 mbar, 4-20 mA, display
Položka:
P3317M187401
Skopírované
|
|
| ||
|
Snímac tlakovej diferencie 0..1000 mbar, 4-20 mA, display
Položka:
P3317M095401
Skopírované
|
|
|
Vyberte variant v zozname
Nataliya Mykyta