Vážení zákazníci, v dňoch od 23.12.2025 do 1.1.2026 bude uzavretý sklad spoločnosti OEM Automatic s r. o. Posledná expedícia tento rok prebehne 17.12.2025.
Dear suppliers, our warehouse will be closed 23.12.2025 - 1.1.2026. Last inbound in this year will be possible till 19.12.2025.
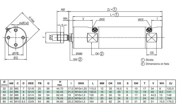
| Jadro a pevné jadro | POM |
|---|---|
| Materiál čela | Nerezová oceľ 304 |
| Materiál tesnenia | FPM |
| Piestnica | Nerezová oceľ 303 |
| Pracovný tlak max. | 10 bar |
| Prevádzková teplota max. | 80 °C |
| Prevádzková teplota min. | -20 °C |
| Priemer piestu | 32 mm |
| Tesnenie piestnice | FPM |
| Tesnenie piestu | PUR |
| Valec | Nerezová oceľ 304 |
| Vnútorný piest | POM |
| Zdvih | 25 mm |
L3 Neo je nová generácia snímačov hladiny a tlaku - vyššia presnosť, vyššia spoľahlivosť , jednoduchšie použitie
Ventily a zariadenia z nehrdzavejúcej ocele pre priemyselné procesy v potravinárskom, farmaceutickom a kozmetickom priemysle
Nová generácia ovládacích control topov Sorio® – inteligentné, ľahko použiteľné, adaptabilné pre všetky typy ventilov. Je k dispozícii vo verziách digital, AS-i, a iO-link a ponúka inovatívne nové funkcie s rozsiahlym a okamžite dostupným zdrojom informácií.
Akcia ponúka príležitosť na stretnutie s našimi inovatívnymi produktmi aj expertmi na aplikácie. Uvidíte dynamické prezentácie najnovších výrobkov, ktoré dokážu digitálne transformovať Vašu prevádzku, zaistiť bezpečnosť strojných zariadení a ďalšie rôzne systémy pre automatizáciu strojov a riešení. Návštevu si môžete spríjemniť skvelým jedlom a pitím, ktoré bude k dispozícii formou rautu.
Riešite nefunkčný magnetický prietokomer? Súčasný dodávateľ vám ponúka dlhú dodaciu lehotu?
Zvyšte flexibilitu automatizácie a výkon pneumatických systémov
|
|
|
|
|
|
||
|---|---|---|---|---|---|---|
|
|
|
|
|
|
||
|
|
|
|
|
|
||
|
|
|
|
|
|
||
|
|
|
|
|
|
||
|
|
|
|
|
|
||
|
|
|
|
|
|
| Objednávacie číslo | Priemer piestu | Zdvih | |||
|---|---|---|---|---|---|
Pneumatický válec Ø32, 25 mm
Položka:
G431A33K0025A00
Skopírované
|
32 mm
|
25 mm
|
| ||
Pneumatický válec Ø32, 50 mm
Položka:
G431A33K0050A00
Skopírované
|
32 mm
|
50 mm
|
| ||
Pneumatický válec Ø32, 80 mm
Položka:
G431A33K0080A00
Skopírované
|
32 mm
|
80 mm
|
| ||
Pneumatický válec Ø32, 100 mm
Položka:
G431A33K0100A00
Skopírované
|
32 mm
|
100 mm
|
| ||
Pneumatický válec Ø32, 125 mm
Položka:
G431A33K0125A00
Skopírované
|
32 mm
|
125 mm
|
| ||
Pneumatický válec Ø32, 160 mm
Položka:
G431A33K0160A00
Skopírované
|
32 mm
|
160 mm
|
| ||
Pneumatický válec Ø32, 200 mm
Položka:
G431A33K0200A00
Skopírované
|
32 mm
|
200 mm
|
| ||
Pneumatický válec Ø32, 250 mm
Položka:
G431A33K0250A00
Skopírované
|
32 mm
|
250 mm
|
| ||
Pneumatický válec Ø32, 1000 mm
Položka:
G431A33K1000A00
Skopírované
|
32 mm
|
1000 mm
|
| ||
Pneumatický válec Ø40, 25 mm
Položka:
G431A43K0025A00
Skopírované
|
40 mm
|
25 mm
|
| ||
Pneumatický válec Ø40, 50 mm
Položka:
G431A43K0050A00
Skopírované
|
40 mm
|
50 mm
|
| ||
Pneumatický válec Ø40, 80 mm
Položka:
G431A43K0080A00
Skopírované
|
40 mm
|
80 mm
|
| ||
Pneumatický válec Ø40, 100 mm
Položka:
G431A43K0100A00
Skopírované
|
40 mm
|
100 mm
|
| ||
Pneumatický válec Ø40, 125 mm
Položka:
G431A43K0125A00
Skopírované
|
40 mm
|
125 mm
|
| ||
Pneumatický válec Ø40, 160 mm
Položka:
G431A43K0160A00
Skopírované
|
40 mm
|
160 mm
|
| ||
Pneumatický válec Ø40, 200 mm
Položka:
G431A43K0200A00
Skopírované
|
40 mm
|
200 mm
|
| ||
Pneumatický válec Ø40, 250 mm
Položka:
G431A43K0250A00
Skopírované
|
40 mm
|
250 mm
|
| ||
Pneumatický válec Ø40, 320 mm
Položka:
G431A43K0320A00
Skopírované
|
40 mm
|
320 mm
|
| ||
Pneumatický válec Ø40, 400 mm
Položka:
G431A43K0400A00
Skopírované
|
40 mm
|
400 mm
|
| ||
Pneumatický válec Ø40, 1000 mm
Položka:
G431A43K1000A00
Skopírované
|
40 mm
|
1000 mm
|
| ||
Pneumatický válec Ø50, 25 mm
Položka:
G431A53K0025A00
Skopírované
|
50 mm
|
25 mm
|
| ||
Pneumatický válec Ø50, 50 mm
Položka:
G431A53K0050A00
Skopírované
|
50 mm
|
50 mm
|
| ||
Pneumatický válec Ø50, 80 mm
Položka:
G431A53K0080A00
Skopírované
|
50 mm
|
80 mm
|
| ||
Pneumatický válec Ø50, 100 mm
Položka:
G431A53K0100A00
Skopírované
|
50 mm
|
100 mm
|
| ||
Pneumatický válec Ø50, 125 mm
Položka:
G431A53K0125A00
Skopírované
|
50 mm
|
125 mm
|
| ||
Pneumatický válec Ø50, 160 mm
Položka:
G431A53K0160A00
Skopírované
|
50 mm
|
160 mm
|
| ||
Pneumatický válec Ø50, 200 mm
Položka:
G431A53K0200A00
Skopírované
|
50 mm
|
200 mm
|
| ||
Pneumatický válec Ø50, 250 mm
Položka:
G431A53K0250A00
Skopírované
|
50 mm
|
250 mm
|
| ||
Pneumatický válec Ø50, 320 mm
Položka:
G431A53K0320A00
Skopírované
|
50 mm
|
320 mm
|
| ||
Pneumatický válec Ø50, 400 mm
Položka:
G431A53K0400A00
Skopírované
|
50 mm
|
400 mm
|
| ||
Pneumatický válec Ø50, 500 mm
Položka:
G431A53K0500A00
Skopírované
|
50 mm
|
500 mm
|
| ||
Pneumatický válec Ø50, 1000 mm
Položka:
G431A53K1000A00
Skopírované
|
50 mm
|
1000 mm
|
| ||
Pneumatický válec Ø63, 25 mm
Položka:
G431A63K0025A00
Skopírované
|
63 mm
|
25 mm
|
| ||
Pneumatický válec Ø63, 50 mm
Položka:
G431A63K0050A00
Skopírované
|
63 mm
|
50 mm
|
| ||
Pneumatický válec Ø63, 80 mm
Položka:
G431A63K0080A00
Skopírované
|
63 mm
|
80 mm
|
| ||
Pneumatický válec Ø63, 100 mm
Položka:
G431A63K0100A00
Skopírované
|
63 mm
|
100 mm
|
| ||
Pneumatický válec Ø63, 125 mm
Položka:
G431A63K0125A00
Skopírované
|
63 mm
|
125 mm
|
| ||
Pneumatický válec Ø63, 160 mm
Položka:
G431A63K0160A00
Skopírované
|
63 mm
|
160 mm
|
| ||
Pneumatický válec Ø63, 200 mm
Položka:
G431A63K0200A00
Skopírované
|
63 mm
|
200 mm
|
| ||
Pneumatický válec Ø63, 250 mm
Položka:
G431A63K0250A00
Skopírované
|
63 mm
|
250 mm
|
| ||
Pneumatický válec Ø63, 320 mm
Položka:
G431A63K0320A00
Skopírované
|
63 mm
|
320 mm
|
| ||
Pneumatický válec Ø63, 400 mm
Položka:
G431A63K0400A00
Skopírované
|
63 mm
|
400 mm
|
| ||
Pneumatický válec Ø63, 500 mm
Položka:
G431A63K0500A00
Skopírované
|
63 mm
|
500 mm
|
| ||
Pneumatický válec Ø63, 1000 mm
Položka:
G431A63K1000A00
Skopírované
|
63 mm
|
1000 mm
|
| ||
Pneumatický válec Ø80, 25 mm
Položka:
G431A83K0025A00
Skopírované
|
80 mm
|
25 mm
|
| ||
Pneumatický válec Ø80, 50 mm
Položka:
G431A83K0050A00
Skopírované
|
80 mm
|
50 mm
|
| ||
Pneumatický válec Ø80, 80 mm
Položka:
G431A83K0080A00
Skopírované
|
80 mm
|
80 mm
|
| ||
Pneumatický válec Ø80, 100 mm
Položka:
G431A83K0100A00
Skopírované
|
80 mm
|
100 mm
|
| ||
Pneumatický válec Ø80, 125 mm
Položka:
G431A83K0125A00
Skopírované
|
80 mm
|
125 mm
|
| ||
Pneumatický válec Ø80, 160 mm
Položka:
G431A83K0160A00
Skopírované
|
80 mm
|
160 mm
|
| ||
Pneumatický válec Ø80, 200 mm
Položka:
G431A83K0200A00
Skopírované
|
80 mm
|
200 mm
|
| ||
Pneumatický válec Ø80, 250 mm
Položka:
G431A83K0250A00
Skopírované
|
80 mm
|
250 mm
|
| ||
Pneumatický válec Ø80, 320 mm
Položka:
G431A83K0320A00
Skopírované
|
80 mm
|
320 mm
|
| ||
Pneumatický válec Ø80, 400 mm
Položka:
G431A83K0400A00
Skopírované
|
80 mm
|
400 mm
|
| ||
Pneumatický válec Ø80, 500 mm
Položka:
G431A83K0500A00
Skopírované
|
80 mm
|
500 mm
|
| ||
Pneumatický válec Ø80, 1000 mm
Položka:
G431A83K1000A00
Skopírované
|
80 mm
|
1000 mm
|
|
Vyberte variant v zozname
Nataliya Mykyta