MICROSONIC

PICO+TF

Série PICO+TF

Senzory pico + TF sú ideálnou voľbou pre bezkontaktné meranie hladiny chemicky agresívnych kvapalín alebo granúl. Vďaka svojmu inovatívnemu dizajnu a vysokému odolnosti voči agresívnym látkam poskytujú presné a spoľahlivé výsledky. Navyše, vďaka svojmu kompaktnému vyhotoveniu sú ľahko inštalovateľné a prispôsobiteľné rôznym prostrediam. S senzormi pico + TF získate nielen presné meranie, ale aj dlhodobú spoľahlivosť a jednoduchú údržbu.
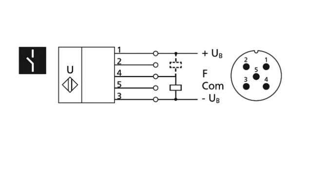
  • 1 Push-Pull spínací výstup PNP alebo NPN
  • Analógový výstup 4-20 mA alebo 0-10 V
  • 4 detekčné rozsahy s rozsahom merania 25 mm až 1 300 mm
  • Rozlíšenie 0,069 mm
  • Microsonic Teach-in na pin 5

Vybraná varianta

Vybraná varianta

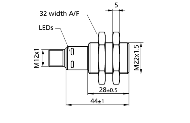
Špecifikácia

Displej Nie
Housing Skrutka
IO-LINK Áno
Materiál PBT, PVDF
Max. vzdialenosť 250 mm
Napájacie napätie 10-30 V DC
Operačná vzdialenosť 150 mm
Rozlíšenie 0,1 mm
Slepá zóna 20 mm
Trieda krytia IP67
Výstup Push/Pull

Príslušenstvo

Príbuzné produkty

Produktové správy

Akčná ponuka pre bezpečnostné svetelné závory SH4

Bezpečnostné svetelné závory radu SH4 pre náročné priemyselné a logistické aplikácie. Ponúka robustnú konštrukciu, jednoduchú inštaláciu a spĺňa najvyššie bezpečnostné štandardy pre ochranu obsluhy.

Bezpečnostné a ochranné oplotenie
Produktové správy

Bezpečnostné oplotenie

Bezpečnostné oplotenie strojov a robotov je kľúčové pre ochranu zamestnancov v automatizovaných prevádzkach a musí spĺňať prísne normy. Spoločnosť Protec ponúka modulárny systém oplotenia, ktorý je v súlade s európskymi predpismi, ľahko sa inštaluje a pomáha znižovať riziko úrazov pri zabezpečení efektívnej prevádzky.

Produktové správy

Strojové videnie a DEEP Learning

V poslednom desaťročí došlo k nevídanému pokroku v oblasti umelej inteligencie. Dve z najdôležitejších technológií na čele tejto revolúcie sú strojové videnie a hlboké učenie. Ich kombináciou vznikli systémy, ktoré dokážu interpretovať vizuálny svet s presnosťou, ktorá sa často vyrovná a niekedy aj prekoná ľudské schopnosti. Tento článok podrobne opisuje, čo tieto technológie zahŕňajú, aké sú ich výhody a kde nachádzajú uplatnenie.

Machine vision
Produktové správy

Automatizovaná logistika so strojovým videním

Skladové a logistické prostredia dnes čelia rastúcemu tlaku na uspokojenie rastúcich požiadaviek zákazníkov, najmä v oblasti elektronického obchodovania. V dôsledku narušenia prevádzky spôsobeného nedostatkom pracovných síl a pandémiou COVID-19 sa spoločnosti čoraz častejšie obracajú k automatizačným riešeniam, aby zlepšili rýchlosť, presnosť, nákladovú efektivitu a jednoduchosť použitia. Dve z „nevyhnutných“ automatizačných inovácií, ktoré moderné logistické prostredia vyžadujú, sú najnovšie technológie v oblasti senzorov na čítanie čiarových kódov a kamier a softvéru pre strojové videnie.

Machine Vision
Produktové správy

Rozpoznávanie textu v priemyselnej automatizácii

Chcete ušetriť čas a znížiť riziko chýb vo výrobe? Potom je pokročilé rozpoznávanie textu rozumným krokom. S technológiou Deep Learning OCR môžete automaticky čítať text z etikiet, štítkov alebo obalov - rýchlo, presne a bez ohľadu na to, či je text malý, šikmý alebo ťažko čitateľný. V kombinácii s priemyselnými skenermi a kamerami Zebra získate riešenie, ktoré je ideálne pre logistiku, výrobu alebo kontrolu kvality. Stručne povedané: okamžite zaznamenáte správne údaje - a vyhnete sa manuálnym krokom.

Produktové správy

Lankový spínač SafeLine 4

Lankový spínač SafeLine 4 moderné zariadenie je určené na zaistenie bezpečného a účinného zastavenia prevádzky napríklad výrobných strojov či dopravníkov

Objednávacie číslo Max. vzdialenosť Operačná vzdialenosť Rozlíšenie Slepá zóna Výstup
250 mm
150 mm
0,1 mm
20 mm
Push/Pull
250 mm
150 mm
0,069 mm
20 mm
0-20 mA, 0-10 V
250 mm
150 mm
0,069 mm
20 mm
0-20 mA, 0-10 V
350 mm
250 mm
0,069 mm
30 mm
0-20 mA, 0-10 V
600 mm
350 mm
0,1 mm
30 mm
Push/Pull
350 mm
350 mm
0,069 mm
70 mm
0-20 mA, 0-10 V
350 mm
350 mm
0,069 mm
70 mm
0-20 mA, 0-10 V
250 mm
1000 mm
0,069 mm
120 mm
0-20 mA, 0-10 V
250 mm
1000 mm
0,1 mm
120 mm
Push/Pull
350 mm
250 mm
0,1 mm
30 mm
Push/Pull
350 mm
250 mm
0,069 mm
30 mm
0-20 mA, 0-10 V
250 mm
1000 mm
0,069 mm
120 mm
0-20 mA

Vybraná varianta

Vyberte variant v zozname

Kontakt

Nataliya Mykyta

+421 332 400 160
Zákaznícky servis
Kontaktujte nás:
+421 332 400 160
Potrebujete pomoc?
Logo

Nastavenia cookies oemautomatic.sk

Súbory cookies nám pomáhajú zlepšovať vašu skúsenosť s nami a preto, aby sme mohli narábať s prihlasovacími údajmi, ponúkať personalizovaný obsah a pre základnú funkčnosť tejto webovej stránky používame niektoré súbory cookies.

Nikdy nebudeme predávať žiadne informácie o vás.

Môžete akceptovať všetky súbory cookies alebo prispôsobiť svoje preferencie pre súbory cookies, môžete tiež kedykoľvek zmeniť svoje preferencie týkajúce sa súborov cookies návštevou našej kontaktnej stránky.


Nevyhnutné súbory cookies

Tieto súbory cookies sú nevyhnutné pre fungovanie webovej stránky a nemožno ich v našich systémoch vypnúť. Zvyčajne sa používajú iba v reakcií na akcie, ktoré ste vykonali v súvislosti so žiadosťou o službu, napríklad pri nastavovaní osobných preferencií, prihlásení alebo pri vyplnení formulára.

Súbory cookies pre analýzu a meranie

Tieto súbory nám umožňujú počítať počet návštev a zdroje návštevnosti, aby sme mohli merať a zlepšovať výkonnosť našej webovej stránky. Pomáhajú nám zistiť, ktoré stránky sú viac či menej populárne a ako sa návštevníci po stránke pohybujú. Informácie, ktoré tieto cookies zhromažďujú sú agregované, a teda úplne anonymné. Ak tieto cookies nepovolíte, nevieme, kedy ste navštívili našu webovú stránku.

Marketingové súbory cookies

Tieto súbory cookies môžu pridať naši partneri. Môžu ich použiť na vytvorenie vášho profilu na základe vašich záujmov, aby vám mohli zobrazovať relevantnejšie informácie. Neuchovávajú žiadne osobné informácie – iba informácie o vašom prehliadači a zariadení. Ak tieto cookies neprijmete, budete mať všeobecnejšie a menej prispôsobené užívateľské prostredie.