MICROSONIC

NERO

Série NERO

Ultrazvukový bezdotykový snímač v plastovom obale M18 s 4 detekčnými rozsahmi je ideálnym riešením pre meranie vzdialenosti a prítomnosti objektov. Jeho kompaktná veľkosť a odolnosť voči vonkajším vplyvom zabezpečujú spoľahlivý prevádzku aj v náročných podmienkach. Vďaka 4 detekčným rozsahom je možné presne merať vzdialenosti od 20 mm až do 2 metrov. Snímač je ľahko inštalovateľný a pripojiteľný k rôznym zariadeniam. Využitie tohto snímača prináša efektivitu a spoľahlivosť vo vašom priemyselnom procese.
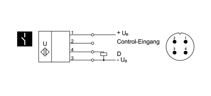
  • 1 spínací výstup, PNP alebo NPN
  • 4 detekčné rozsahy merania 20 mm až 1,3 m
  • Microsonic Teach-in na pin 2
  • Rozlíšenie 0,2 mm
  • Prevádzkové napätie 10-30 V
Overview_nero.jpg

nero_.jpg

NERO-15/CD - Ultrazvukový snímac

WK.jpg

NERO-100/WK/CD - Ultrazvukový snímac

Vybraná varianta

Vybraná varianta

Špecifikácia

Displej Nie
Housing M18
IO-LINK Nie
Materiál PBT
Max. vzdialenosť 250 mm
Napájacie napätie 10-30 V DC
Operačná vzdialenosť 150 mm
Rozlíšenie 0,2 mm
Slepá zóna 25 mm
Trieda krytia IP67
Výstup PNP

Príslušenstvo

Príbuzné produkty

Produktové správy

Panasonic Laserovy snimac vzdialenosti HG-F

Precízna detekcia pomocou laserového snímača vzdialenosti HG-F od spoločnosti Panasonic Industry

Produktové správy

Ultrazvukový snímač CUBE

Spoločnosť Microsonic, svetový expert v oblasti ultrazvukových snímačov, predstavuje svoj nový rad ultrazvukových snímačov CUBE, ktoré sú určené na presné a spoľahlivé meranie vzdialenosti v priemyselných aplikáciách.

Produktové správy

Datasensing S3N

Datasensing, popredná talianska spoločnosť v oblasti komponentov pre priemyselnú automatizáciu, vytvorila sériu fotoelektrických snímačov s názvom S3N, ktorá nahrádza a vylepšuje dlho známu a osvedčenú sériu S3Z. Táto inovatívna séria snímačov ponúka vysokú presnosť, spoľahlivosť a širokú škálu aplikácií pre priemyselné prostredie.

Produktové správy

SMART VS+ senzory

Smart-VS je inteligentný senzor založený na technológii umelej inteligencie a strojového učenia. Navonok je jednoduchý a možno s ním manipulovať a používať ho ako štandardný fotoelektrický senzor, ale vo vnútri je výkonný a inteligentný vďaka multiprocesorovej platforme.

Produktové správy

2D laserové skenery

2D laserové skenery Hokuyo merajú vzdialenosť medzi skenerom a prostredím. Skener môže použiť údaje zo skenovania cieľa na určenie jeho veľkosti, polohy a smeru pohybu.

Produktové správy

Digitalizácia priemyslu 4.0

Inštalácia a uvedenie senzorov IO-link do prevádzky sú extrémne úsporné z hľadiska času aj nákladov. V praxi je spojenie point-to-point na úrovni poľa vytvorené z rôznych senzorov k IO-link masterom a odtiaľ prostredníctvom systémov poľnej zbernice k PLC.

Objednávacie číslo Max. vzdialenosť Operačná vzdialenosť Slepá zóna
350 mm
250 mm
30 mm
250 mm
150 mm
25 mm
250 mm
150 mm
25 mm
350 mm
250 mm
30 mm
600 mm
350 mm
65 mm
600 mm
350 mm
65 mm
1300 mm
1000 mm
120 mm
1300 mm
1000 mm
120 mm

Vybraná varianta

Vyberte variant v zozname

Kontakt

Nataliya Mykyta

+421 332 400 160
Zákaznícky servis
Kontaktujte nás:
+421 332 400 160
Potrebujete pomoc?
Logo

Nastavenia cookies oemautomatic.sk

Súbory cookies nám pomáhajú zlepšovať vašu skúsenosť s nami a preto, aby sme mohli narábať s prihlasovacími údajmi, ponúkať personalizovaný obsah a pre základnú funkčnosť tejto webovej stránky používame niektoré súbory cookies.

Nikdy nebudeme predávať žiadne informácie o vás.

Môžete akceptovať všetky súbory cookies alebo prispôsobiť svoje preferencie pre súbory cookies, môžete tiež kedykoľvek zmeniť svoje preferencie týkajúce sa súborov cookies návštevou našej kontaktnej stránky.


Nevyhnutné súbory cookies

Tieto súbory cookies sú nevyhnutné pre fungovanie webovej stránky a nemožno ich v našich systémoch vypnúť. Zvyčajne sa používajú iba v reakcií na akcie, ktoré ste vykonali v súvislosti so žiadosťou o službu, napríklad pri nastavovaní osobných preferencií, prihlásení alebo pri vyplnení formulára.

Súbory cookies pre analýzu a meranie

Tieto súbory nám umožňujú počítať počet návštev a zdroje návštevnosti, aby sme mohli merať a zlepšovať výkonnosť našej webovej stránky. Pomáhajú nám zistiť, ktoré stránky sú viac či menej populárne a ako sa návštevníci po stránke pohybujú. Informácie, ktoré tieto cookies zhromažďujú sú agregované, a teda úplne anonymné. Ak tieto cookies nepovolíte, nevieme, kedy ste navštívili našu webovú stránku.

Marketingové súbory cookies

Tieto súbory cookies môžu pridať naši partneri. Môžu ich použiť na vytvorenie vášho profilu na základe vašich záujmov, aby vám mohli zobrazovať relevantnejšie informácie. Neuchovávajú žiadne osobné informácie – iba informácie o vašom prehliadači a zariadení. Ak tieto cookies neprijmete, budete mať všeobecnejšie a menej prispôsobené užívateľské prostredie.