MICROSONIC

CRM+

Série CRM+

Moderný bezkontaktný snímač CRM+ je skvelou voľbou pre meranie vzdialenosti a úrovne. Je vybavený LED displejom a tlačidlami s Touch Control System. Snímač je možné pohodlne nastaviť na počítači pomocou rozhrania LinkControl. S technickými parametrami, ako je vzdialenosť merania od 0,2 do 500 m, presnosť merania ± 1 mm, napájanie 10-30 V DC a teplotný rozsah od -25 °C do +70 °C, je snímač CRM+ spoľahlivým a výkonným riešením.
  • Vhodné pre použitie v agresívnom prostredí
  • Puzdro senzora je vyrobené z nerezovej ocele
  • Snímací rozsah od 30 mm do 8 m
  • Výstup - PNP/NPN/analógový
  • Kompenzácia okolitej teploty

Vybraná varianta

Vybraná varianta

Špecifikácia

Displej Áno
Housing M30
Materiál Nerezová oceľ
Max. vzdialenosť 350 mm
Napájacie napätie 9-30 V DC
Operačná vzdialenosť 250 mm
Rozlíšenie 0,025 mm
Slepá zóna 30 mm
Trieda krytia IP67
Výstup 0-20 mA, 0-10 V

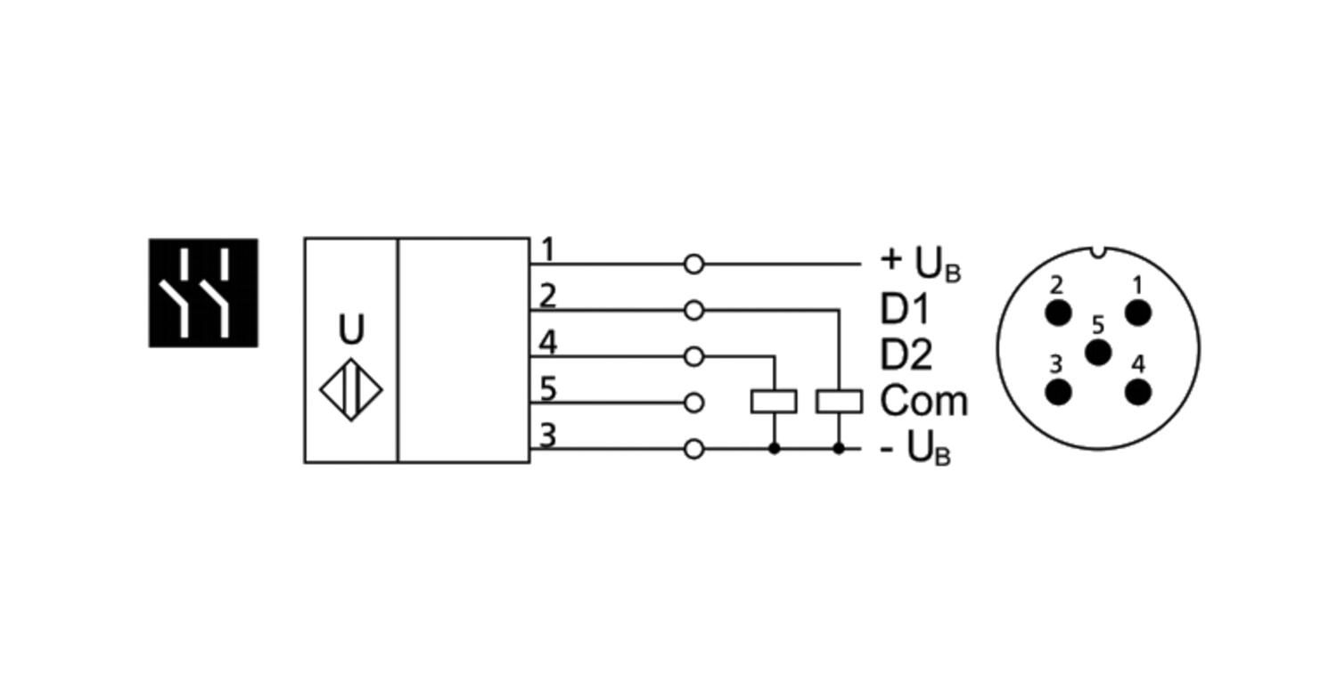
Rozmery a pripojenie

Popis produktu

Moderný bezkontaktný snímač na meranie vzdialenosti a úrovní. Vďaka špeciálnej vrstve na ultrazvukové membráne nie je problém s odstránením usadených nečistôt ako napr. cementu. Snímač má vstavaný LED displej a tlačidlá (Touch Control System), ktorý umožňuje priame nastavenie hodnôt alebo funkciu Teach-in. Pomocou rozhrania LinkControl možno snímač nastaviť pohodlne na počítači.

 

Príslušenstvo

Príbuzné produkty

Produktové správy

Panasonic Laserovy snimac vzdialenosti HG-F

Precízna detekcia pomocou laserového snímača vzdialenosti HG-F od spoločnosti Panasonic Industry

Produktové správy

Ultrazvukový snímač CUBE

Spoločnosť Microsonic, svetový expert v oblasti ultrazvukových snímačov, predstavuje svoj nový rad ultrazvukových snímačov CUBE, ktoré sú určené na presné a spoľahlivé meranie vzdialenosti v priemyselných aplikáciách.

Produktové správy

Datasensing S3N

Datasensing, popredná talianska spoločnosť v oblasti komponentov pre priemyselnú automatizáciu, vytvorila sériu fotoelektrických snímačov s názvom S3N, ktorá nahrádza a vylepšuje dlho známu a osvedčenú sériu S3Z. Táto inovatívna séria snímačov ponúka vysokú presnosť, spoľahlivosť a širokú škálu aplikácií pre priemyselné prostredie.

Produktové správy

SMART VS+ senzory

Smart-VS je inteligentný senzor založený na technológii umelej inteligencie a strojového učenia. Navonok je jednoduchý a možno s ním manipulovať a používať ho ako štandardný fotoelektrický senzor, ale vo vnútri je výkonný a inteligentný vďaka multiprocesorovej platforme.

Produktové správy

2D laserové skenery

2D laserové skenery Hokuyo merajú vzdialenosť medzi skenerom a prostredím. Skener môže použiť údaje zo skenovania cieľa na určenie jeho veľkosti, polohy a smeru pohybu.

Produktové správy

Digitalizácia priemyslu 4.0

Inštalácia a uvedenie senzorov IO-link do prevádzky sú extrémne úsporné z hľadiska času aj nákladov. V praxi je spojenie point-to-point na úrovni poľa vytvorené z rôznych senzorov k IO-link masterom a odtiaľ prostredníctvom systémov poľnej zbernice k PLC.

Objednávacie číslo Max. vzdialenosť Operačná vzdialenosť Slepá zóna Výstup
350 mm
250 mm
30 mm
NC, NO, PNP
350 mm
250 mm
30 mm
NC, NO, 2xPNP
350 mm
250 mm
30 mm
0-20 mA, 0-10 V
600 mm
350 mm
85 mm
NC, NO, PNP
600 mm
350 mm
85 mm
NC, NO, 2xPNP
600 mm
350 mm
85 mm
0-20 mA, 0-10 V
2000 mm
1300 mm
200 mm
NC, NO, PNP
2000 mm
1300 mm
200 mm
NC, NO, 2xPNP
2000 mm
1300 mm
200 mm
0-20 mA, 0-10 V
5000 mm
3400 mm
350 mm
NC, NO, PNP
5000 mm
3400 mm
350 mm
NC, NO, 2xPNP
5000 mm
3400 mm
350 mm
0-20 mA, 0-10 V
8000 mm
6000 mm
600 mm
NC, NO, PNP
8000 mm
6000 mm
600 mm
NC, NO, 2xPNP
8000 mm
6000 mm
600 mm
0-20 mA, 0-10 V

Vybraná varianta

Vyberte variant v zozname

Kontakt

Nataliya Mykyta

+421 332 400 160
Zákaznícky servis
Kontaktujte nás:
+421 332 400 160
Potrebujete pomoc?
Logo

Nastavenia cookies oemautomatic.sk

Súbory cookies nám pomáhajú zlepšovať vašu skúsenosť s nami a preto, aby sme mohli narábať s prihlasovacími údajmi, ponúkať personalizovaný obsah a pre základnú funkčnosť tejto webovej stránky používame niektoré súbory cookies.

Nikdy nebudeme predávať žiadne informácie o vás.

Môžete akceptovať všetky súbory cookies alebo prispôsobiť svoje preferencie pre súbory cookies, môžete tiež kedykoľvek zmeniť svoje preferencie týkajúce sa súborov cookies návštevou našej kontaktnej stránky.


Nevyhnutné súbory cookies

Tieto súbory cookies sú nevyhnutné pre fungovanie webovej stránky a nemožno ich v našich systémoch vypnúť. Zvyčajne sa používajú iba v reakcií na akcie, ktoré ste vykonali v súvislosti so žiadosťou o službu, napríklad pri nastavovaní osobných preferencií, prihlásení alebo pri vyplnení formulára.

Súbory cookies pre analýzu a meranie

Tieto súbory nám umožňujú počítať počet návštev a zdroje návštevnosti, aby sme mohli merať a zlepšovať výkonnosť našej webovej stránky. Pomáhajú nám zistiť, ktoré stránky sú viac či menej populárne a ako sa návštevníci po stránke pohybujú. Informácie, ktoré tieto cookies zhromažďujú sú agregované, a teda úplne anonymné. Ak tieto cookies nepovolíte, nevieme, kedy ste navštívili našu webovú stránku.

Marketingové súbory cookies

Tieto súbory cookies môžu pridať naši partneri. Môžu ich použiť na vytvorenie vášho profilu na základe vašich záujmov, aby vám mohli zobrazovať relevantnejšie informácie. Neuchovávajú žiadne osobné informácie – iba informácie o vašom prehliadači a zariadení. Ak tieto cookies neprijmete, budete mať všeobecnejšie a menej prispôsobené užívateľské prostredie.