ALFRA

Strihacie a dierovacie nástroje ALFRA

Pro nosné lišty DIN, ruční obsluha pomocí páky pro zkracování na určitou délku a pro příčné nebo podélné děrování

Pre nosné lišty DIN, ručná obsluha pomocou páky
pre skracovanie na určitú dĺžku a na priečne alebo
pozdĺžne dierovanie
- So zosilneným excentrom, ktorý je umiestnený priamo
nad strižnú plochou
- Malá silová námaha pri strihaní
- Strih bez odpadu a ostrých hrán
- Bez nárokov na údržbu
- S vodiacou časťou a 1000 mm dlhým pravítkom
so zarážkou
- Strižné plochy možno brúsiť, dierovacie razníky
sú vymeniteľné

 

261540_536.tif

 

261541_536.tif

Obsah dodávky štandardného prevedenia

Objednací číslo

261542_536.tif

Kompletný s priečnym a pozdĺžným razníkom na
oválné otvory 12 x 6,4 mm, meracie pravítko
1000 mm s posuvným dorazom a vodiacim
prípravkom.

03001

ako 03001, ale s guěatými razníkmi Ø 5,5 alebo
Ø 6,0 mm

03002

ako 03001, ale s hydraulickým valcom
( bez elektrohydraulického čerpadla)

03003

261539_536.tif

Náhradné diely

 

Objednávacie čísla

Náhradný razník + matrica 12 x 6,4 mm
pro pozdĺžný ovál

03005

Náhradný razník + matrica 12 x 6,4 mm
pre priečny ovál

03006

Náhradný razník + matrica 5,5 mm
pre guľatý otvor

03007

Náhradný razník + matrica 6,0 mm
pre guľatý otvor

03008

Samostatná vodiaca časť

03012

Zvláštné prevedenie pre lišty z nerezu, hliníka, atď...

03011

 

 

Nástroje na strihanie lišt

Vlastnosti

261535_536.tif

Pre nosné lišty, ručná obsluha pomocou páky
Jednoduchý a presný strih profilových nosných a zemniacich líšt.
Štandardné prevedenie pre
TS 35 / 7,5 - 35/15 - 15 / 5,5 - Cu 10,0 x 3,0 mm

- So zosilneným excentrom,
ktorý je umiestnený priamo nad strižnú plochou
- Malá silová námaha pri strihaní
- Strih bez odpadu a ostrých hrán
- Bez nárokov na údržbu
- S vodiacou časťou a 1000 mm dlhým pravítkom
so zarážkou
- Strižné plochy možno brúsiť
- Vedenie pre presné strihané 90 ° uhlov
- Jednoduchá montáž na pracovný stôl
- Na požiadanie je možné dodať špeciálne vyhotovenie
(Nutné dodať vzorka lišty požadovaného tvaru s dĺžkou 1000mm)

 

 

Objednávacie číslo

Štandardné prevedenie s pravítkom a vodiace časti

03004

261538_536.tif

 

Nástroje na strihanie káblových kanálov

Rychlé a presné stríhanie káblových kanálov
a ich krytov do šírky 125 mm

 

Zariadenie je prispôsobené pre jednoduchú montáž na pracovný stôl.
VKS 125 je opatrené ochranou noža proti náhodnému strihu.

- ručné ovládanie pomocou páky
- strih bez odpadu a ostrých hrán
- vedenie pre presný strih uhla 90 °
- malá silová námaha pri strihaní
- pravítko s dorazom 1000 mm
- možnosť opätovného naostreniu nože
- bez nároku na údržbu
- jednoduchá montáž na pracovný stôl

 

261537_536.tif

Popis

Objednávacie číslo

 

Štandardné prevedenie s pravítkom

031920

 

Náhradný nůž pre VKS 125

03192

 

 

Prečítajte si viac
  • Se zesíleným excentrem, který je umístěn přímo nad střižnou plochou
  • Malá silová námaha při střihání
  • Střih bez odpadu a ostrých hran
  • Bez nároků na údržbu. Střižné plochy lze brousit, děrovací razníky jsou vyměnitelné.
  • S vodící částí a 1000 mm dlouhým pravítkem se zarážkou
03_001_1.png

03002 - Strihacka DIN lišt PSG5+

03_001_2.png

03_001_3.png

03_004_1.png

03004 - Strihacka DIN líšt

03_199_1.png

03199 - DIN rail cutter DUO

03_003_10cm.png

03003 - Strihacka DIN lišt PSG5+

Vybraná varianta

Vybraná varianta

Špecifikácia

Popis produktu

Pre nosné lišty DIN, ručná obsluha pomocou páky
pre skracovanie na určitú dĺžku a na priečne alebo
pozdĺžne dierovanie
- So zosilneným excentrom, ktorý je umiestnený priamo
nad strižnú plochou
- Malá silová námaha pri strihaní
- Strih bez odpadu a ostrých hrán
- Bez nárokov na údržbu
- S vodiacou časťou a 1000 mm dlhým pravítkom
so zarážkou
- Strižné plochy možno brúsiť, dierovacie razníky
sú vymeniteľné

 

261540_536.tif

 

261541_536.tif

Obsah dodávky štandardného prevedenia

Objednací číslo

261542_536.tif

Kompletný s priečnym a pozdĺžným razníkom na
oválné otvory 12 x 6,4 mm, meracie pravítko
1000 mm s posuvným dorazom a vodiacim
prípravkom.

03001

ako 03001, ale s guěatými razníkmi Ø 5,5 alebo
Ø 6,0 mm

03002

ako 03001, ale s hydraulickým valcom
( bez elektrohydraulického čerpadla)

03003

261539_536.tif

Náhradné diely

 

Objednávacie čísla

Náhradný razník + matrica 12 x 6,4 mm
pro pozdĺžný ovál

03005

Náhradný razník + matrica 12 x 6,4 mm
pre priečny ovál

03006

Náhradný razník + matrica 5,5 mm
pre guľatý otvor

03007

Náhradný razník + matrica 6,0 mm
pre guľatý otvor

03008

Samostatná vodiaca časť

03012

Zvláštné prevedenie pre lišty z nerezu, hliníka, atď...

03011

 

 

Nástroje na strihanie lišt

Vlastnosti

261535_536.tif

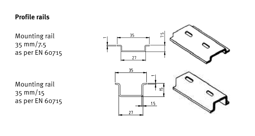
Pre nosné lišty, ručná obsluha pomocou páky
Jednoduchý a presný strih profilových nosných a zemniacich líšt.
Štandardné prevedenie pre
TS 35 / 7,5 - 35/15 - 15 / 5,5 - Cu 10,0 x 3,0 mm

- So zosilneným excentrom,
ktorý je umiestnený priamo nad strižnú plochou
- Malá silová námaha pri strihaní
- Strih bez odpadu a ostrých hrán
- Bez nárokov na údržbu
- S vodiacou časťou a 1000 mm dlhým pravítkom
so zarážkou
- Strižné plochy možno brúsiť
- Vedenie pre presné strihané 90 ° uhlov
- Jednoduchá montáž na pracovný stôl
- Na požiadanie je možné dodať špeciálne vyhotovenie
(Nutné dodať vzorka lišty požadovaného tvaru s dĺžkou 1000mm)

 

 

Objednávacie číslo

Štandardné prevedenie s pravítkom a vodiace časti

03004

261538_536.tif

 

Nástroje na strihanie káblových kanálov

Rychlé a presné stríhanie káblových kanálov
a ich krytov do šírky 125 mm

 

Zariadenie je prispôsobené pre jednoduchú montáž na pracovný stôl.
VKS 125 je opatrené ochranou noža proti náhodnému strihu.

- ručné ovládanie pomocou páky
- strih bez odpadu a ostrých hrán
- vedenie pre presný strih uhla 90 °
- malá silová námaha pri strihaní
- pravítko s dorazom 1000 mm
- možnosť opätovného naostreniu nože
- bez nároku na údržbu
- jednoduchá montáž na pracovný stôl

 

261537_536.tif

Popis

Objednávacie číslo

 

Štandardné prevedenie s pravítkom

031920

 

Náhradný nůž pre VKS 125

03192

 

 

Príslušenstvo

Produktové správy

Priemyselné LED osvetlenie strojov

Objavte HELULIGHT Smart-Process – modernú LED signalizačnú jednotku pre jasnú vizualizáciu stavu stroja. Ponúka prispôsobiteľné nastavenia farieb, pamäť výpadku napájania a jednoduchú integráciu do všetkých bežných riadiacich systémov.

Produktové správy

Panasonic Laserovy snimac vzdialenosti HG-F

Precízna detekcia pomocou laserového snímača vzdialenosti HG-F od spoločnosti Panasonic Industry

Produktové správy

Komplexné zabezpečenie robotických systémov od spoločnosti SSP

Komplexné zabezpečenie robotického systému pomocou bezdrôtového bezpečnostného riešenia od spoločnosti SSP

Produktové správy

Špičkové koboty od spoločnosti KUKA

V spolupráci so spoločnosťou KUKA, popredným svetovým výrobcom robotov, teraz robíme veľký krok k tomu, aby sme našim zákazníkom ponúkli prístup k najmodernejším kobotom.

Produktové správy

MODULÁRNE SVETELNÉ A ZVUKOVÉ ZARIADENIA

Máte náročné prostredie a problémy s nájdením viditeľných výstražných svetiel? Rad “R” spoločnosti Auer ponúka modely, ktoré majú svietivosť až 184 Cd!

Produktové správy

SMART VS+ senzory

Smart-VS je inteligentný senzor založený na technológii umelej inteligencie a strojového učenia. Navonok je jednoduchý a možno s ním manipulovať a používať ho ako štandardný fotoelektrický senzor, ale vo vnútri je výkonný a inteligentný vďaka multiprocesorovej platforme.

Objednávacie číslo

Vybraná varianta

Vyberte variant v zozname

Kontakt

Nataliya Mykyta

+421 332 400 160
Zákaznícky servis
Kontaktujte nás:
+421 332 400 160
Potrebujete pomoc?
Logo

Nastavenia cookies oemautomatic.sk

Súbory cookies nám pomáhajú zlepšovať vašu skúsenosť s nami a preto, aby sme mohli narábať s prihlasovacími údajmi, ponúkať personalizovaný obsah a pre základnú funkčnosť tejto webovej stránky používame niektoré súbory cookies.

Nikdy nebudeme predávať žiadne informácie o vás.

Môžete akceptovať všetky súbory cookies alebo prispôsobiť svoje preferencie pre súbory cookies, môžete tiež kedykoľvek zmeniť svoje preferencie týkajúce sa súborov cookies návštevou našej kontaktnej stránky.


Nevyhnutné súbory cookies

Tieto súbory cookies sú nevyhnutné pre fungovanie webovej stránky a nemožno ich v našich systémoch vypnúť. Zvyčajne sa používajú iba v reakcií na akcie, ktoré ste vykonali v súvislosti so žiadosťou o službu, napríklad pri nastavovaní osobných preferencií, prihlásení alebo pri vyplnení formulára.

Súbory cookies pre analýzu a meranie

Tieto súbory nám umožňujú počítať počet návštev a zdroje návštevnosti, aby sme mohli merať a zlepšovať výkonnosť našej webovej stránky. Pomáhajú nám zistiť, ktoré stránky sú viac či menej populárne a ako sa návštevníci po stránke pohybujú. Informácie, ktoré tieto cookies zhromažďujú sú agregované, a teda úplne anonymné. Ak tieto cookies nepovolíte, nevieme, kedy ste navštívili našu webovú stránku.

Marketingové súbory cookies

Tieto súbory cookies môžu pridať naši partneri. Môžu ich použiť na vytvorenie vášho profilu na základe vašich záujmov, aby vám mohli zobrazovať relevantnejšie informácie. Neuchovávajú žiadne osobné informácie – iba informácie o vašom prehliadači a zariadení. Ak tieto cookies neprijmete, budete mať všeobecnejšie a menej prispôsobené užívateľské prostredie.