SOCOMEC

ATyS p M

Automatické prepínače 40 A až 160 A

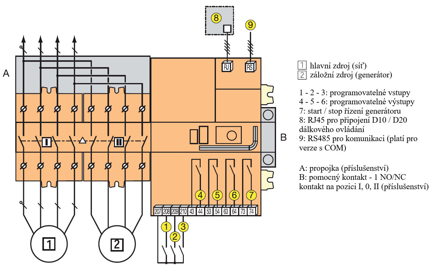
ATyS p M sú výkonné automatické prepínače s nominálnym prúdom od 40 A do 160 A. Tieto prepínače majú dva nezávislé vstupy pre napájanie, ktoré je možné pripojiť individuálne. Vďaka elektromagnetickému ovládaniu je možné rýchlo prepínať medzi prístrojmi. Parametre, ako napríklad napäťové a frekvenčné intervaly, hystéreza, nastavenie vstupov a výstupov, je možné jednoducho upraviť pomocou tlačidiel na hlavnom paneli. ATyS p M sú spoľahlivé a flexibilné prepínače pre vaše potreby.
  • Automatický prepínač siete nízkeho napätia v sieťach nízkeho napätia
  • Programovateľná verzia s displejom a možnosťou komunikácie
  • Možnosť nastavenia aplikácie sieť - sieť, tak aj aplikáciíe sieť - generátor
  • Elektrické aj mechanické ovladanie
  • Umožňuje automatické aj diaľkovo riadené manuálne ovládanie
Socomec ATyS p M 93644016

93844012 - ATyS p M + komunikace

Vybraná varianta

Vybraná varianta

Špecifikácia

Menovitý prúd 40 A
Počet pólov 4
Typ aplikácie programovateľná

Príslušenstvo

Produktové správy

Chyťte slnko do svojej siete

Pri fotovoltaických aplikáciách je dôležité mať spoľahlivé a účinné elektrické komponenty, ktoré odolávajú náročným podmienkam prostredia a poskytujú optimálny výkon. Tri popredné spoločnosti, Mersen, TE Connectivity a SOCOMEC, ponúkajú množstvo produktov určených špeciálne pre fotovoltaické aplikácie.

Produktové správy

Sirco M - PRISPÔSOBITEĽNÉ MODULÁRNE ODPÍNAČE

SIRCO M jsou manuální, více pólové modulární odpínače, snadno přizpůsobitelné požadavkům zákazníka. Nabízí možnost odpojení během zatížení a poskytují tak bezpečné izolování jakéhokoliv nízkonapěťového elektrického obvodu.

OEM Automatic Open Days 2025
Události

OEM AUTOMATIC OPEN DAYS 2025

Akcia ponúka príležitosť na stretnutie s našimi inovatívnymi produktmi aj expertmi na aplikácie. Uvidíte dynamické prezentácie najnovších výrobkov, ktoré dokážu digitálne transformovať Vašu prevádzku, zaistiť bezpečnosť strojných zariadení a ďalšie rôzne systémy pre automatizáciu strojov a riešení. Návštevu si môžete spríjemniť skvelým jedlom a pitím, ktoré bude k dispozícii formou rautu.

Seifert Systems Priemyselne chladenia
Produktové správy

SEIFERT SYSTEMS PRIEKOPNÍK V OBLASTI PRIEMYSELNÉHO CHLADENIA

Už viac ako polstoročia je na čele vývoja inovatívnych riešení chladenia, ktoré vyhovujú rôznorodým potrebám priemyslu po celom svete.

Produktové správy

SEIFERT SYSTEMS KOMPLEXNÉ RIEŠENIA PRE KAŽDÚ PRIEMYSELNÚ POTREBU

Spoločnosť Seifert Systems ponúka rôznorodý sortiment modelových produktov, aby uspokojila rôzne chladiace potreby rôznych priemyselných odvetví.

blazecut Haciasy systemy seria T
Produktové správy

PROTIPOŽIANY SYSTÉM SÉRIE S NAJNOVŠÍMI TECHNOLÓGIAMI

BlazeCut je výrobca a špecialista na protipožiarnu ochranu systémov, ktorý dodáva najnovšie technológie.

Objednávacie číslo Menovitý prúd Typ aplikácie
40 A
programovateľná
63 A
programovateľná
80 A
programovateľná
100 A
programovateľná
125 A
programovateľná
160 A
programovateľná
40 A
63 A
programovateľná
80 A
programovateľná
100 A
programovateľná
125 A
programovateľná
160 A

Vybraná varianta

Vyberte variant v zozname

Zákaznícky servis
Kontaktujte nás:
+421 332 400 160
Potrebujete pomoc?
Logo

Nastavenia cookies oemautomatic.sk

Súbory cookies nám pomáhajú zlepšovať vašu skúsenosť s nami a preto, aby sme mohli narábať s prihlasovacími údajmi, ponúkať personalizovaný obsah a pre základnú funkčnosť tejto webovej stránky používame niektoré súbory cookies.

Nikdy nebudeme predávať žiadne informácie o vás.

Môžete akceptovať všetky súbory cookies alebo prispôsobiť svoje preferencie pre súbory cookies, môžete tiež kedykoľvek zmeniť svoje preferencie týkajúce sa súborov cookies návštevou našej kontaktnej stránky.


Nevyhnutné súbory cookies

Tieto súbory cookies sú nevyhnutné pre fungovanie webovej stránky a nemožno ich v našich systémoch vypnúť. Zvyčajne sa používajú iba v reakcií na akcie, ktoré ste vykonali v súvislosti so žiadosťou o službu, napríklad pri nastavovaní osobných preferencií, prihlásení alebo pri vyplnení formulára.

Súbory cookies pre analýzu a meranie

Tieto súbory nám umožňujú počítať počet návštev a zdroje návštevnosti, aby sme mohli merať a zlepšovať výkonnosť našej webovej stránky. Pomáhajú nám zistiť, ktoré stránky sú viac či menej populárne a ako sa návštevníci po stránke pohybujú. Informácie, ktoré tieto cookies zhromažďujú sú agregované, a teda úplne anonymné. Ak tieto cookies nepovolíte, nevieme, kedy ste navštívili našu webovú stránku.

Marketingové súbory cookies

Tieto súbory cookies môžu pridať naši partneri. Môžu ich použiť na vytvorenie vášho profilu na základe vašich záujmov, aby vám mohli zobrazovať relevantnejšie informácie. Neuchovávajú žiadne osobné informácie – iba informácie o vašom prehliadači a zariadení. Ak tieto cookies neprijmete, budete mať všeobecnejšie a menej prispôsobené užívateľské prostredie.