PULS

Redundantné moduly 40 a 80 A, séria Dimension

Série YR2

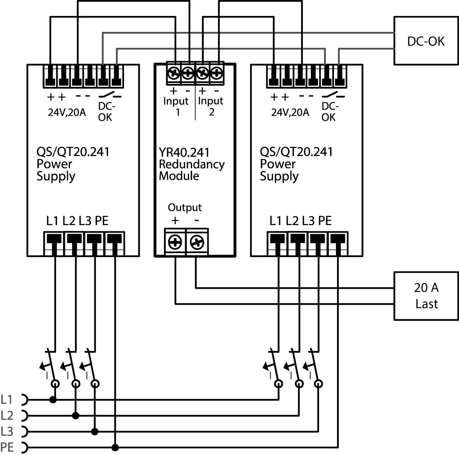
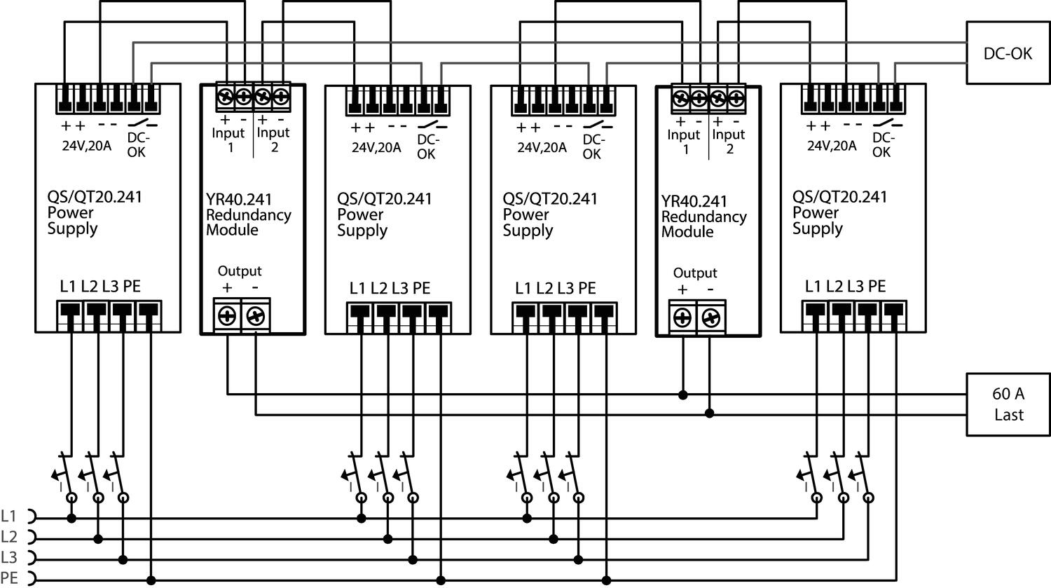
Redundantný modul spája dva napájacie zdroje a zabezpečuje ich oddelenie. Ak zlyhá prvý zdroj, druhý je chránený pred skratom. Modul môže byť využitý pre zdvojené napájanie záťaže, prioritnú záťaž alebo ochranu zdroja pred indukovaným napätím.
  • 40 a 80 A
  • MOSFET tranzistory
  • Minimálna strata výkonu
  • Kompaktné rozmery
  • Záruka 3 roky
Redundantný modul YR40.241

YR40.241 - Redundantný modul 40 A, 12-28 V DC

Redundantný modul YR80.241

YR80.241 - Redundantný modul 2x20 A, 24-28 V DC

Redundantný modul YR40.242

YR40.242 - REDUNDANCY MODULE 12-28V 40A

Redundantný modul YR80.242

YR80.242 - Redundantní modul 12-28 VDC, 40A

Vybraná varianta

Vybraná varianta

Špecifikácia

Hĺbka 127 mm
Hmotnosť 0,34 kg
Kryt Hliník
Max. teplota bez zníženia výkonu 70 °C
Min. teplota bez zníženia výkonu -40 °C
MTBF (IEC 61709) 2706000 h @ 2x 20 A, 24 V DC, 40 °C
Séria Dimension Y
Šírka 36 mm
Trieda krytia IP20
Type Power Supply Redundancy modules
Úbytok napätia na polovodiči 140 mV
Vstupné napätie DC 12-28 V
Vstupné napätie DC max. 36,4 V DC
Vstupné napätie DC min. 8,4 V DC
Vstupný prúd na kanál max. 20 A
Vstupný prúd pri nepretržitom preťažení alebo skratovaní max 2x32,5 A
Výška 124 mm
Výstupné napätie 24 V DC
Výstupný prúd 40 A
Výstupný prúd max. 65 A
Zhoda s normami ABS, ATEX, CB, CE, CSA, CSA US, GL, IECEx, UL
Životnosť 246000 h @ 2x 20 A, 24 V DC, 40 °C

Popis produktu

Redundantné moduly majú tranzistory MOSFET namiesto diód, čo vedie k nižšiemu rozptýleniu tepla a poklesu napätia. Vďaka technológii MOSFET môžu byť moduly veľmi kompaktné.
Redundantné moduly majú dva samostatné vstupy, z ktorých každý môže byť nainštalovaný polovičnou inštanciou výstupného prúdu. 40 A modul dokáže spracovať až 20 A na vstup.
S redundantnými modulmi od spoločnosti Puls získate bezpečný systém proti chybám interného napájania, ktorý je vhodný najmä v procesoch, kde dochádza k nákladným prestojom.
Redundantný modul je možné použiť aj v systémoch, kde chcete zabezpečiť prevádzku citlivých záťaží. Vstup 1 je pripojený k hlavnému zdroju napájania.Vstup 2 je pripojený k menšej jednotke, ktorá je pripojená len k citlivej záťaži prostredníctvom výstupu, v tomto prípade PLC. Redundantný modul je vhodný aj vtedy, keď chcete oddeľovať napájacie jednotky od batérií, aby sa zabránilo návratu napätia, napríklad z motorov a batérií.

 

Príslušenstvo

Príbuzné produkty

Produktové správy

Puls Napájací zdroj s diplejom

Informácie priamo z displeja vášho napájacieho zdroja. Vedeli ste, že informácie môžete získať priamo z vášho napájacieho zdroja?

Produktové správy

Nový dizajn poistiek od Lütze: Locc-box 2.0

Lütze prichádza s novým, aktualizovaným dizajnom svojej elektronickej poistky, pričom si zachováva rovnaké výrobné číslo ako predtým.

Produktové správy

Puls FIEPOS - Napájanie budúcnosti

Nová rada zdrojov FIEPOS od nemeckej firmy PULS bola navrhnutá tak, aby vďaka svojej modularite a vysokej triede ochrany maximálne pomohla vývojárom systémov a strojov.

OEM Automatic Open Days 2025
Události

OEM AUTOMATIC OPEN DAYS 2025

Akcia ponúka príležitosť na stretnutie s našimi inovatívnymi produktmi aj expertmi na aplikácie. Uvidíte dynamické prezentácie najnovších výrobkov, ktoré dokážu digitálne transformovať Vašu prevádzku, zaistiť bezpečnosť strojných zariadení a ďalšie rôzne systémy pre automatizáciu strojov a riešení. Návštevu si môžete spríjemniť skvelým jedlom a pitím, ktoré bude k dispozícii formou rautu.

Seifert Systems Priemyselne chladenia
Produktové správy

SEIFERT SYSTEMS PRIEKOPNÍK V OBLASTI PRIEMYSELNÉHO CHLADENIA

Už viac ako polstoročia je na čele vývoja inovatívnych riešení chladenia, ktoré vyhovujú rôznorodým potrebám priemyslu po celom svete.

Produktové správy

SEIFERT SYSTEMS KOMPLEXNÉ RIEŠENIA PRE KAŽDÚ PRIEMYSELNÚ POTREBU

Spoločnosť Seifert Systems ponúka rôznorodý sortiment modelových produktov, aby uspokojila rôzne chladiace potreby rôznych priemyselných odvetví.

Objednávacie číslo Hmotnosť MTBF (IEC 61709) Šírka Úbytok napätia na polovodiči Vstupný prúd na kanál max. Vstupný prúd pri nepretržitom preťažení alebo skratovaní max Výstupný prúd Výstupný prúd max. Životnosť
0,34 kg
2706000 h @ 2x 20 A, 24 V DC, 40 °C
36 mm
140 mV
20 A
2x32,5 A
40 A
65 A
246000 h @ 2x 20 A, 24 V DC, 40 °C
0,28 kg
4533000 h @ 2x 20 A, 24 V DC, 40 °C
36 mm
140 mV
20 A
2x32,5 A
40 A
65 A
255000 h @ 2x 20 A, 24 V DC, 40 °C
0,44 kg
2088000 h @ 2x 40 A, 24 V DC, 40 °C
46 mm
95 mV
40 A
2x65 A
80 A
130 A
143000 h @ 2x 40 A, 24 V DC, 40 °C
0,37 kg
2482000 h @ 2x 40 A, 24 V DC, 40 °C
46 mm
145 mV
40 A
2x65 A
80 A
130 A
85000 h @ 2x 40 A, 24 V DC, 40 °C

Vybraná varianta

Vyberte variant v zozname

Kontakt

Nataliya Mykyta

+421 332 400 160
Zákaznícky servis
Kontaktujte nás:
+421 332 400 160
Potrebujete pomoc?
Logo

Nastavenia cookies oemautomatic.sk

Súbory cookies nám pomáhajú zlepšovať vašu skúsenosť s nami a preto, aby sme mohli narábať s prihlasovacími údajmi, ponúkať personalizovaný obsah a pre základnú funkčnosť tejto webovej stránky používame niektoré súbory cookies.

Nikdy nebudeme predávať žiadne informácie o vás.

Môžete akceptovať všetky súbory cookies alebo prispôsobiť svoje preferencie pre súbory cookies, môžete tiež kedykoľvek zmeniť svoje preferencie týkajúce sa súborov cookies návštevou našej kontaktnej stránky.


Nevyhnutné súbory cookies

Tieto súbory cookies sú nevyhnutné pre fungovanie webovej stránky a nemožno ich v našich systémoch vypnúť. Zvyčajne sa používajú iba v reakcií na akcie, ktoré ste vykonali v súvislosti so žiadosťou o službu, napríklad pri nastavovaní osobných preferencií, prihlásení alebo pri vyplnení formulára.

Súbory cookies pre analýzu a meranie

Tieto súbory nám umožňujú počítať počet návštev a zdroje návštevnosti, aby sme mohli merať a zlepšovať výkonnosť našej webovej stránky. Pomáhajú nám zistiť, ktoré stránky sú viac či menej populárne a ako sa návštevníci po stránke pohybujú. Informácie, ktoré tieto cookies zhromažďujú sú agregované, a teda úplne anonymné. Ak tieto cookies nepovolíte, nevieme, kedy ste navštívili našu webovú stránku.

Marketingové súbory cookies

Tieto súbory cookies môžu pridať naši partneri. Môžu ich použiť na vytvorenie vášho profilu na základe vašich záujmov, aby vám mohli zobrazovať relevantnejšie informácie. Neuchovávajú žiadne osobné informácie – iba informácie o vašom prehliadači a zariadení. Ak tieto cookies neprijmete, budete mať všeobecnejšie a menej prispôsobené užívateľské prostredie.