CROUZET CONTROL

Syr-Line Seria montáž na DIN

Sérei Syr-Line


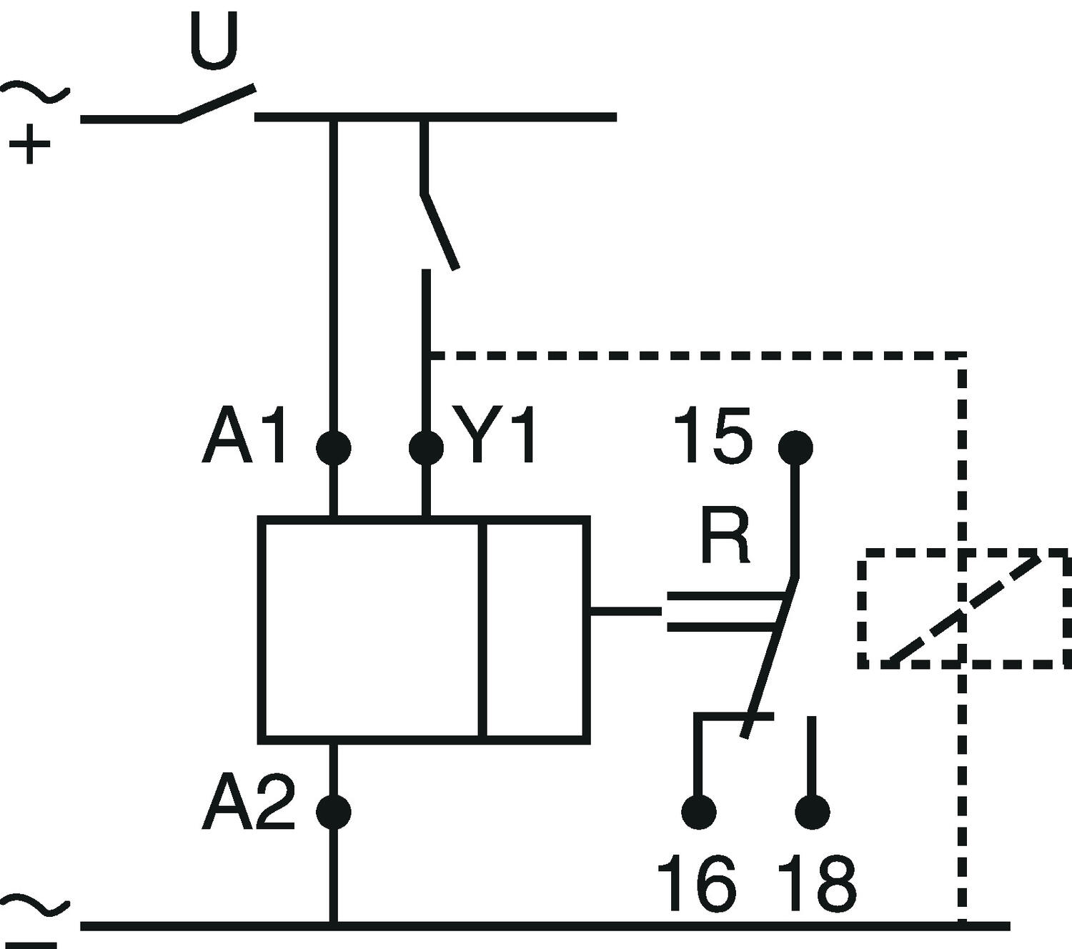
Časové relé série Syr-Line je určené pre montáž na DIN lištu a ponúka v rôznych kombináciách 12 najbežnejších časových funkcií + 2 nové funkcie, vytvorené pre túto sériu. Napájacie napätie série Syr-Line je v širokom rozsahu 12-240V AC/DC. Single verzia má jeden 16A výstup pre veľké záťaže, duálna verzia má výstup 2x 8A. Časový rozsah je nastaviteľný v rozmedzí 0,5 s - 240 hodín (10 dní) pomocou kombinácie prepínača rozsahu a potenciometra. O aktuálnom stave časového relé informujú 2 LED diódy.

Prečítajte si viac
  • Multifunkčné
  • Časový rozsah 0,5 s – 240 h
  • Široký rozsah napájacích napätí
  • Šírka modulu 17,5 mm
HD_BM2R_right.tif

BM2R08MV1 - SyrLine BM2R Multif. 2x8A 12-240Vac/dc

HD_BA1R_right.tif

BA1R16MV1 - SyrLine BA1R DelayOn 16A 12-240Vac/dc

HD_BA2R_right.tif

BA2R08MV1 - SyrLine BA2R DelayOn 2x8A 12-240Vac/dc

HD_BL1R_right.tif

BL1R16MV1 - SyrLine BL1R Recycling 16A 12-240Vac/dc

HD_BL2R_right.tif

BL2R08MV1 - SyrLine BL2R Recycling 2x8A 12-240Vac/dc

Vybraná varianta

Vybraná varianta

Špecifikácia

Časový rozsah 0,5-10 s, 0,05-1 min, 0,5-10 min, 0,05-1 h, 0,5-10 h, 0,05-1 d, 0,5-10 d
Doba otvorenia 120 ms
Doba uzatvorenia 30 ms
Druh montáže DIN lišta
Funkcia A - Oneskorenie pri napájaní, Ac - Časovanie po zatvorení a otvorení ovládacieho kontaktu, At - Časovanie na napájanie s pamäťou, B - Časovanie na impulzu (jeden výstrel), C - Časovanie po impulzu, D - Symetrické blikanie, Di - Symetrické blikanie, H - Časovanie pri napájaní - pulzný výstup, Ht - Oneskorenie pri napájanie pomocou pamäte, N - Bezpečnostné stráž, TL - Impulzné relé, Tt - Časované impulzné relé
Hmotnosť 70 g
Menovitý výkon 4000 VA / 90W @25°C
Multifunction Áno
Napájacie napätie 12-240V AC/DC
Opakovateľná presnosť 0,5 %
Prevádzková teplota max. 60 °C
Prevádzková teplota min. -20 °C
Prierez vodičov bez koncovky 1 x 0,5-3,3 mm², 2 x 0,5-1,5 mm²
Spínací prúd max. 16 A
Spotreba 1,5 W
Teplota skladovania do 70 °C
Teplota skladovania od -40 °C
Trieda krytia pripojenia IP20
Trieda krytia puzdra IP40
Výstup Relé 1 pól C/O
Zhoda s normami CCC, CE, REACH, RoHS, UL

Popis produktu


Časové relé série Syr-Line je určené pre montáž na DIN lištu a ponúka v rôznych kombináciách 12 najbežnejších časových funkcií + 2 nové funkcie, vytvorené pre túto sériu. Napájacie napätie série Syr-Line je v širokom rozsahu 12-240V AC/DC. Single verzia má jeden 16A výstup pre veľké záťaže, duálna verzia má výstup 2x 8A. Časový rozsah je nastaviteľný v rozmedzí 0,5 s - 240 hodín (10 dní) pomocou kombinácie prepínača rozsahu a potenciometra. O aktuálnom stave časového relé informujú 2 LED diódy.

Príslušenstvo

OEM Automatic Open Days 2025
Události

OEM AUTOMATIC OPEN DAYS 2025

Akcia ponúka príležitosť na stretnutie s našimi inovatívnymi produktmi aj expertmi na aplikácie. Uvidíte dynamické prezentácie najnovších výrobkov, ktoré dokážu digitálne transformovať Vašu prevádzku, zaistiť bezpečnosť strojných zariadení a ďalšie rôzne systémy pre automatizáciu strojov a riešení. Návštevu si môžete spríjemniť skvelým jedlom a pitím, ktoré bude k dispozícii formou rautu.

Seifert Systems Priemyselne chladenia
Produktové správy

SEIFERT SYSTEMS PRIEKOPNÍK V OBLASTI PRIEMYSELNÉHO CHLADENIA

Už viac ako polstoročia je na čele vývoja inovatívnych riešení chladenia, ktoré vyhovujú rôznorodým potrebám priemyslu po celom svete.

Produktové správy

SEIFERT SYSTEMS KOMPLEXNÉ RIEŠENIA PRE KAŽDÚ PRIEMYSELNÚ POTREBU

Spoločnosť Seifert Systems ponúka rôznorodý sortiment modelových produktov, aby uspokojila rôzne chladiace potreby rôznych priemyselných odvetví.

blazecut Haciasy systemy seria T
Produktové správy

PROTIPOŽIANY SYSTÉM SÉRIE S NAJNOVŠÍMI TECHNOLÓGIAMI

BlazeCut je výrobca a špecialista na protipožiarnu ochranu systémov, ktorý dodáva najnovšie technológie.

Produktové správy

SIEŤOVÉ ANALYZÁTORY DIRIS A-100 a A-200

Sieťové analyzátory Diris A-100 a A-200 - nástroje na monitorovanie a kontrolu kvality elektrickej energie

Produktové správy

Seifert klimatizácie a chladenie

V našej príručke sa dozviete, aké dôležité je mať v skrinke spotrebiča správnu teplotu. Preskúmame najbežnejšie spôsoby chladenia a bližšie sa pozrieme na jeden z nich. Nielenže pochopíte, ako chladiace systémy fungujú, ale získate aj konkrétne tipy, ako udržať stabilnú teplotu.

Objednávacie číslo Funkcia Menovitý výkon Multifunction Spínací prúd max. Výstup
A - Oneskorenie pri napájaní, Ac - Časovanie po zatvorení a otvorení ovládacieho kontaktu, At - Časovanie na napájanie s pamäťou, B - Časovanie na impulzu (jeden výstrel), C - Časovanie po impulzu, D - Symetrické blikanie, Di - Symetrické blikanie, H - Časovanie pri napájaní - pulzný výstup, Ht - Oneskorenie pri napájanie pomocou pamäte, N - Bezpečnostné stráž, TL - Impulzné relé, Tt - Časované impulzné relé
4000 VA / 90W @25°C
Áno
16 A
Relé 1 pól C/O
A - Oneskorenie pri napájaní, Ac - Časovanie po zatvorení a otvorení ovládacieho kontaktu, At - Časovanie na napájanie s pamäťou, B - Časovanie na impulzu (jeden výstrel), C - Časovanie po impulzu, D - Symetrické blikanie, Di - Symetrické blikanie, H - Časovanie pri napájaní - pulzný výstup, Ht - Oneskorenie pri napájanie pomocou pamäte, N - Bezpečnostné stráž, TL - Impulzné relé, Tt - Časované impulzné relé
2000 VA / 80W @25°C
Áno
8 A
Relé 2 pól C/O
A - Oneskorenie pri napájaní, At - Časovanie na napájanie s pamäťou
4000 VA / 90W @25°C
Nie
16 A
Relé 1 pól C/O
A - Oneskorenie pri napájaní, At - Časovanie na napájanie s pamäťou
2000 VA / 80W @25°C
Nie
8 A
Relé 2 pól C/O
L - Asymetrické blikanie, Li - Asymetrické blikanie
4000 VA / 90W @25°C
Nie
16 A
Relé 1 pól C/O
L - Asymetrické blikanie, Li - Asymetrické blikanie
2000 VA / 80W @25°C
Nie
8 A
Relé 2 pól C/O

Vybraná varianta

Vyberte variant v zozname

Kontakt

Nataliya Mykyta

+421 332 400 160
Zákaznícky servis
Kontaktujte nás:
+421 332 400 160
Potrebujete pomoc?
Logo

Nastavenia cookies oemautomatic.sk

Súbory cookies nám pomáhajú zlepšovať vašu skúsenosť s nami a preto, aby sme mohli narábať s prihlasovacími údajmi, ponúkať personalizovaný obsah a pre základnú funkčnosť tejto webovej stránky používame niektoré súbory cookies.

Nikdy nebudeme predávať žiadne informácie o vás.

Môžete akceptovať všetky súbory cookies alebo prispôsobiť svoje preferencie pre súbory cookies, môžete tiež kedykoľvek zmeniť svoje preferencie týkajúce sa súborov cookies návštevou našej kontaktnej stránky.


Nevyhnutné súbory cookies

Tieto súbory cookies sú nevyhnutné pre fungovanie webovej stránky a nemožno ich v našich systémoch vypnúť. Zvyčajne sa používajú iba v reakcií na akcie, ktoré ste vykonali v súvislosti so žiadosťou o službu, napríklad pri nastavovaní osobných preferencií, prihlásení alebo pri vyplnení formulára.

Súbory cookies pre analýzu a meranie

Tieto súbory nám umožňujú počítať počet návštev a zdroje návštevnosti, aby sme mohli merať a zlepšovať výkonnosť našej webovej stránky. Pomáhajú nám zistiť, ktoré stránky sú viac či menej populárne a ako sa návštevníci po stránke pohybujú. Informácie, ktoré tieto cookies zhromažďujú sú agregované, a teda úplne anonymné. Ak tieto cookies nepovolíte, nevieme, kedy ste navštívili našu webovú stránku.

Marketingové súbory cookies

Tieto súbory cookies môžu pridať naši partneri. Môžu ich použiť na vytvorenie vášho profilu na základe vašich záujmov, aby vám mohli zobrazovať relevantnejšie informácie. Neuchovávajú žiadne osobné informácie – iba informácie o vašom prehliadači a zariadení. Ak tieto cookies neprijmete, budete mať všeobecnejšie a menej prispôsobené užívateľské prostredie.