DUELCO

Ochranné relé pre obojručné ovládanie HR-2007F

Série HR-2007

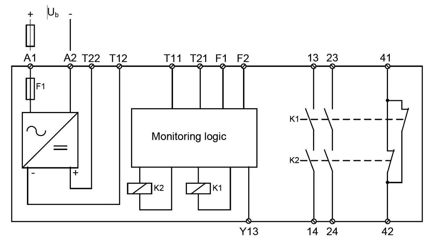
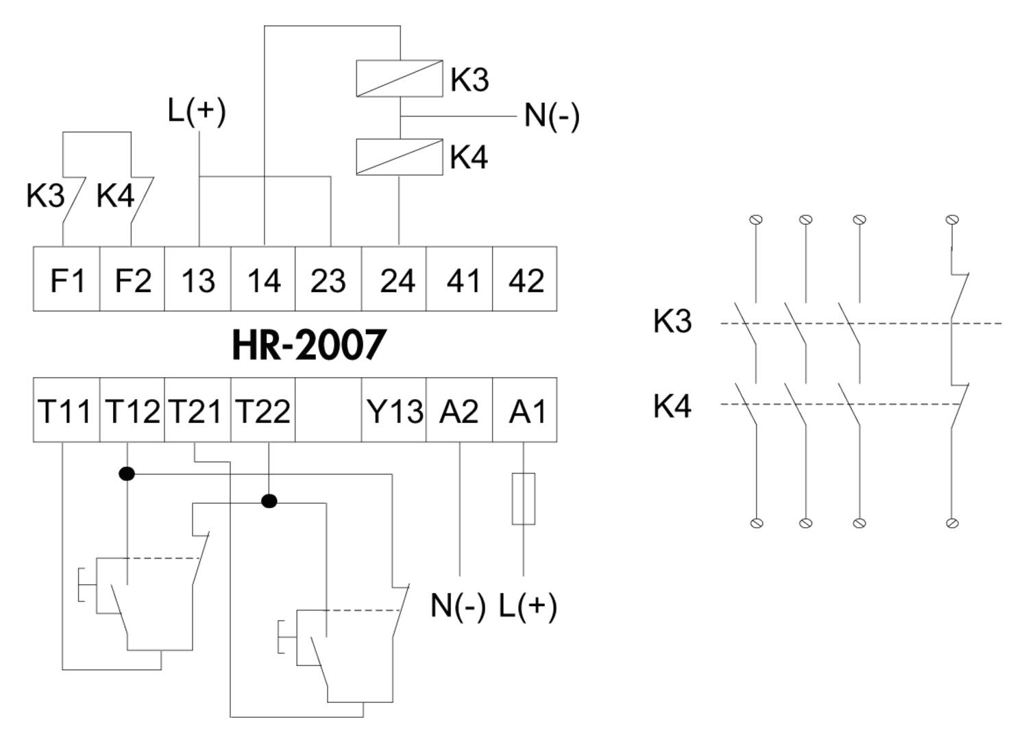
Relé pre obojručné ovládanie sa používa na spustenie a zastavenie nebezpečných strojov, ako sú lisy. Bezpečnostné relé Duelco HR-2007 je určené na ručné ovládanie pomocou ručného ovládača typu PCB3 typ 2. Relé pre obojručné ovladanie sú pripojené k dvom tlačidlám, každý s kontaktmi NO + NC. Polohovanie tlačidiel je presne definované v norme SFS-EN 574.

Relé aktivuje a zatvára bezpečnostné výstupy pri súčasnom stlačení obidvoch tlačidiel (časový rozdiel až do 500 ms) a iba vtedy, keď sú obidve tlačidlá resetované po predchádzajúcej aktivácii.

Relé HR-2007 zodpoveda norme SFS-EN 574, typ IIIC.

Prečítajte si viac
  • Prevádzkové napätie 24 V AC / DC alebo 230 V AC
  • 2 NO bezpečnostný výstup + 1 NC výstup signálu
  • Šírka 22,5 mm
Duelco HR-2007F.tif

42080031 - HR-2007F, 230 V AC

Vybraná varianta

Vybraná varianta

Špecifikácia

Bezpečnostná kategória 4
Bezpečnostné výstupy NO 2
Napájacie napätie 24 V AC/DC
PL e (EN ISO 13849-1)
Prevádzková teplota max. 55 °C
Prevádzková teplota min. -25 °C
Signálna výstupy NC 1
Šírka 22,5 mm
Tolerancia ± 10 %
Trieda krytia pripojenia IP20
Trieda krytia puzdra IP40

Rozmery a pripojenie

Popis produktu

Relé pre obojručné ovládanie sa používa na spustenie a zastavenie nebezpečných strojov, ako sú lisy. Bezpečnostné relé Duelco HR-2007 je určené na ručné ovládanie pomocou ručného ovládača typu PCB3 typ 2. Relé pre obojručné ovladanie sú pripojené k dvom tlačidlám, každý s kontaktmi NO + NC. Polohovanie tlačidiel je presne definované v norme SFS-EN 574.

Relé aktivuje a zatvára bezpečnostné výstupy pri súčasnom stlačení obidvoch tlačidiel (časový rozdiel až do 500 ms) a iba vtedy, keď sú obidve tlačidlá resetované po predchádzajúcej aktivácii.

Relé HR-2007 zodpoveda norme SFS-EN 574, typ IIIC.

Príslušenstvo

Príbuzné produkty

Duelco Bezpečnostné relé
Produktové správy

Bezpečnostné rele Duelco

V dnešnej modernej priemyselnej výrobe sa kladie veľký dôraz na bezpečnosť pracovníkov, efektivitu výrobných procesov a ochranu zariadení pred možnými rizikami.

Produktové správy

Lankový spínač SafeLine 4

Lankový spínač SafeLine 4 moderné zariadenie je určené na zaistenie bezpečného a účinného zastavenia prevádzky napríklad výrobných strojov či dopravníkov

Produktové správy

Komplexné zabezpečenie robotických systémov od spoločnosti SSP

Komplexné zabezpečenie robotického systému pomocou bezdrôtového bezpečnostného riešenia od spoločnosti SSP

Produktové správy

Komponenty pre AGV zariadenia

Spoločnosť OEM Automatic ponúka širokú škálu komponentov použiteľných pre autonómne riadené vozidlá (AGV).

Produktové správy

SSP - Bezpečnosť novej generácie

Dodávame širokému spektru priemyselných odvetví bezpečnostné produkty pre stroje, ako sú bezpečnostné ovládače, blokovacie zariadenia, svetelné závory, riadiace jednotky, bezpečnostné ploty, ako aj bezpečnostné senzory a bezdrôtové zabezpečenie.

Bezpečnostné a ochranné oplotenie
Produktové správy

Bezpečnostné oplotenie

Bezpečnostné oplotenie strojov a robotov je kľúčové pre ochranu zamestnancov v automatizovaných prevádzkach a musí spĺňať prísne normy. Spoločnosť Protec ponúka modulárny systém oplotenia, ktorý je v súlade s európskymi predpismi, ľahko sa inštaluje a pomáha znižovať riziko úrazov pri zabezpečení efektívnej prevádzky.

Objednávacie číslo Napájacie napätie
24 V AC/DC
230 V AC

Vybraná varianta

Vyberte variant v zozname

Kontakt

Nataliya Mykyta

+421 332 400 160
Zákaznícky servis
Kontaktujte nás:
+421 332 400 160
Potrebujete pomoc?
Logo

Nastavenia cookies oemautomatic.sk

Súbory cookies nám pomáhajú zlepšovať vašu skúsenosť s nami a preto, aby sme mohli narábať s prihlasovacími údajmi, ponúkať personalizovaný obsah a pre základnú funkčnosť tejto webovej stránky používame niektoré súbory cookies.

Nikdy nebudeme predávať žiadne informácie o vás.

Môžete akceptovať všetky súbory cookies alebo prispôsobiť svoje preferencie pre súbory cookies, môžete tiež kedykoľvek zmeniť svoje preferencie týkajúce sa súborov cookies návštevou našej kontaktnej stránky.


Nevyhnutné súbory cookies

Tieto súbory cookies sú nevyhnutné pre fungovanie webovej stránky a nemožno ich v našich systémoch vypnúť. Zvyčajne sa používajú iba v reakcií na akcie, ktoré ste vykonali v súvislosti so žiadosťou o službu, napríklad pri nastavovaní osobných preferencií, prihlásení alebo pri vyplnení formulára.

Súbory cookies pre analýzu a meranie

Tieto súbory nám umožňujú počítať počet návštev a zdroje návštevnosti, aby sme mohli merať a zlepšovať výkonnosť našej webovej stránky. Pomáhajú nám zistiť, ktoré stránky sú viac či menej populárne a ako sa návštevníci po stránke pohybujú. Informácie, ktoré tieto cookies zhromažďujú sú agregované, a teda úplne anonymné. Ak tieto cookies nepovolíte, nevieme, kedy ste navštívili našu webovú stránku.

Marketingové súbory cookies

Tieto súbory cookies môžu pridať naši partneri. Môžu ich použiť na vytvorenie vášho profilu na základe vašich záujmov, aby vám mohli zobrazovať relevantnejšie informácie. Neuchovávajú žiadne osobné informácie – iba informácie o vašom prehliadači a zariadení. Ak tieto cookies neprijmete, budete mať všeobecnejšie a menej prispôsobené užívateľské prostredie.