HOKUYO

Laserový skener UAM-05

Séria UAM-05

Skener UAM-05LP s rozmermi 80x80x95mm je v súčasnej dobe najmenším laserovým bezpečnostným skenerom. Počas konfigurácie môžete zvoliť ochranné rozlíšenie ruky, nohy alebo tela: 30, 50 alebo 70 mm.

 

V štandardnom prevádzkovom režime môže skener UAM-05LP definovať až 32 návrhov bezpečnostných zón a automaticky ich prepnúť z externého ovládača alebo snímača. To znamená, že skener je ideálny napríklad pre mobilné aplikácie mobilných vozidiel AGV.

 

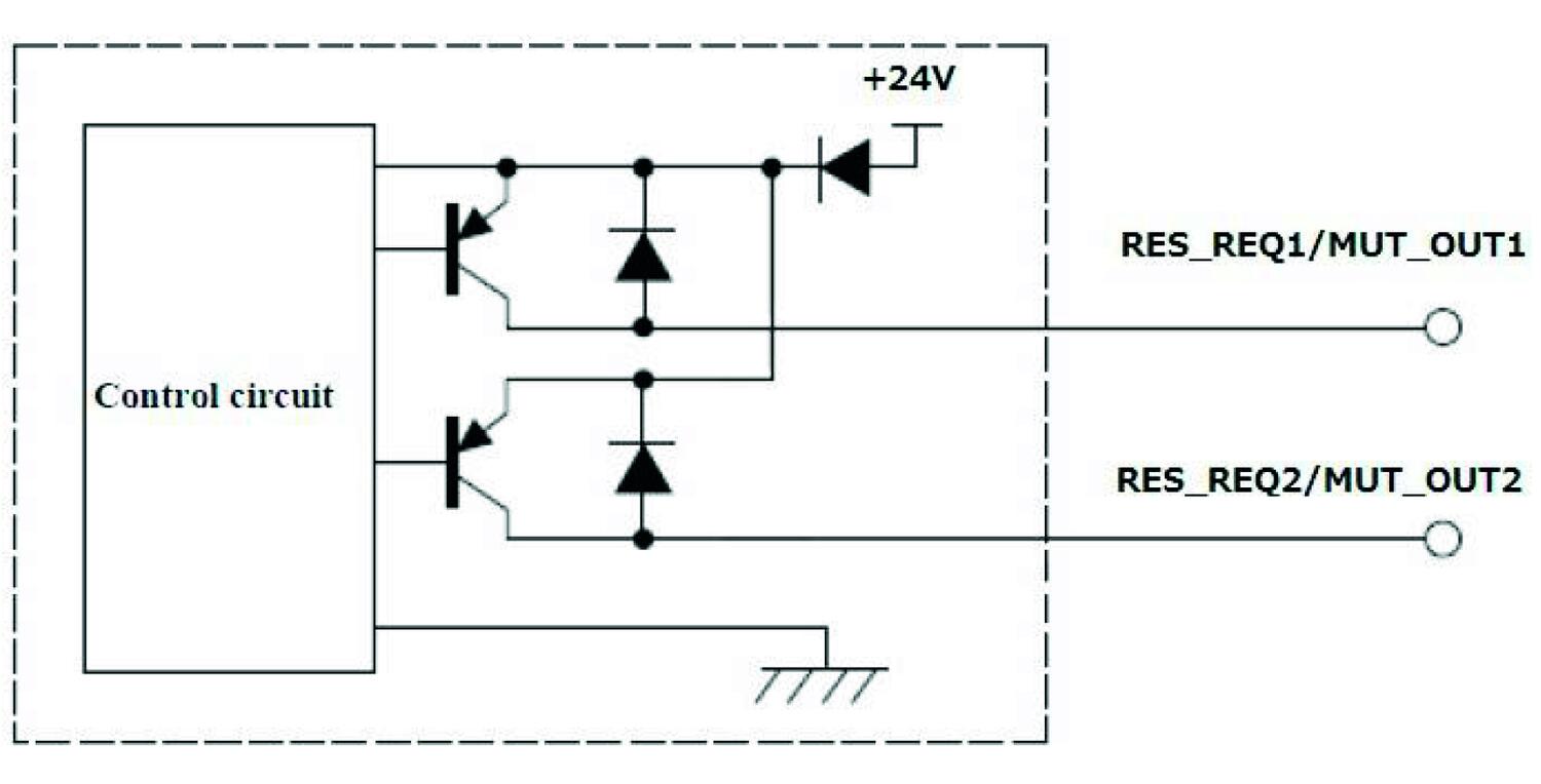
Skener UAM-05LP má vstavanú funkciu Muting a Override. To znamená, že skener je vhodný napríklad pre zabezpečenie vstupu / výstupu z nebezpečnej oblasti v aplikácii o automatickej preprave tovaru.

 

V prípade, že dôjde k zapojeniu až 4 skenerov vedľa seba, tak aby sa zabránilo ich vzájomnému rušeniu, môžete pripojiť 3 skenery v režime Slave ku skeneru v režime Master.

 

Skener UAM-05LP má vstavané monitorované resetovacie tlačidlo a vstup EDM pre sledovanie externých stykačov. Bezpečnostné výstupy OSSD sú chránené proti skratu. To znamená, že laserový skener môže fungovať ako "samostatný" a nevyžaduje špeciálny ovládač.

 

Pomocou skenera UAM-05LP môžete vytvoriť horizontálne alebo vertikálne bezpečnostné zóny.

 

Nastavenie konfigurácie skenera sa vykonáva pomocou bežného počítača s operačným systémom Windows, ktorý je pripojený k skeneru prostredníctvom vstavaného obľúbeného slotu microUSB. Konfiguračný softvér je poskytovaný zadarmo so skenerom. Môžete tiež uložiť danú konfiguráciu z počítača na kartu microSD a potom ju priamo vložiť do jedného alebo viacerých skenerov prostredníctvom vstavaného slotu microSD.

Prečítajte si viac
  • 5 m bezpečnostná zóna
  • Vstup pre enkóder
  • Ethernet výstup pre prenos dát
  • Režim ochrany pre dve zóny
  • Kompaktné rozmery
UAM-05LP.tif

UAM-05LP-T301C - Laserový bezpecnostný skener s 0,3m káblom s vodeodolným konektorom

Vybraná varianta

Vybraná varianta

Špecifikácia

Bezpečnostné pole max 5 m
Dĺžka 80 mm
Doba zotrvania max 510 ms
Doba zotrvania min 60 ms
Hmotnosť 0,8 kg
Materiál predného skla Polykarbonát
Materiál tela Hliník
Napätie 24 V DC
Počet bezpečnostných polí 128 ks
Prevádzková teplota max. 55 °C
Prevádzková teplota min. -10 °C
Rozlišenie 30 mm (max. 1,8 m), 50 mm (max. 3,0 m), 70 mm (max. 5,0 m), 150 mm (max. 5,0 m)
Šírka 80 mm
Skenovací uhol 270 °
Tolerancia +100 mm
Tolerancia napätia ±10 %
Trieda krytia IP65
Trieda lasera Class 1
V súlade s EMC, LVD, MD
Výška 95 mm
Výstražné pole Max 20 m
Zhoda s normami BG, CE, cULus, TÜV

Popis produktu

Skener UAM-05LP s rozmermi 80x80x95mm je v súčasnej dobe najmenším laserovým bezpečnostným skenerom. Počas konfigurácie môžete zvoliť ochranné rozlíšenie ruky, nohy alebo tela: 30, 50 alebo 70 mm.

 

V štandardnom prevádzkovom režime môže skener UAM-05LP definovať až 32 návrhov bezpečnostných zón a automaticky ich prepnúť z externého ovládača alebo snímača. To znamená, že skener je ideálny napríklad pre mobilné aplikácie mobilných vozidiel AGV.

 

Skener UAM-05LP má vstavanú funkciu Muting a Override. To znamená, že skener je vhodný napríklad pre zabezpečenie vstupu / výstupu z nebezpečnej oblasti v aplikácii o automatickej preprave tovaru.

 

V prípade, že dôjde k zapojeniu až 4 skenerov vedľa seba, tak aby sa zabránilo ich vzájomnému rušeniu, môžete pripojiť 3 skenery v režime Slave ku skeneru v režime Master.

 

Skener UAM-05LP má vstavané monitorované resetovacie tlačidlo a vstup EDM pre sledovanie externých stykačov. Bezpečnostné výstupy OSSD sú chránené proti skratu. To znamená, že laserový skener môže fungovať ako "samostatný" a nevyžaduje špeciálny ovládač.

 

Pomocou skenera UAM-05LP môžete vytvoriť horizontálne alebo vertikálne bezpečnostné zóny.

 

Nastavenie konfigurácie skenera sa vykonáva pomocou bežného počítača s operačným systémom Windows, ktorý je pripojený k skeneru prostredníctvom vstavaného obľúbeného slotu microUSB. Konfiguračný softvér je poskytovaný zadarmo so skenerom. Môžete tiež uložiť danú konfiguráciu z počítača na kartu microSD a potom ju priamo vložiť do jedného alebo viacerých skenerov prostredníctvom vstavaného slotu microSD.

Príslušenstvo

Príbuzné produkty

Produktové správy

Bezpečnostný skener UAM-05LPA

Spoločnosť Hokuyo prináša na trh nový bezpečnostný skener UAM-05LPA.

Produktové správy

Komponenty pre AGV zariadenia

Spoločnosť OEM Automatic ponúka širokú škálu komponentov použiteľných pre autonómne riadené vozidlá (AGV).

Produktové správy

Digitalizácia priemyslu 4.0

Inštalácia a uvedenie senzorov IO-link do prevádzky sú extrémne úsporné z hľadiska času aj nákladov. V praxi je spojenie point-to-point na úrovni poľa vytvorené z rôznych senzorov k IO-link masterom a odtiaľ prostredníctvom systémov poľnej zbernice k PLC.

Bezpečnostné a ochranné oplotenie
Produktové správy

Bezpečnostné oplotenie

Bezpečnostné oplotenie strojov a robotov je kľúčové pre ochranu zamestnancov v automatizovaných prevádzkach a musí spĺňať prísne normy. Spoločnosť Protec ponúka modulárny systém oplotenia, ktorý je v súlade s európskymi predpismi, ľahko sa inštaluje a pomáha znižovať riziko úrazov pri zabezpečení efektívnej prevádzky.

Produktové správy

Strojové videnie a DEEP Learning

V poslednom desaťročí došlo k nevídanému pokroku v oblasti umelej inteligencie. Dve z najdôležitejších technológií na čele tejto revolúcie sú strojové videnie a hlboké učenie. Ich kombináciou vznikli systémy, ktoré dokážu interpretovať vizuálny svet s presnosťou, ktorá sa často vyrovná a niekedy aj prekoná ľudské schopnosti. Tento článok podrobne opisuje, čo tieto technológie zahŕňajú, aké sú ich výhody a kde nachádzajú uplatnenie.

Machine vision
Produktové správy

Automatizovaná logistika so strojovým videním

Skladové a logistické prostredia dnes čelia rastúcemu tlaku na uspokojenie rastúcich požiadaviek zákazníkov, najmä v oblasti elektronického obchodovania. V dôsledku narušenia prevádzky spôsobeného nedostatkom pracovných síl a pandémiou COVID-19 sa spoločnosti čoraz častejšie obracajú k automatizačným riešeniam, aby zlepšili rýchlosť, presnosť, nákladovú efektivitu a jednoduchosť použitia. Dve z „nevyhnutných“ automatizačných inovácií, ktoré moderné logistické prostredia vyžadujú, sú najnovšie technológie v oblasti senzorov na čítanie čiarových kódov a kamier a softvéru pre strojové videnie.

Objednávacie číslo

Vybraná varianta

Vyberte variant v zozname

Kontakt

Nataliya Mykyta

+421 332 400 160
Zákaznícky servis
Kontaktujte nás:
+421 332 400 160
Potrebujete pomoc?
Logo

Nastavenia cookies oemautomatic.sk

Súbory cookies nám pomáhajú zlepšovať vašu skúsenosť s nami a preto, aby sme mohli narábať s prihlasovacími údajmi, ponúkať personalizovaný obsah a pre základnú funkčnosť tejto webovej stránky používame niektoré súbory cookies.

Nikdy nebudeme predávať žiadne informácie o vás.

Môžete akceptovať všetky súbory cookies alebo prispôsobiť svoje preferencie pre súbory cookies, môžete tiež kedykoľvek zmeniť svoje preferencie týkajúce sa súborov cookies návštevou našej kontaktnej stránky.


Nevyhnutné súbory cookies

Tieto súbory cookies sú nevyhnutné pre fungovanie webovej stránky a nemožno ich v našich systémoch vypnúť. Zvyčajne sa používajú iba v reakcií na akcie, ktoré ste vykonali v súvislosti so žiadosťou o službu, napríklad pri nastavovaní osobných preferencií, prihlásení alebo pri vyplnení formulára.

Súbory cookies pre analýzu a meranie

Tieto súbory nám umožňujú počítať počet návštev a zdroje návštevnosti, aby sme mohli merať a zlepšovať výkonnosť našej webovej stránky. Pomáhajú nám zistiť, ktoré stránky sú viac či menej populárne a ako sa návštevníci po stránke pohybujú. Informácie, ktoré tieto cookies zhromažďujú sú agregované, a teda úplne anonymné. Ak tieto cookies nepovolíte, nevieme, kedy ste navštívili našu webovú stránku.

Marketingové súbory cookies

Tieto súbory cookies môžu pridať naši partneri. Môžu ich použiť na vytvorenie vášho profilu na základe vašich záujmov, aby vám mohli zobrazovať relevantnejšie informácie. Neuchovávajú žiadne osobné informácie – iba informácie o vašom prehliadači a zariadení. Ak tieto cookies neprijmete, budete mať všeobecnejšie a menej prispôsobené užívateľské prostredie.