ELECTROMEN

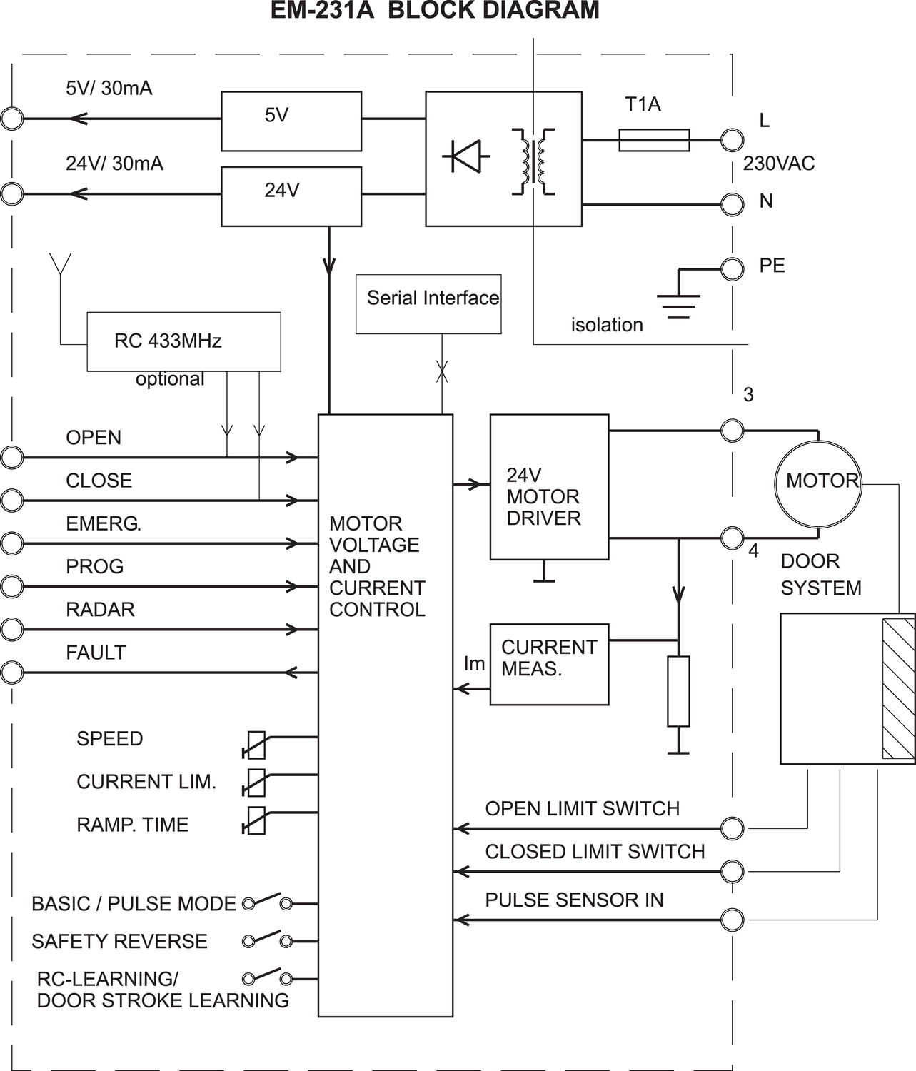
EM-231A Riadiaca jednotka pre dvere a poklopy

  • 230 Vac vstup a 24 Vdc výstup
  • Prúdový limit s funkciou automatického spätného chodu
  • Koncové polohy a vstupy kódovača

Vybraná varianta

242925_812.tiff

Electromen

Položka:

Vybraná varianta

Špecifikácia

Príslušenstvo

Produktové správy

MOTORY PRE KAŽDÚ APLIKÁCIU

Súčasťou ponuky sú jednoduché DC motory s kefovou aj bezkefovou technológiou (BLDC), krokové motory, lineárne aktuátory, jednoduché alebo sofistikované kontroléry.

Produktové správy

Jeden motor pre každú aplikáciu

Spoločnosť OEM Automatic rozširuje svoju ponuku DC pohonov priamych aj prevodovaných o produkty španielskeho výrobcu DOGA.

Produktové správy

Bezkefové motory Crouzet Smart power DC SQ75

Crouzet rozširuje svoj rad inteligentných motorov DCmind o nový BLDC motor s typovým označením SQ75. V porovnaní so súčasnými BLDC motormi SQ57 prináša tento nový produkt razantné výkonové navýšenie a po novom taktiež integrované funkcie a vlastnosti na jednoduchšiu integráciu do požadovanej aplikácie.

Produktové správy

Séria LD12 aktuátor do extrémnych podmienok

Taiwanská spoločnosť Moteck je významným výrobcom lineárnych pohonov, kontrolných boxov a súvisiacich doplnkov s viac ako 20-ročnou tradíciou. Svojou rozsiahlou ponukou pokrýva požiadavky mnohých sektorov – od nábytkárskeho priemyslu, cez nemocničné zariadenia až po priemyselnú automatizáciu.

Produktové správy

Univerzálny DC kontrolér EM-241

Kontrolér Electromen EM-241 je určený na 4-kvadrantové riadenie (rýchlosť, smer, akcelerácia, brzdenie) kefových motorov 12 – 48 V DC do menovitého zaťaženia 15 A (špičkovo až 30 A).

Produktové správy

Jednoduché kontroléry pre DC motory

Rozširujeme sortiment o jednoduché a cenovo veľmi zaujímavé kontroléry na ovládanie DC, BLDC (brushless) aj krokových motorov od fínskeho výrobcu Electromen.

Zákaznícky servis
Kontaktujte nás:
+421 332 400 160
Potrebujete pomoc?
Logo

Nastavenia cookies oemautomatic.sk

Súbory cookies nám pomáhajú zlepšovať vašu skúsenosť s nami a preto, aby sme mohli narábať s prihlasovacími údajmi, ponúkať personalizovaný obsah a pre základnú funkčnosť tejto webovej stránky používame niektoré súbory cookies.

Nikdy nebudeme predávať žiadne informácie o vás.

Môžete akceptovať všetky súbory cookies alebo prispôsobiť svoje preferencie pre súbory cookies, môžete tiež kedykoľvek zmeniť svoje preferencie týkajúce sa súborov cookies návštevou našej kontaktnej stránky.


Nevyhnutné súbory cookies

Tieto súbory cookies sú nevyhnutné pre fungovanie webovej stránky a nemožno ich v našich systémoch vypnúť. Zvyčajne sa používajú iba v reakcií na akcie, ktoré ste vykonali v súvislosti so žiadosťou o službu, napríklad pri nastavovaní osobných preferencií, prihlásení alebo pri vyplnení formulára.

Súbory cookies pre analýzu a meranie

Tieto súbory nám umožňujú počítať počet návštev a zdroje návštevnosti, aby sme mohli merať a zlepšovať výkonnosť našej webovej stránky. Pomáhajú nám zistiť, ktoré stránky sú viac či menej populárne a ako sa návštevníci po stránke pohybujú. Informácie, ktoré tieto cookies zhromažďujú sú agregované, a teda úplne anonymné. Ak tieto cookies nepovolíte, nevieme, kedy ste navštívili našu webovú stránku.

Marketingové súbory cookies

Tieto súbory cookies môžu pridať naši partneri. Môžu ich použiť na vytvorenie vášho profilu na základe vašich záujmov, aby vám mohli zobrazovať relevantnejšie informácie. Neuchovávajú žiadne osobné informácie – iba informácie o vašom prehliadači a zariadení. Ak tieto cookies neprijmete, budete mať všeobecnejšie a menej prispôsobené užívateľské prostredie.