Vážení zákazníci, v dňoch od 23.12.2025 do 1.1.2026 bude uzavretý sklad spoločnosti OEM Automatic s r. o. Posledná expedícia tento rok prebehne 17.12.2025.
Dear suppliers, our warehouse will be closed 23.12.2025 - 1.1.2026. Last inbound in this year will be possible till 19.12.2025.
DELCON
Tieto relé sú vhodné ako rozhranie medzi DC záťažami a riadiacim systémom. Zabudovaná ochrana proti rušeniu zaisťuje ich spoľahlivú prevádzku aj vo veľmi náročnom priemyselnom prostredí. Relé neobsahujú žiadne mechanické časti, čo prispieva k ich spoľahlivej prevádzke a dlhej životnosti. V porovnaní s mechanickým relé umožňujú tieto relé dlhodobo spínať induktívne DC záťaže s korekčným faktorom blízkym hodnote 1. Pokiaľ bude paralelne so záťažou nainštalovaná ochranná dióda (napr. 1N4007), hodnota maximálneho prúdu aj pri vysoko induktívnych záťažiach zostane nezmenená. Inštaláciou ochrannej diódy sa však predĺži čas rozopnutia.
| Čas odozvy | 0,3 ms |
|---|---|
| Doba uvoľnenia | 0,3 ms |
| Farba | Červená |
| Hmotnosť | 40 g |
| Kontrolné napätie DC max. | 7 V |
| Kontrolné napätie DC min. | 3 V |
| Materiál | PBT |
| Napätie záťaže DC max. | 60 V |
| Peak current | 15 A (10ms) |
| Počet pólov | 1 |
| Pokles napätia | 0,5 V |
| Prevádzková teplota max. | 70 °C |
| Prevádzková teplota min. | -40 °C |
| Prúd záťaže | 3 A |
|---|---|
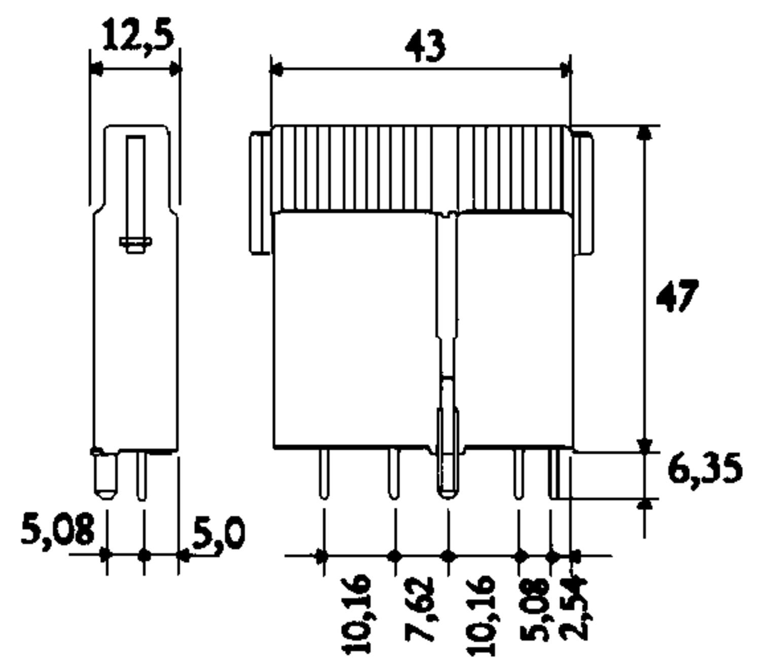
| Šírka | 12,5 mm |
| Spínacie napätie | 2,7 V |
| Spotreba | 12 mA |
| Spotreba max. | 15 mA |
| Teplota skladovania do | 70 °C |
| Teplota skladovania od | -40 °C |
| Vstupná impedancia, typická | 0,42 kΩ |
| Vstupné napätie nom | 5 |
| Vypínacie napätie | 2,5 V |
| Zhoda s normami | CE, UL |
Tieto relé sú vhodné ako rozhranie medzi DC záťažami a riadiacim systémom. Zabudovaná ochrana proti rušeniu zaisťuje ich spoľahlivú prevádzku aj vo veľmi náročnom priemyselnom prostredí. Relé neobsahujú žiadne mechanické časti, čo prispieva k ich spoľahlivej prevádzke a dlhej životnosti. V porovnaní s mechanickým relé umožňujú tieto relé dlhodobo spínať induktívne DC záťaže s korekčným faktorom blízkym hodnote 1. Pokiaľ bude paralelne so záťažou nainštalovaná ochranná dióda (napr. 1N4007), hodnota maximálneho prúdu aj pri vysoko induktívnych záťažiach zostane nezmenená. Inštaláciou ochrannej diódy sa však predĺži čas rozopnutia.
Prípadová štúdia z oblasti papierenského a chemického priemyslu
Akcia ponúka príležitosť na stretnutie s našimi inovatívnymi produktmi aj expertmi na aplikácie. Uvidíte dynamické prezentácie najnovších výrobkov, ktoré dokážu digitálne transformovať Vašu prevádzku, zaistiť bezpečnosť strojných zariadení a ďalšie rôzne systémy pre automatizáciu strojov a riešení. Návštevu si môžete spríjemniť skvelým jedlom a pitím, ktoré bude k dispozícii formou rautu.
Už viac ako polstoročia je na čele vývoja inovatívnych riešení chladenia, ktoré vyhovujú rôznorodým potrebám priemyslu po celom svete.
Spoločnosť Seifert Systems ponúka rôznorodý sortiment modelových produktov, aby uspokojila rôzne chladiace potreby rôznych priemyselných odvetví.
BlazeCut je výrobca a špecialista na protipožiarnu ochranu systémov, ktorý dodáva najnovšie technológie.
Sieťové analyzátory Diris A-100 a A-200 - nástroje na monitorovanie a kontrolu kvality elektrickej energie
|
|
|
|
|
|
||
|---|---|---|---|---|---|---|
|
|
|
|
|
|
||
|
|
|
|
|
|
||
|
|
|
|
|
|
||
|
|
|
|
|
|
||
|
|
|
|
|
|
||
|
|
|
|
|
|
| Objednávacie číslo | Čas odozvy | Doba uvoľnenia | Kontrolné napätie DC max. | Kontrolné napätie DC min. | Napätie záťaže DC max. | Peak current | Pokles napätia | Prevádzková teplota min. | Prúd záťaže | Spínacie napätie | Spotreba | Spotreba max. | Spotreba max. | Vstupná impedancia, typická | Vstupné napätie nom | Vypínacie napätie | Zvodový prúd | |||
|---|---|---|---|---|---|---|---|---|---|---|---|---|---|---|---|---|---|---|---|---|
|
Oddel.modul 24 V DC, výstup: 0-60 V DC/ 3 A
Položka:
SLO24CR
Skopírované
|
0,3 ms
|
0,3 ms
|
32 V
|
18 V
|
60 V
|
15 A (10 ms)
|
0,5 V
|
-40 °C
|
3 A
|
16 V
|
12 mA
|
15 mA
|
|
2 kΩ
|
24
|
14 V
|
1 mA
|
| ||
|
Oddel.modul 24 V DC, výstup: 0-32 V DC / 6,3 A, odporová záťaž
Položka:
SLO24CRX
Skopírované
|
0,3 ms
|
0,3 ms
|
32 V
|
18 V
|
32 V
|
80 A (10ms)
|
0,3 V
|
-40 °C
|
10 A
|
16 V
|
12 mA
|
15 mA
|
|
2 kΩ
|
24
|
14 V
|
1 mA
|
| ||
|
Oddel.modul 5 V DC, výstup: 0-60 V DC/ 3 A
Položka:
SLO5CR
Skopírované
|
0,3 ms
|
0,3 ms
|
7 V
|
3 V
|
60 V
|
15 A (10ms)
|
0,5 V
|
-40 °C
|
3 A
|
2,7 V
|
12 mA
|
15 mA
|
|
0,42 kΩ
|
5
|
2,5 V
|
|
| ||
|
Oddel.modul 24 V DC, výstup: 0-250 V DC/ 1,8 A
Položka:
SLO24CRA
Skopírované
|
0,3 ms
|
0,3 ms
|
32 V
|
18 V
|
250 V
|
12 A (10 ms)
|
1 V
|
-40 °C
|
1,8 A
|
16 V
|
12 mA
|
15 mA
|
|
2 kΩ
|
24
|
14 V
|
1 mA
|
| ||
|
Oddel.modul 120 V DC, výstup: 0-250 V DC/ 1,8 A
Položka:
SLO120CRA
Skopírované
|
0,5 ms
|
0,5 ms
|
140 V
|
95 V
|
250 V
|
12 A (10ms)
|
1 V
|
-25 °C
|
1,8 A
|
80 V
|
3,5 mA
|
|
4 mA
|
34 kΩ
|
120
|
60 V
|
1 mA
|
| ||
|
Oddel.modul 220 V DC, výstup: 0-250 V DC/ 1,8 A
Položka:
SLO220CRA
Skopírované
|
0,5 ms
|
0,5 ms
|
250 V
|
190 V
|
250 V
|
12 A (10 ms)
|
1 V
|
-25 °C
|
1,8 A
|
170 V
|
3,5 mA
|
4 mA
|
|
63 kΩ
|
220
|
120 V
|
1 mA
|
|
Vyberte variant v zozname
Nataliya Mykyta