CROUZET CONTROL

Relé pre kontrolu napätia v trojfázovéj sietí M3US

Série M3US

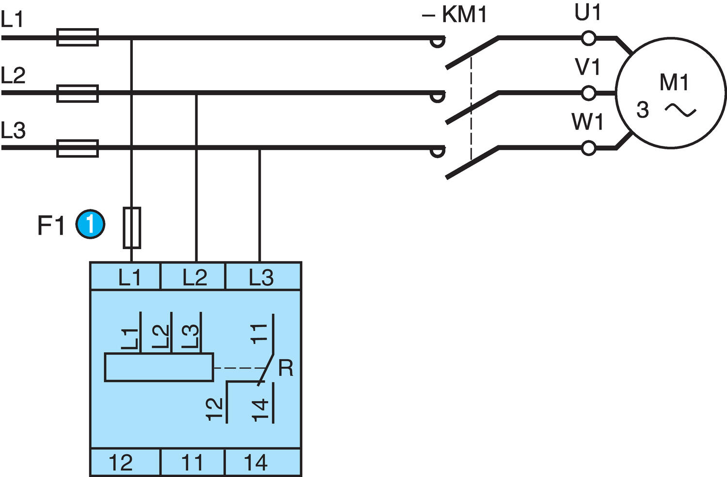
Relé pre kontrolu trojfázovej siete bez nulového vodiča.
Na prednej strane je prepínač pre nastavenie požadovanej hodnoty Un. Poloha prepínača sa načítava v okamihu pripojenia napájacieho napätia. Ak dojde k prepnutiu tohto prepínača za prevádzky, začnu blikať všetky indikátory LED a relé naďalej pracuje s pôvodne nastavenou hodnotou (nová hodnota je platná až po odpojení a následnom pripojení Un). Relé monitoruje podpätie a prepätie v sieti, ktoré je možné nastaviť individuálne v rozsahu –2 až –20 % a +2 až +20 % Un. V prípade indikacie chyby je možné spomaliť reakciu výstupného relé nastavením trimra Tt.

Zelená LED signalizuje prítomnosť napájacieho napätia (Un). Žltá LED signalizuje zopnutý releový výstup (R). V prípade výskytu chyby relé vypne a žltá LED zhasne.

 

Prepätie/podpetie

1: Prepätie

2: Hysterézia

3: Podpätie

4: L1, L2, L3

5: Relé

6: Limitná hodnota podpätia/prepätia s časovým oneskorením

 

 

Prečítajte si viac
  • Kontrola sieťového napätia
  • Možnosť výberu sieťového napätia
  • Šírka 17,5 mm
  • Signalizácia LED

Vybraná varianta

Control relay

M3US kontrolné relé

Položka:

Vybraná varianta

Špecifikácia

Časové oneskorenie pri prekročení prahu 0,3-30s
Časové oneskorenie štartu 0,5 s
Hmotnosť 80 g
Horná hranica 2 - 20%
Lower Limit -2 - -20%
Menovitý výkon 5A, 250V AC/DC
Napájacie napätie 3 x 208-480V AC
Prevádzková teplota max. 50 °C
Prevádzková teplota min. -20 °C
Teplota skladovania do 70 °C
Teplota skladovania od -40 °C
Trieda krytia pripojenia IP20
Trieda krytia puzdra IP30
Výber menovitého napätia 208, 220, 380, 400, 415, 440, 480V
Výstup 2x Relé
Zhoda s normami CE, CSA, RoHS, UL

Rozmery a pripojenie

Výkresy

Popis produktu

Relé pre kontrolu trojfázovej siete bez nulového vodiča.
Na prednej strane je prepínač pre nastavenie požadovanej hodnoty Un. Poloha prepínača sa načítava v okamihu pripojenia napájacieho napätia. Ak dojde k prepnutiu tohto prepínača za prevádzky, začnu blikať všetky indikátory LED a relé naďalej pracuje s pôvodne nastavenou hodnotou (nová hodnota je platná až po odpojení a následnom pripojení Un). Relé monitoruje podpätie a prepätie v sieti, ktoré je možné nastaviť individuálne v rozsahu –2 až –20 % a +2 až +20 % Un. V prípade indikacie chyby je možné spomaliť reakciu výstupného relé nastavením trimra Tt.

Zelená LED signalizuje prítomnosť napájacieho napätia (Un). Žltá LED signalizuje zopnutý releový výstup (R). V prípade výskytu chyby relé vypne a žltá LED zhasne.

 

Prepätie/podpetie

1: Prepätie

2: Hysterézia

3: Podpätie

4: L1, L2, L3

5: Relé

6: Limitná hodnota podpätia/prepätia s časovým oneskorením

 

 

Príslušenstvo

OEM Automatic Open Days 2025
Události

OEM AUTOMATIC OPEN DAYS 2025

Akcia ponúka príležitosť na stretnutie s našimi inovatívnymi produktmi aj expertmi na aplikácie. Uvidíte dynamické prezentácie najnovších výrobkov, ktoré dokážu digitálne transformovať Vašu prevádzku, zaistiť bezpečnosť strojných zariadení a ďalšie rôzne systémy pre automatizáciu strojov a riešení. Návštevu si môžete spríjemniť skvelým jedlom a pitím, ktoré bude k dispozícii formou rautu.

Seifert Systems Priemyselne chladenia
Produktové správy

SEIFERT SYSTEMS PRIEKOPNÍK V OBLASTI PRIEMYSELNÉHO CHLADENIA

Už viac ako polstoročia je na čele vývoja inovatívnych riešení chladenia, ktoré vyhovujú rôznorodým potrebám priemyslu po celom svete.

Produktové správy

SEIFERT SYSTEMS KOMPLEXNÉ RIEŠENIA PRE KAŽDÚ PRIEMYSELNÚ POTREBU

Spoločnosť Seifert Systems ponúka rôznorodý sortiment modelových produktov, aby uspokojila rôzne chladiace potreby rôznych priemyselných odvetví.

blazecut Haciasy systemy seria T
Produktové správy

PROTIPOŽIANY SYSTÉM SÉRIE S NAJNOVŠÍMI TECHNOLÓGIAMI

BlazeCut je výrobca a špecialista na protipožiarnu ochranu systémov, ktorý dodáva najnovšie technológie.

Produktové správy

SIEŤOVÉ ANALYZÁTORY DIRIS A-100 a A-200

Sieťové analyzátory Diris A-100 a A-200 - nástroje na monitorovanie a kontrolu kvality elektrickej energie

Produktové správy

Seifert klimatizácie a chladenie

V našej príručke sa dozviete, aké dôležité je mať v skrinke spotrebiča správnu teplotu. Preskúmame najbežnejšie spôsoby chladenia a bližšie sa pozrieme na jeden z nich. Nielenže pochopíte, ako chladiace systémy fungujú, ale získate aj konkrétne tipy, ako udržať stabilnú teplotu.

Kontakt

Nataliya Mykyta

+421 332 400 160
Zákaznícky servis
Kontaktujte nás:
+421 332 400 160
Potrebujete pomoc?
Logo

Nastavenia cookies oemautomatic.sk

Súbory cookies nám pomáhajú zlepšovať vašu skúsenosť s nami a preto, aby sme mohli narábať s prihlasovacími údajmi, ponúkať personalizovaný obsah a pre základnú funkčnosť tejto webovej stránky používame niektoré súbory cookies.

Nikdy nebudeme predávať žiadne informácie o vás.

Môžete akceptovať všetky súbory cookies alebo prispôsobiť svoje preferencie pre súbory cookies, môžete tiež kedykoľvek zmeniť svoje preferencie týkajúce sa súborov cookies návštevou našej kontaktnej stránky.


Nevyhnutné súbory cookies

Tieto súbory cookies sú nevyhnutné pre fungovanie webovej stránky a nemožno ich v našich systémoch vypnúť. Zvyčajne sa používajú iba v reakcií na akcie, ktoré ste vykonali v súvislosti so žiadosťou o službu, napríklad pri nastavovaní osobných preferencií, prihlásení alebo pri vyplnení formulára.

Súbory cookies pre analýzu a meranie

Tieto súbory nám umožňujú počítať počet návštev a zdroje návštevnosti, aby sme mohli merať a zlepšovať výkonnosť našej webovej stránky. Pomáhajú nám zistiť, ktoré stránky sú viac či menej populárne a ako sa návštevníci po stránke pohybujú. Informácie, ktoré tieto cookies zhromažďujú sú agregované, a teda úplne anonymné. Ak tieto cookies nepovolíte, nevieme, kedy ste navštívili našu webovú stránku.

Marketingové súbory cookies

Tieto súbory cookies môžu pridať naši partneri. Môžu ich použiť na vytvorenie vášho profilu na základe vašich záujmov, aby vám mohli zobrazovať relevantnejšie informácie. Neuchovávajú žiadne osobné informácie – iba informácie o vašom prehliadači a zariadení. Ak tieto cookies neprijmete, budete mať všeobecnejšie a menej prispôsobené užívateľské prostredie.