CROUZET CONTROL

Prúdové relé v jednofázovej sietí HIL, HIH

Série HIL, HIH

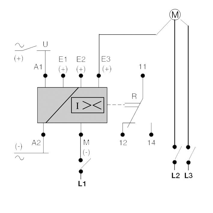
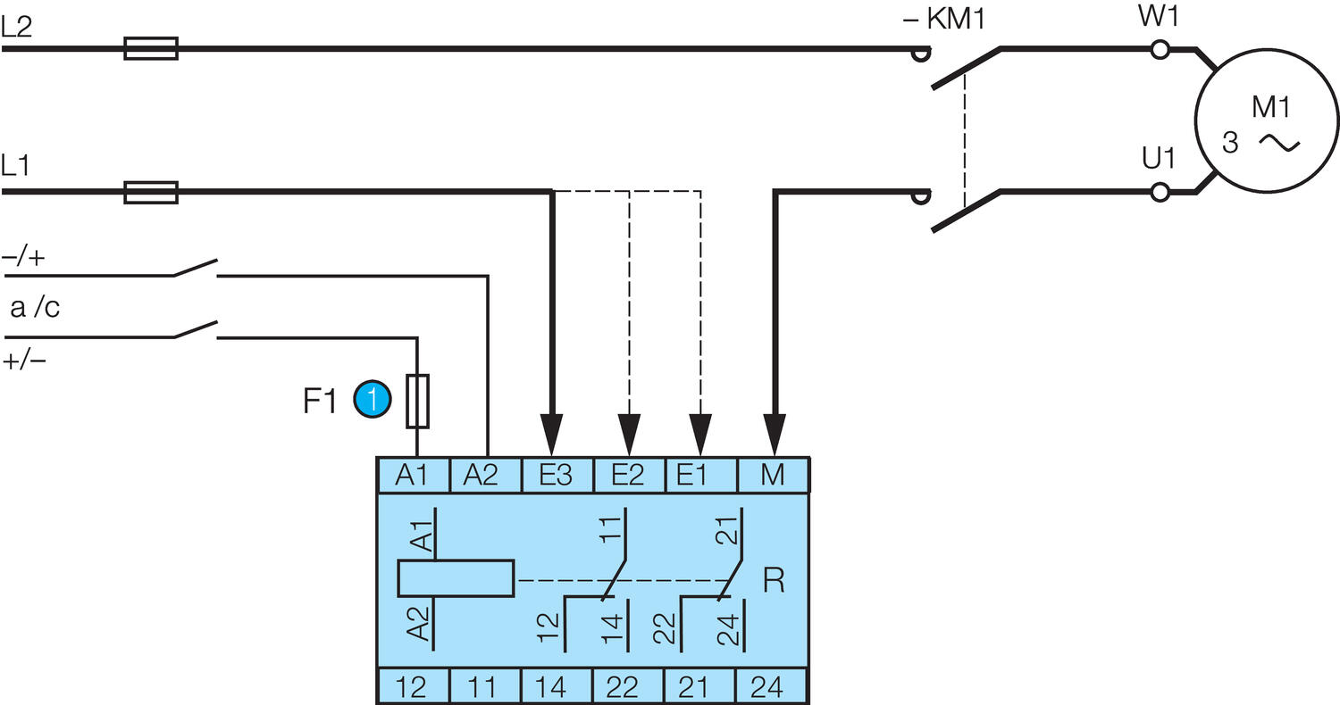
Relé monitoruje nadprúd alebo podprúd nastavenej hodnoty prúdu v režime s pamäťou alebo bez pamäte. Režim pamäte znamená, že po výskyte chyby je potrebné opätovne inicializovať odpojením Un. Nameraný prúd môže byť DC alebo AC.
Funkcia relé je zvolená prepínačom na prednej strane. Poloha prepínača sa načítava v momente spojenia Un. Ak je tento spínač zapnutý, všetky LED diódy začnú blikať a relé bude pokračovať v činnosti s pôvodne zvolenou funkciou (nová funkcia platí až po odpojení a naslednom pripojení Un). Aktuálna hraničná hodnota sa nastavuje pomocou trimra, ktorý má stupnicu v percentách zvoleného rozsahu. Hodnota hysterézie je nastavená podobným spôsobom na stupnici kalibrovanej v rozmedzí od 5 do 50% nastavenej hodnoty. Hodnota hysterézie nesmie byť vyššia ako hranica rozsahu merania. Časové oneskorenie Tt slúži na preklenutie krátkodobých odchýlok nameranej hodnoty. Časové oneskorenie Ti je určené na preklenutie neštandardných hodnôt počas spustenia.
Zelená LED indikuje prítomnosť napájacieho napätia (Un). Žltá LED signalizuje uzavretý reléový výstup (R). V prípade poruchy relé vypne a žltá LED zhasne.

 

S pamäťou

Bez pamäte

1: Limit

1: Limit

2: Hysterézia

2: Hysterézia

3: Signalizuje prekročenie

3: Signalizuje prekročenie

4: Signalizuje podkročenie

4: Signalizuje podkročenie

5: Napájacie napätie

5: Napájacie napätie

6: Monitorovaný prúd

6: Monitorovaný prúd

7: Doba ustálenia (Ti)

7: Doba ustálenia (Ti)

8: Časové oneskorenie pri prekročení hraničnej hodnoty (Tt)

8: Časové oneskorenie pri prekročení hraničnej hodnoty (Tt)

 

Prečítajte si viac
  • Dva modely HIL 2 mA-500 mA, HIH 0,1 A-10 A
  • Galvanické oddelenie medzi napájacími obvodmi a meriacimi časmi
  • Automatická detekcia st alebo ss
  • Šírka 35 mm

Vybraná varianta

Vybraná varianta

Špecifikácia

Časové oneskorenie pri prekročení prahu 0,1-3s
Časové oneskorenie štartu 1-20s
Druh montáže DIN lišta
E1-M max. continuous current in 25°C 2 A
E1-M max. current <1s at 25°C 17 A
E2-M max. continuous current in 25°C 11 A
E2-M max. current <1s at 25°C 20 A
E3-M max. continuous current in 25°C 11 A
E3-M max. current <1s at 25°C 50 A
Hmotnosť 130 g
Menovitý výkon 5A, 250V AC/DC
Napájacie napätie 24-240V ac/dc
Prevádzková teplota max. 50 °C
Prevádzková teplota min. -20 °C
Rozsah merania E1-M 0,1-1A
Rozsah merania E2-M 0,5-5A
Rozsah merania E3-M 1-10A
Teplota skladovania do 70 °C
Teplota skladovania od -30 °C
Threshold Adjustable from 10 %
Threshold Adjustable to 100 %
Trieda krytia pripojenia IP20
Trieda krytia puzdra IP30
Výstup Relé 2 pól C/O
Zhoda s normami CE, CSA, RoHS, UL

Popis produktu

Relé monitoruje nadprúd alebo podprúd nastavenej hodnoty prúdu v režime s pamäťou alebo bez pamäte. Režim pamäte znamená, že po výskyte chyby je potrebné opätovne inicializovať odpojením Un. Nameraný prúd môže byť DC alebo AC.
Funkcia relé je zvolená prepínačom na prednej strane. Poloha prepínača sa načítava v momente spojenia Un. Ak je tento spínač zapnutý, všetky LED diódy začnú blikať a relé bude pokračovať v činnosti s pôvodne zvolenou funkciou (nová funkcia platí až po odpojení a naslednom pripojení Un). Aktuálna hraničná hodnota sa nastavuje pomocou trimra, ktorý má stupnicu v percentách zvoleného rozsahu. Hodnota hysterézie je nastavená podobným spôsobom na stupnici kalibrovanej v rozmedzí od 5 do 50% nastavenej hodnoty. Hodnota hysterézie nesmie byť vyššia ako hranica rozsahu merania. Časové oneskorenie Tt slúži na preklenutie krátkodobých odchýlok nameranej hodnoty. Časové oneskorenie Ti je určené na preklenutie neštandardných hodnôt počas spustenia.
Zelená LED indikuje prítomnosť napájacieho napätia (Un). Žltá LED signalizuje uzavretý reléový výstup (R). V prípade poruchy relé vypne a žltá LED zhasne.

 

S pamäťou

Bez pamäte

1: Limit

1: Limit

2: Hysterézia

2: Hysterézia

3: Signalizuje prekročenie

3: Signalizuje prekročenie

4: Signalizuje podkročenie

4: Signalizuje podkročenie

5: Napájacie napätie

5: Napájacie napätie

6: Monitorovaný prúd

6: Monitorovaný prúd

7: Doba ustálenia (Ti)

7: Doba ustálenia (Ti)

8: Časové oneskorenie pri prekročení hraničnej hodnoty (Tt)

8: Časové oneskorenie pri prekročení hraničnej hodnoty (Tt)

 

Príslušenstvo

OEM Automatic Open Days 2025
Události

OEM AUTOMATIC OPEN DAYS 2025

Akcia ponúka príležitosť na stretnutie s našimi inovatívnymi produktmi aj expertmi na aplikácie. Uvidíte dynamické prezentácie najnovších výrobkov, ktoré dokážu digitálne transformovať Vašu prevádzku, zaistiť bezpečnosť strojných zariadení a ďalšie rôzne systémy pre automatizáciu strojov a riešení. Návštevu si môžete spríjemniť skvelým jedlom a pitím, ktoré bude k dispozícii formou rautu.

Seifert Systems Priemyselne chladenia
Produktové správy

SEIFERT SYSTEMS PRIEKOPNÍK V OBLASTI PRIEMYSELNÉHO CHLADENIA

Už viac ako polstoročia je na čele vývoja inovatívnych riešení chladenia, ktoré vyhovujú rôznorodým potrebám priemyslu po celom svete.

Produktové správy

SEIFERT SYSTEMS KOMPLEXNÉ RIEŠENIA PRE KAŽDÚ PRIEMYSELNÚ POTREBU

Spoločnosť Seifert Systems ponúka rôznorodý sortiment modelových produktov, aby uspokojila rôzne chladiace potreby rôznych priemyselných odvetví.

blazecut Haciasy systemy seria T
Produktové správy

PROTIPOŽIANY SYSTÉM SÉRIE S NAJNOVŠÍMI TECHNOLÓGIAMI

BlazeCut je výrobca a špecialista na protipožiarnu ochranu systémov, ktorý dodáva najnovšie technológie.

Produktové správy

SIEŤOVÉ ANALYZÁTORY DIRIS A-100 a A-200

Sieťové analyzátory Diris A-100 a A-200 - nástroje na monitorovanie a kontrolu kvality elektrickej energie

Produktové správy

Seifert klimatizácie a chladenie

V našej príručke sa dozviete, aké dôležité je mať v skrinke spotrebiča správnu teplotu. Preskúmame najbežnejšie spôsoby chladenia a bližšie sa pozrieme na jeden z nich. Nielenže pochopíte, ako chladiace systémy fungujú, ale získate aj konkrétne tipy, ako udržať stabilnú teplotu.

Objednávacie číslo E1-M max. continuous current in 25°C E1-M max. current <1s at 25°C E2-M max. continuous current in 25°C E2-M max. current <1s at 25°C E3-M max. continuous current in 25°C E3-M max. current <1s at 25°C Rozsah merania E1-M Rozsah merania E2-M Rozsah merania E3-M
0,4 A
1 A
1 A
5 A
2 A
8 A
2-20mA
10-100mA
50-500mA
2 A
17 A
11 A
20 A
11 A
50 A
0,1-1A
0,5-5A
1-10A

Vybraná varianta

Vyberte variant v zozname

Kontakt

Nataliya Mykyta

+421 332 400 160
Zákaznícky servis
Kontaktujte nás:
+421 332 400 160
Potrebujete pomoc?
Logo

Nastavenia cookies oemautomatic.sk

Súbory cookies nám pomáhajú zlepšovať vašu skúsenosť s nami a preto, aby sme mohli narábať s prihlasovacími údajmi, ponúkať personalizovaný obsah a pre základnú funkčnosť tejto webovej stránky používame niektoré súbory cookies.

Nikdy nebudeme predávať žiadne informácie o vás.

Môžete akceptovať všetky súbory cookies alebo prispôsobiť svoje preferencie pre súbory cookies, môžete tiež kedykoľvek zmeniť svoje preferencie týkajúce sa súborov cookies návštevou našej kontaktnej stránky.


Nevyhnutné súbory cookies

Tieto súbory cookies sú nevyhnutné pre fungovanie webovej stránky a nemožno ich v našich systémoch vypnúť. Zvyčajne sa používajú iba v reakcií na akcie, ktoré ste vykonali v súvislosti so žiadosťou o službu, napríklad pri nastavovaní osobných preferencií, prihlásení alebo pri vyplnení formulára.

Súbory cookies pre analýzu a meranie

Tieto súbory nám umožňujú počítať počet návštev a zdroje návštevnosti, aby sme mohli merať a zlepšovať výkonnosť našej webovej stránky. Pomáhajú nám zistiť, ktoré stránky sú viac či menej populárne a ako sa návštevníci po stránke pohybujú. Informácie, ktoré tieto cookies zhromažďujú sú agregované, a teda úplne anonymné. Ak tieto cookies nepovolíte, nevieme, kedy ste navštívili našu webovú stránku.

Marketingové súbory cookies

Tieto súbory cookies môžu pridať naši partneri. Môžu ich použiť na vytvorenie vášho profilu na základe vašich záujmov, aby vám mohli zobrazovať relevantnejšie informácie. Neuchovávajú žiadne osobné informácie – iba informácie o vašom prehliadači a zariadení. Ak tieto cookies neprijmete, budete mať všeobecnejšie a menej prispôsobené užívateľské prostredie.