CROUZET CONTROL

Monitorovanie funkcií trojfázových a jednofázových čerpadiel, HPC

Série HPC

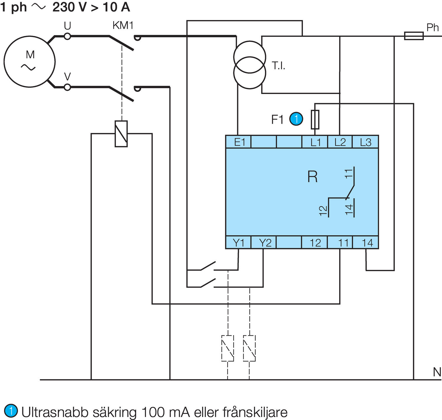
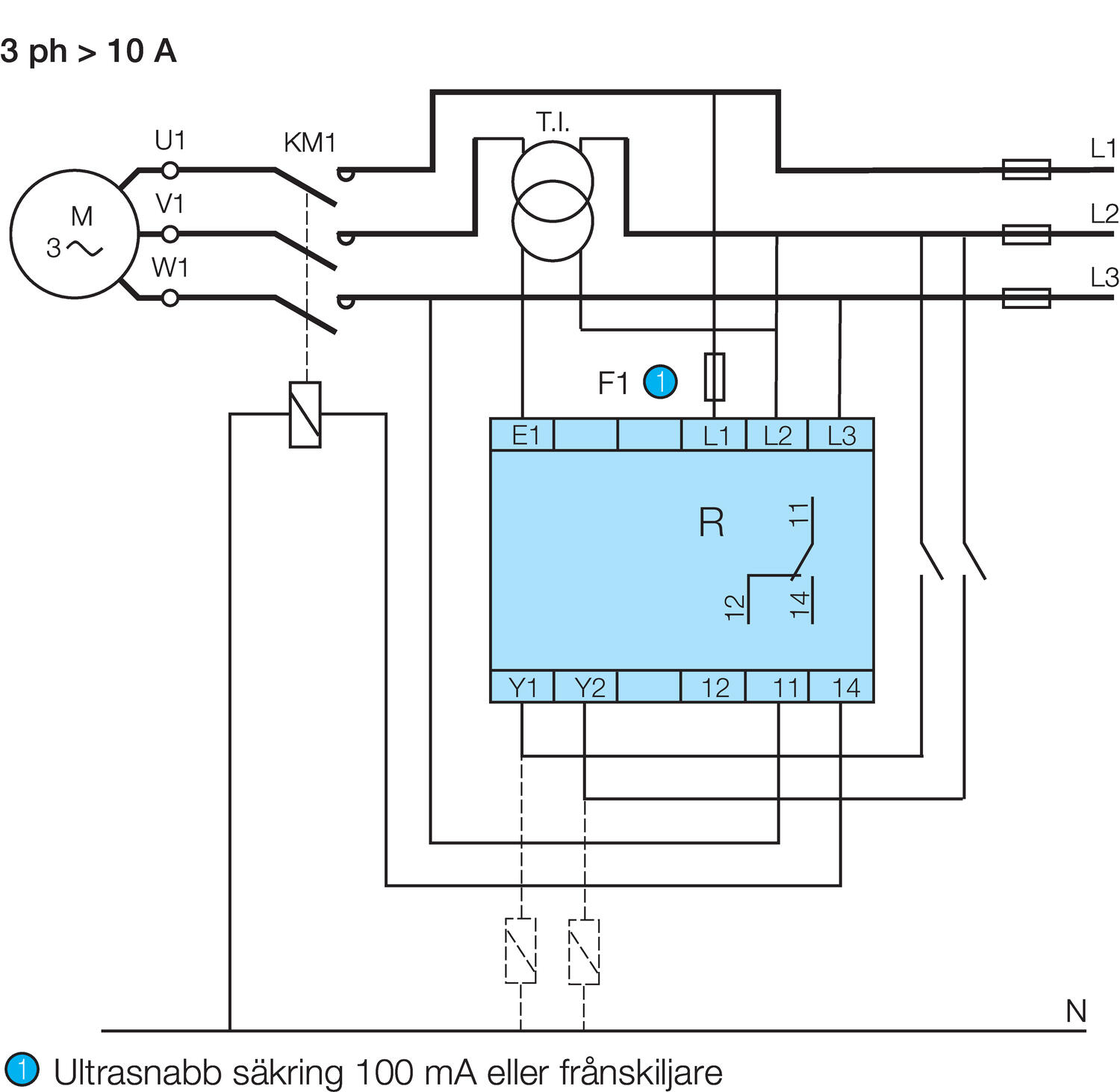
Monitorovanie čerpadiel môže byť použité v 1-fázovej alebo 3-fázovej sieti. Poskytuje tri funkcie v jednom zariadení:

- Sledovanie prúdu

- Sledovanie výpadku fázy ( 3-fázová sieť )

- Kontrolu sledu fáz ( 3-fázová sieť )

 

K dispozícii sú dve pozicie, ktoré sa používajú na ovládanie čerpadiel pomocou dvoch externých signálových vstupov (Y1 a Y2). Oba tie signály sú riadené mŕtvymi kontaktmi. Indikácia poruchy je signalizovaná LED diódami, ktoré tiež rozlišujú druhy závad. Zelená LED (Un) signalizuje, či je menovité napätie OK. Žltá LED (R) signalizuje aktivný reléový výstup.

 

Otočným prepínačom na prednej strane môžu byť nastavené tieto funkcie:

- Jednoduchá kontrola

- Duálna kontrola

- 1 fáza alebo 3 fázy

Poloha prepínača pre voľbu režimu (jednofázový, trojfázový / Double, Simple) je načítana vždy v okamihu pripojenia Un. Ak dôjde k prepnutiu prepínača za prevádzky začnú blikať všetky LED indikátory, ale jednotka naďalej pracuje s pôvodne zvoleným nastavením ( nové nastavenie platí až po odpojení a následnom pripojení Un ).

Hodnoty nadprúdu i podprúdu môžu sa nastaviť dvoma oddelenými otočnými prepínačmi v rozmedzí 1-10 A. Ak dojde k detekcii chyby ( dolná hraničná hodnota je vyššia niež horná hraničná hodnota ) relé vypne.


Pokiaľ dôjde k poruche nadprúdu a podprúdu, relé vypne, kým chyba pretrváva po uplynutí nastaveného času(Tt). Ak sa hodnota prúdu vráti do normálu, relé zostané nedotknuté, kým nie je odpojené napájacie napätie alebo kým sa nezatvorí externý kontakt Y2 ( pre jednoduchú kontrolu ).

 

HPC jednoduché riadenie

HPC dvojité riadenie

1: Abnormálna hodnota prúdu

1: Abnormálna hodnota prúdu

2: Relé

2: Relé

3: Časové oneskorenie pri rozbehu (Ti)

3: Časové oneskorenie pri rozbehu (Ti)

4: Časové oneskorenie pri výskyte chyby (Tt)

4: Časové oneskorenie pri výskyte chyby (Tt)

V tejto polohe je čerpadlo riadené externým signálom Y1.
Ak je Y1 aktivný, reléový výstup je zopnutý.

V tejto polohe je čerpadlo riadené dvoma externými signálmi Y1 a Y2.
Relé zopne v okamihu, keď sú prítomné oba vstupné signály Y1 a Y2,a odpadne, akoháhle dôjde ku strate jedneho z nich.

 

 

HPC monitorovanie nadprúdu

HPC monitorovanie podprúdu

1: Nadprúd

1: Podprúd

2: Hysterézia

2: Hysterézia

3: Relé

3: Relé

4: Časové oneskorenie pri rozbehu (Ti)

4: Časové oneskorenie pri rozbehu (Ti)

5: Časové oneskorenie pri výskyte chyby (Tt)

5: Časové oneskorenie pri výskyte chyby (Tt)

 

Prečítajte si viac
  • Monitoruje sled fáz a výpadok fázy
  • Meria hodnotu prúdu (nadprúd/podprúd)
  • Digitálne vstupy
  • Meria skutočnú efektívnu hodnotu TRMS

Vybraná varianta

Control relay

HPC kontrolné relé

Položka:

Vybraná varianta

Špecifikácia

Časové oneskorenie pri prekročení prahu 0,1-10s
Časové oneskorenie štartu 0,1-60s
Hmotnosť 100 g
Menovitý výkon 5A, 250V AC/DC
Napájacie napätie AC max. 528 V AC
Napájacie napätie AC min. 183 V AC
Not Repetitive Overload <1 S At 25 ° C 50 A
Prevádzková teplota max. 50 °C
Prevádzková teplota min. -20 °C
Rozsah merania 1-10A
Teplota skladovania do 70 °C
Teplota skladovania od -40 °C
Trieda krytia pripojenia IP20
Trieda krytia puzdra IP30
Zhoda s normami CSA, GL, RoHS, UL

Rozmery a pripojenie

Popis produktu

Monitorovanie čerpadiel môže byť použité v 1-fázovej alebo 3-fázovej sieti. Poskytuje tri funkcie v jednom zariadení:

- Sledovanie prúdu

- Sledovanie výpadku fázy ( 3-fázová sieť )

- Kontrolu sledu fáz ( 3-fázová sieť )

 

K dispozícii sú dve pozicie, ktoré sa používajú na ovládanie čerpadiel pomocou dvoch externých signálových vstupov (Y1 a Y2). Oba tie signály sú riadené mŕtvymi kontaktmi. Indikácia poruchy je signalizovaná LED diódami, ktoré tiež rozlišujú druhy závad. Zelená LED (Un) signalizuje, či je menovité napätie OK. Žltá LED (R) signalizuje aktivný reléový výstup.

 

Otočným prepínačom na prednej strane môžu byť nastavené tieto funkcie:

- Jednoduchá kontrola

- Duálna kontrola

- 1 fáza alebo 3 fázy

Poloha prepínača pre voľbu režimu (jednofázový, trojfázový / Double, Simple) je načítana vždy v okamihu pripojenia Un. Ak dôjde k prepnutiu prepínača za prevádzky začnú blikať všetky LED indikátory, ale jednotka naďalej pracuje s pôvodne zvoleným nastavením ( nové nastavenie platí až po odpojení a následnom pripojení Un ).

Hodnoty nadprúdu i podprúdu môžu sa nastaviť dvoma oddelenými otočnými prepínačmi v rozmedzí 1-10 A. Ak dojde k detekcii chyby ( dolná hraničná hodnota je vyššia niež horná hraničná hodnota ) relé vypne.


Pokiaľ dôjde k poruche nadprúdu a podprúdu, relé vypne, kým chyba pretrváva po uplynutí nastaveného času(Tt). Ak sa hodnota prúdu vráti do normálu, relé zostané nedotknuté, kým nie je odpojené napájacie napätie alebo kým sa nezatvorí externý kontakt Y2 ( pre jednoduchú kontrolu ).

 

HPC jednoduché riadenie

HPC dvojité riadenie

1: Abnormálna hodnota prúdu

1: Abnormálna hodnota prúdu

2: Relé

2: Relé

3: Časové oneskorenie pri rozbehu (Ti)

3: Časové oneskorenie pri rozbehu (Ti)

4: Časové oneskorenie pri výskyte chyby (Tt)

4: Časové oneskorenie pri výskyte chyby (Tt)

V tejto polohe je čerpadlo riadené externým signálom Y1.
Ak je Y1 aktivný, reléový výstup je zopnutý.

V tejto polohe je čerpadlo riadené dvoma externými signálmi Y1 a Y2.
Relé zopne v okamihu, keď sú prítomné oba vstupné signály Y1 a Y2,a odpadne, akoháhle dôjde ku strate jedneho z nich.

 

 

HPC monitorovanie nadprúdu

HPC monitorovanie podprúdu

1: Nadprúd

1: Podprúd

2: Hysterézia

2: Hysterézia

3: Relé

3: Relé

4: Časové oneskorenie pri rozbehu (Ti)

4: Časové oneskorenie pri rozbehu (Ti)

5: Časové oneskorenie pri výskyte chyby (Tt)

5: Časové oneskorenie pri výskyte chyby (Tt)

 

Príslušenstvo

OEM Automatic Open Days 2025
Události

OEM AUTOMATIC OPEN DAYS 2025

Akcia ponúka príležitosť na stretnutie s našimi inovatívnymi produktmi aj expertmi na aplikácie. Uvidíte dynamické prezentácie najnovších výrobkov, ktoré dokážu digitálne transformovať Vašu prevádzku, zaistiť bezpečnosť strojných zariadení a ďalšie rôzne systémy pre automatizáciu strojov a riešení. Návštevu si môžete spríjemniť skvelým jedlom a pitím, ktoré bude k dispozícii formou rautu.

Seifert Systems Priemyselne chladenia
Produktové správy

SEIFERT SYSTEMS PRIEKOPNÍK V OBLASTI PRIEMYSELNÉHO CHLADENIA

Už viac ako polstoročia je na čele vývoja inovatívnych riešení chladenia, ktoré vyhovujú rôznorodým potrebám priemyslu po celom svete.

Produktové správy

SEIFERT SYSTEMS KOMPLEXNÉ RIEŠENIA PRE KAŽDÚ PRIEMYSELNÚ POTREBU

Spoločnosť Seifert Systems ponúka rôznorodý sortiment modelových produktov, aby uspokojila rôzne chladiace potreby rôznych priemyselných odvetví.

blazecut Haciasy systemy seria T
Produktové správy

PROTIPOŽIANY SYSTÉM SÉRIE S NAJNOVŠÍMI TECHNOLÓGIAMI

BlazeCut je výrobca a špecialista na protipožiarnu ochranu systémov, ktorý dodáva najnovšie technológie.

Produktové správy

SIEŤOVÉ ANALYZÁTORY DIRIS A-100 a A-200

Sieťové analyzátory Diris A-100 a A-200 - nástroje na monitorovanie a kontrolu kvality elektrickej energie

Produktové správy

Seifert klimatizácie a chladenie

V našej príručke sa dozviete, aké dôležité je mať v skrinke spotrebiča správnu teplotu. Preskúmame najbežnejšie spôsoby chladenia a bližšie sa pozrieme na jeden z nich. Nielenže pochopíte, ako chladiace systémy fungujú, ale získate aj konkrétne tipy, ako udržať stabilnú teplotu.

Kontakt

Lucie Hájková

+421 332 400 160
Zákaznícky servis
Kontaktujte nás:
+421 332 400 160
Potrebujete pomoc?